GM Service Manual Online
For 1990-2009 cars only
Makes
🢒
Chevrolet
🢒
2005
🢒
Express
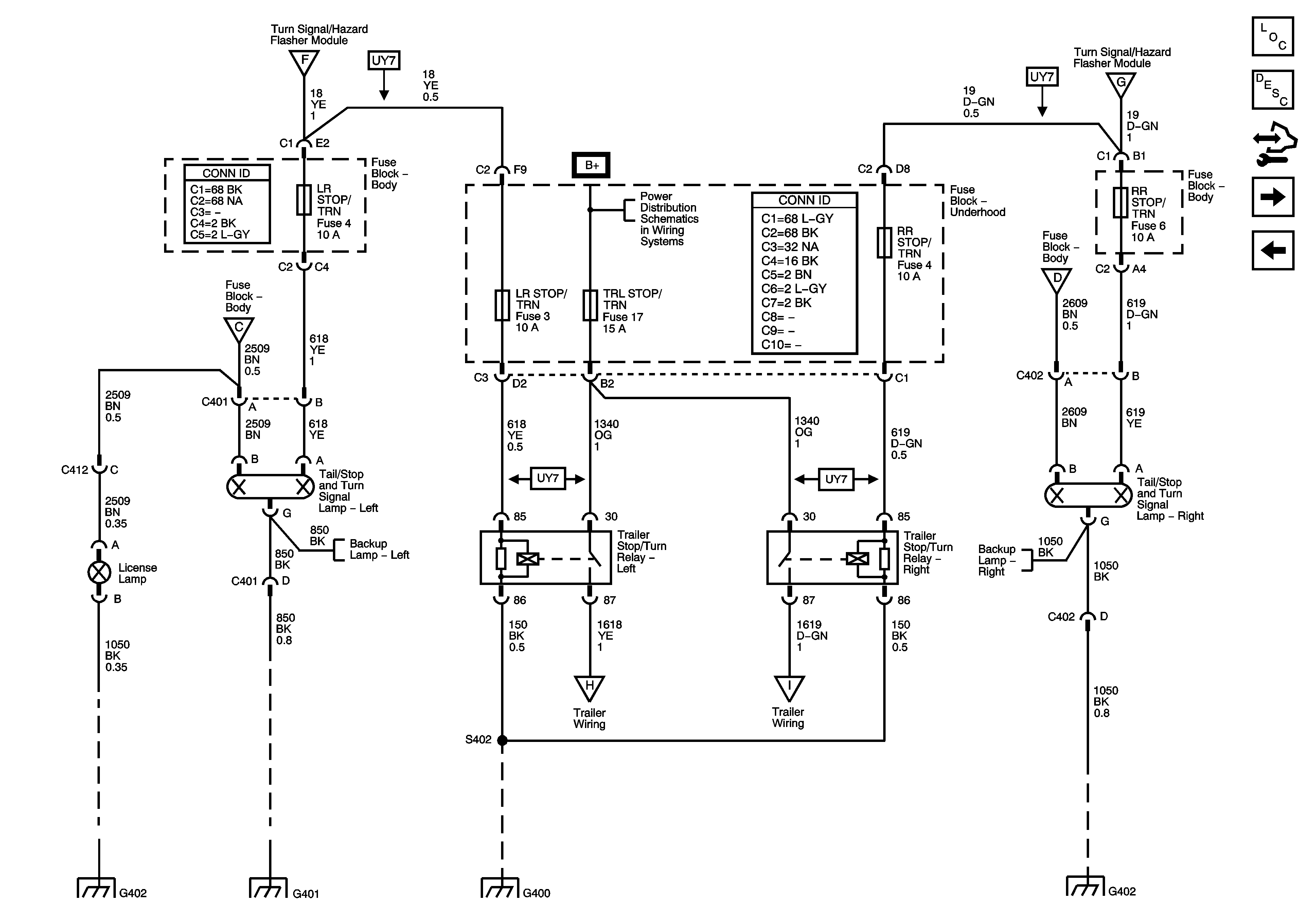
🢒 Tail/Stop and License Lamps
Tail/Stop and License Lamps
Tail/Stop and License Lamps
Master Electrical Component List
Exterior Lighting Systems Description and Operation
Control Module References
Backup (Except Cutaway), Park/Turn, and Marker Lamps
Turn Signals
Turn Signals
Turn Signals
Headlamp and Panel Dimmer Switch Signals and Park Lamp Relay Control
B+ Bus - Underhood Fuse Block
Headlamp and Panel Dimmer Switch Signals and Park Lamp Relay Control
Backup (Except Cutaway), Park/Turn, and Marker Lamps
Backup (Except Cutaway), Park/Turn, and Marker Lamps
Backup (Cutaway) and Trailer Wiring
Backup (Cutaway) and Trailer Wiring
G402 - Passenger/Cargo and G403 - PRP
G401 - Passenger/Cargo
G400
G402 - Passenger/Cargo and G403 - PRP