GM Service Manual Online
For 1990-2009 cars only
Makes
🢒
Chevrolet
🢒
2005
🢒
Express
🢒 Gages
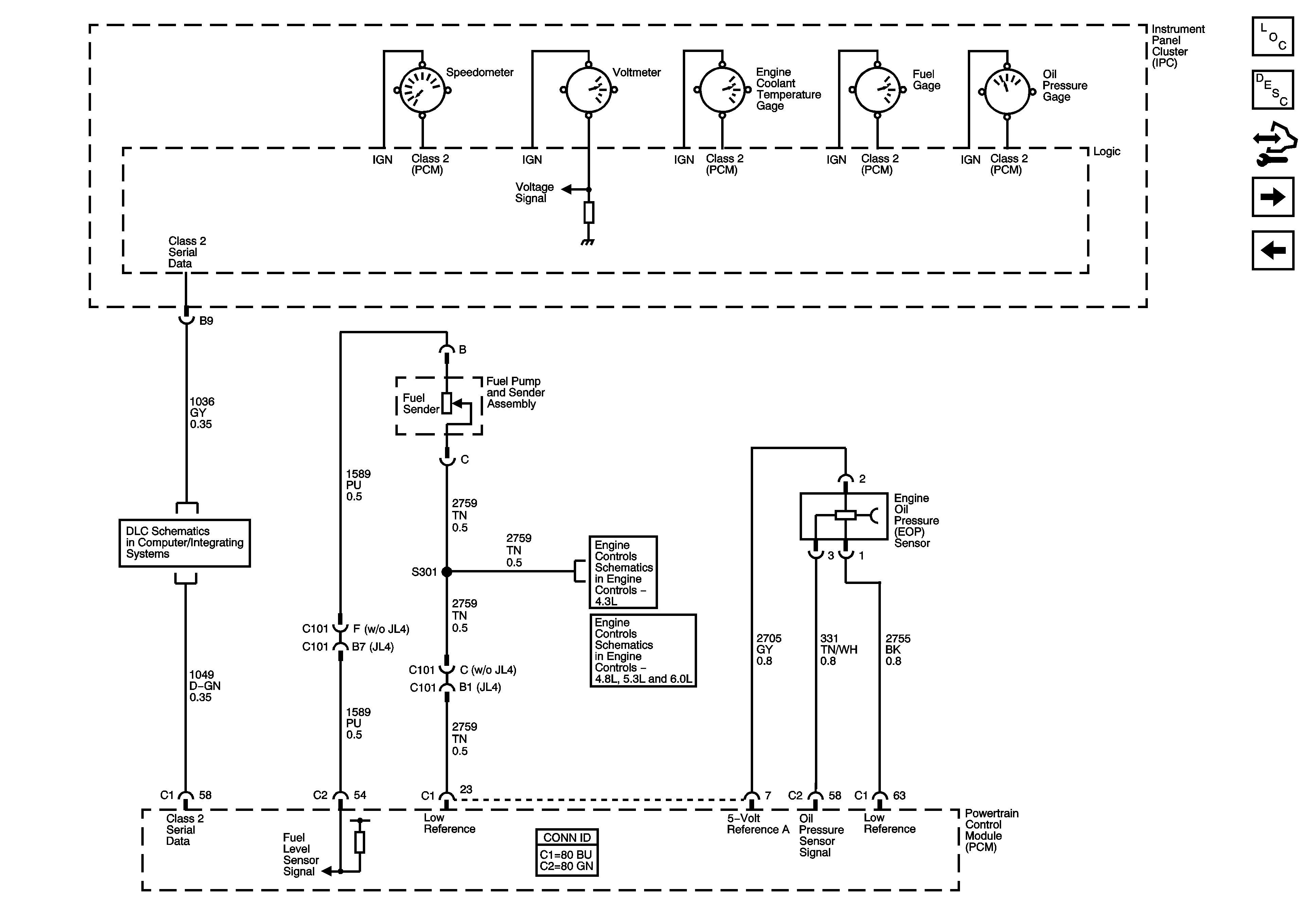
Gages
Gages
Master Electrical Component List
Instrument Cluster Description and Operation
Control Module References
Indicators
Power, Ground and Serial Data
Data Link Connector (DLC) Schematics
Fuel Controls - EVAP and Device Controls
Fuel Controls - EVAP and Device Controls