GM Service Manual Online
For 1990-2009 cars only
Makes
🢒
Chevrolet
🢒
2005
🢒
Express
🢒 Indicators
Indicators
Indicators
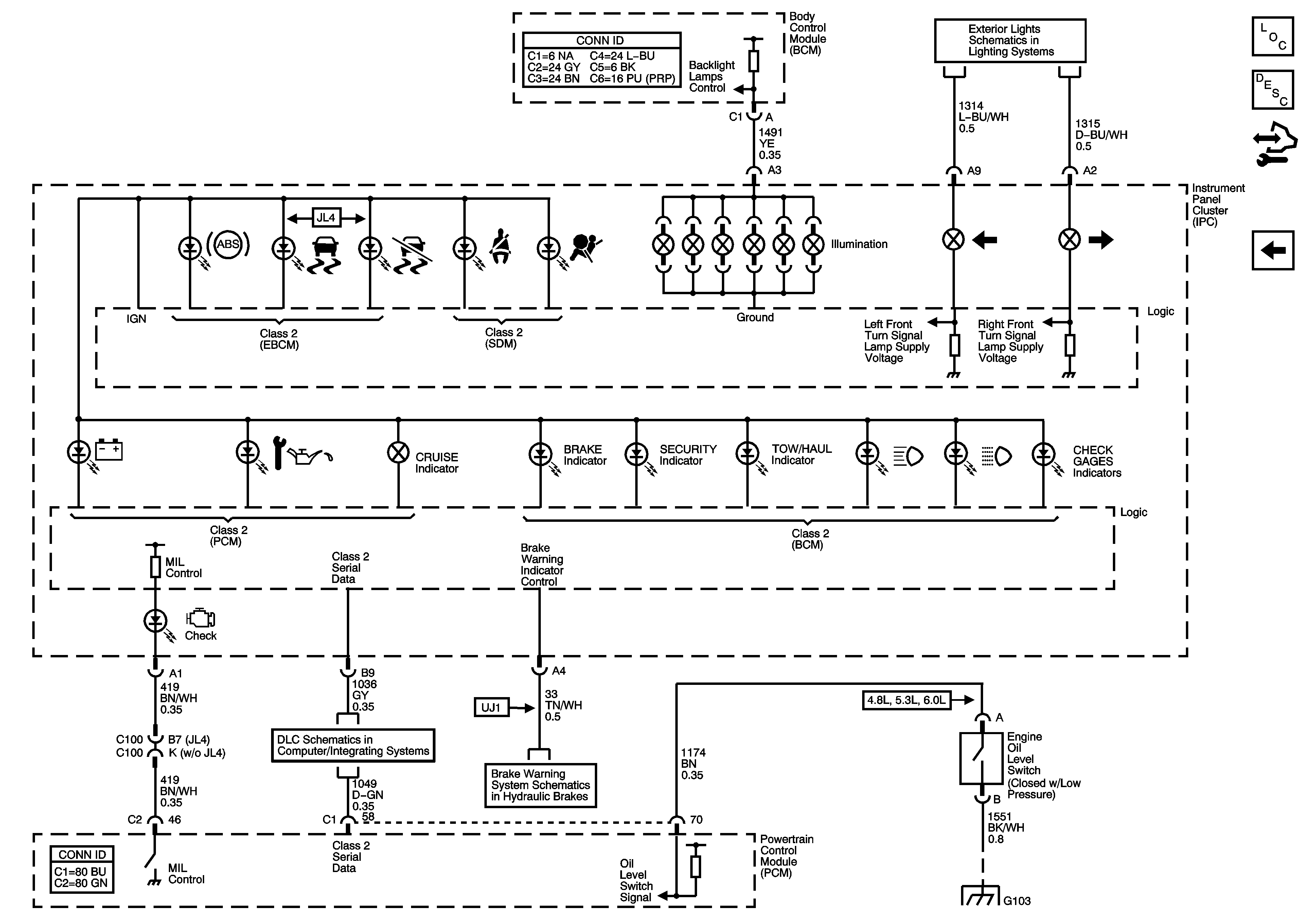
Master Electrical Component List
Instrument Cluster Description and Operation
Control Module References
Gages
Turn Signals
Data Link Connector (DLC) Schematics
Brake Warning System Schematics
G103, G104, G105, G106, G300 and G301