GM Service Manual Online
For 1990-2009 cars only
Makes
🢒
Chevrolet
🢒
2005
🢒
Express
🢒 Fuel Controls - EVAP and Device Controls
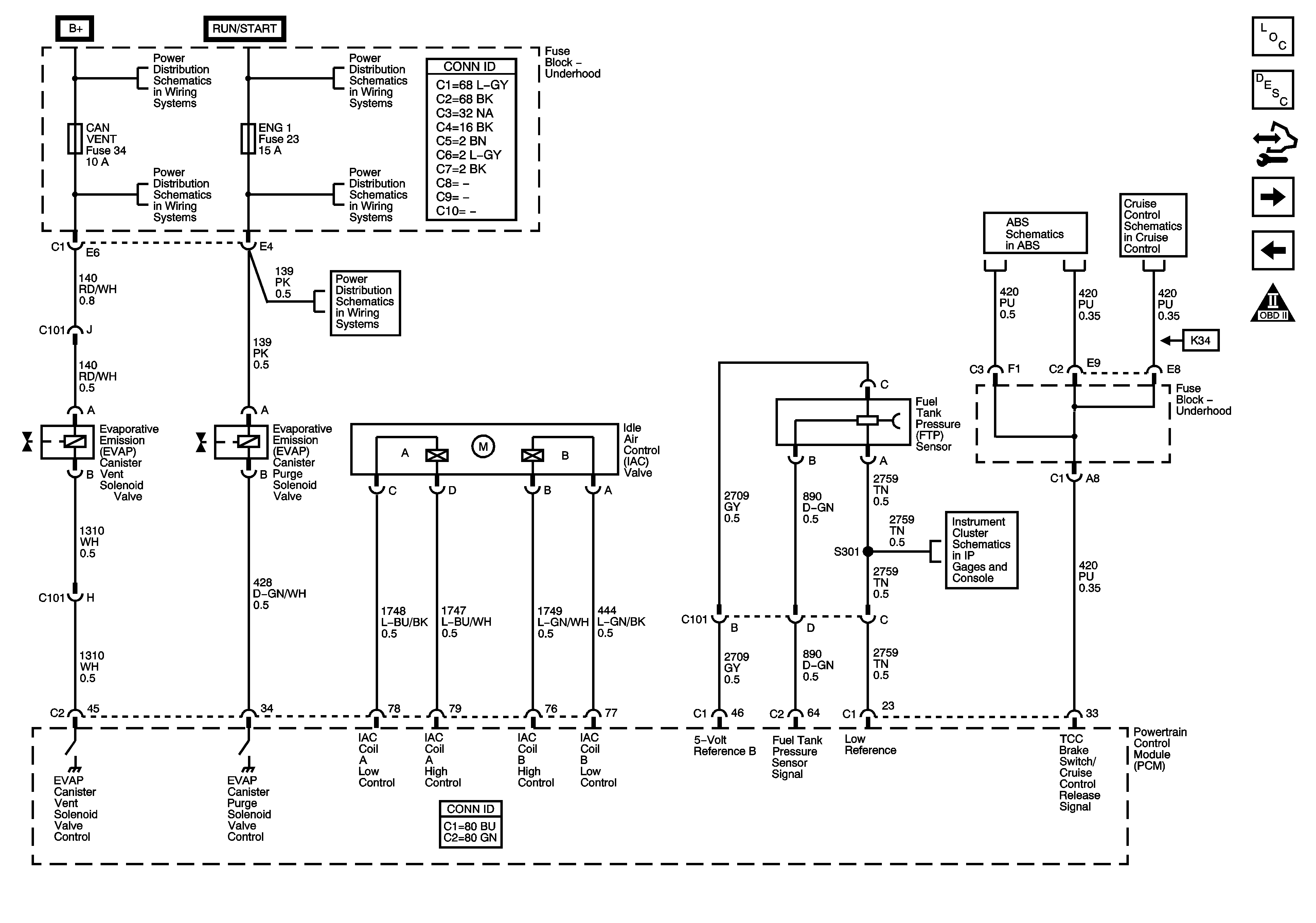
Fuel Controls - EVAP and Device Controls
Fuel Controls - EVAP and Device Controls
Master Electrical Component List
Powertrain Control Module Description
Control Module References
Controlled/Monitored Subsystem and Transmission References
Fuel Controls - Fuel Injectors
OBD II Symbol Description Notice
B+ Bus - Underhood Fuse Block
Ignition Switch - ACCY/RUN, RUN/START Bus Bars and IGN B Fuse
ABS, AUX PWR, BLOW, CAN VENT, CIGAR, IPC, PCM BAT, STOP LP and TRLR Fuses
ENG 1 and ENG 2 Fuses - 4.3L
ENG 1 and ENG 2 Fuses - 4.3L
Gages
Power, Ground, Serial Data, Indicator and Stop lamp Switch - w/o JL4
w/o JL4