GM Service Manual Online
For 1990-2009 cars only
Makes
🢒
Chevrolet
🢒
2006
🢒
Express
🢒
Body
🢒
Wiring Systems
🢒 Upfitter Provision Schematics
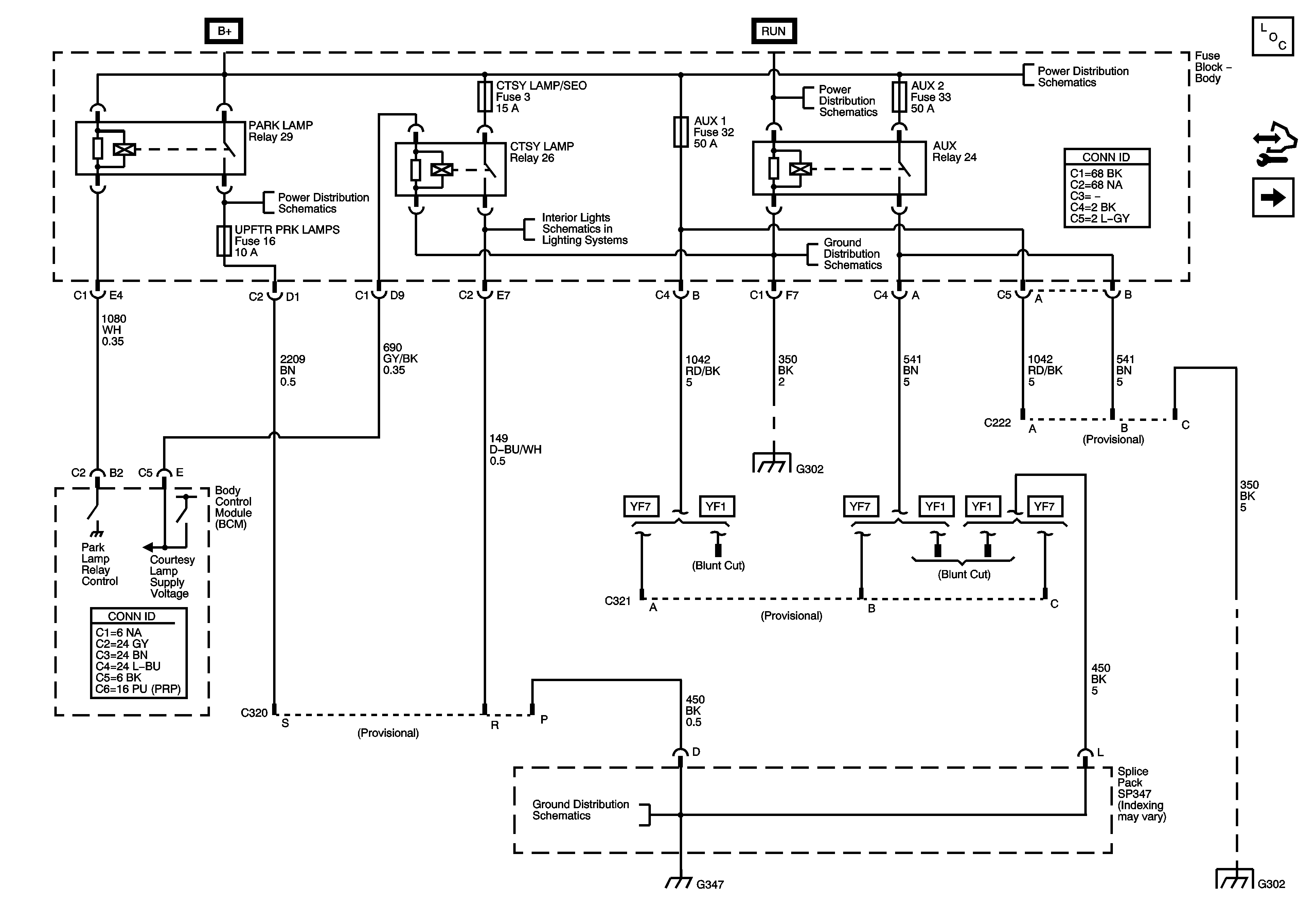
Figure
1:
Power, Ground, and Relay Controls
Master Electrical Component List
Control Module References
Rear Heat Auxiliary (ENC)
FRT PRK, LT REAR PRK, RT REAR PRK, TRLR PRK, UPFTR PRK LAMPS Fuses and PWR WNDW Circuit Breaker
Courtesy Lamps (YF7)
Ignition Switch - ACCY/RUN/START, RUN, START Bus Bars and IGN A Fuse
G302
B+ Bus - Body Fuse Block
G302
G347 - 1 of 3
G302
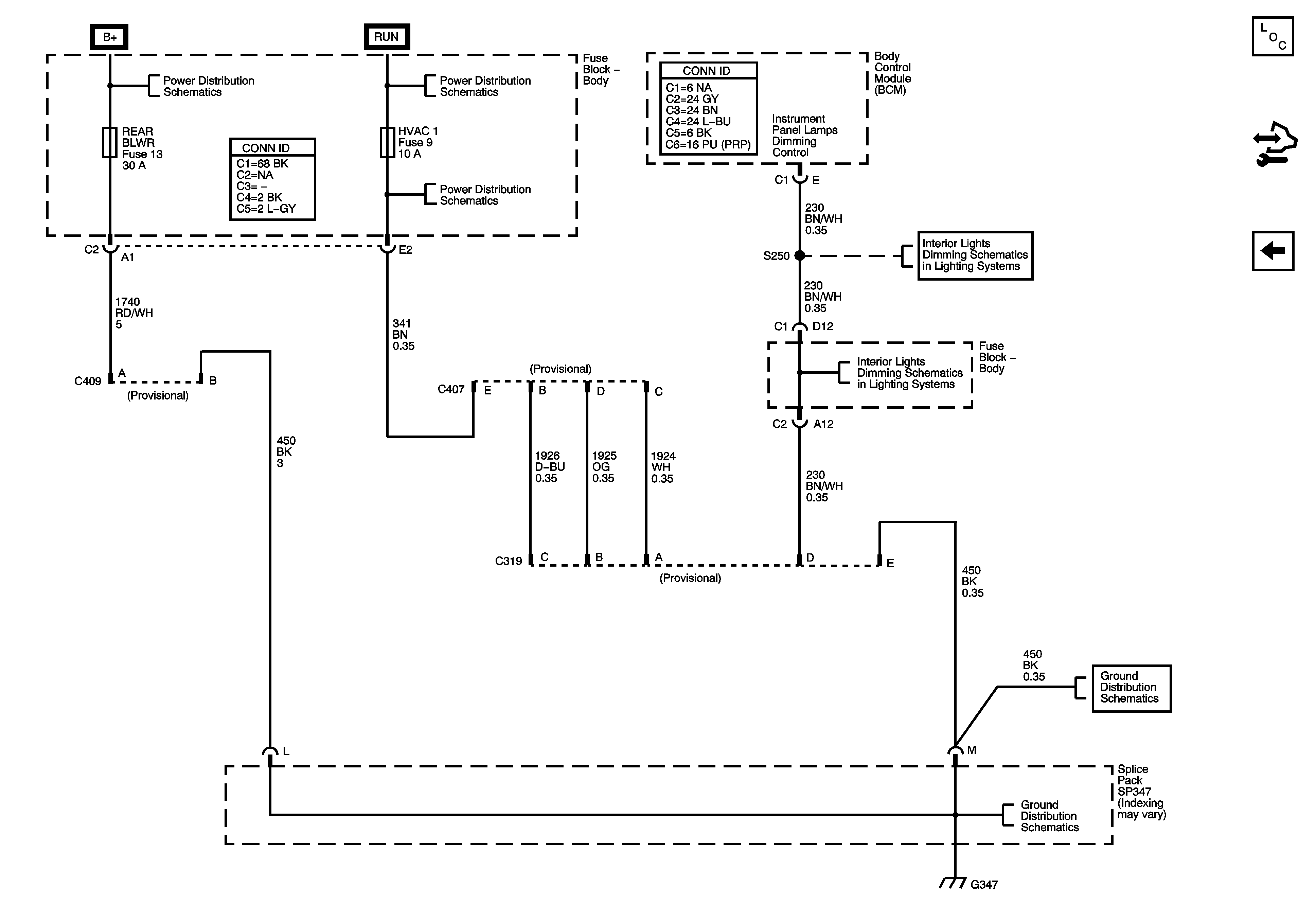
Figure
2:
Rear Heat Auxiliary (ENC)
Master Electrical Component List
Control Module References
Power, Ground, and Relay Controls
B+ Bus - Body Fuse Block
Ignition Switch - ACCY/RUN/START, RUN, START Bus Bars and IGN A Fuse
HVAC 1 Fuse
I/P Dimming Supply Voltage - 1 of 3 and LED Dimming Supply Voltage
I/P Dimming Supply Voltage - 2 of 3
G347 - 2 of 3
G347 - 2 of 3