GM Service Manual Online
For 1990-2009 cars only
Figure 1:

Module Power, Ground, Serial Data, and MIL


Object Number: 1565191  Size: FS
Master Electrical Component List
Powertrain Control Module Description
Control Module References
Engine Data Sensors - 5-Volt and Low Reference
OBD II Symbol Description Notice
B+ Bus - Underhood Fuse Block - Gas
Ignition Switch - ACCY/RUN, RUN/START Bus Bars and IGN B Fuse
BTSI, BTSI BCK/UP, ECM/TCM/GLOW PLUG CNTRL MDL IGN 1, FUEL HTR, O2 SNSR A, O2 SNSR B, PCM IGN 1, SPARE and TRLR BCK/UP Fuses
BRK, CRNK, FRT WPR, HVAC, IGN 1, TBC ACCY and TBC/TCM ACCY Fuses
BRK, CRNK, FRT WPR, HVAC, IGN 1, TBC ACCY and TBC/TCM ACCY Fuses
G103, G104, G105, G106, G107, G108, G300, G301, and G305
Power, Ground, DLC, and Splice Pack SP200
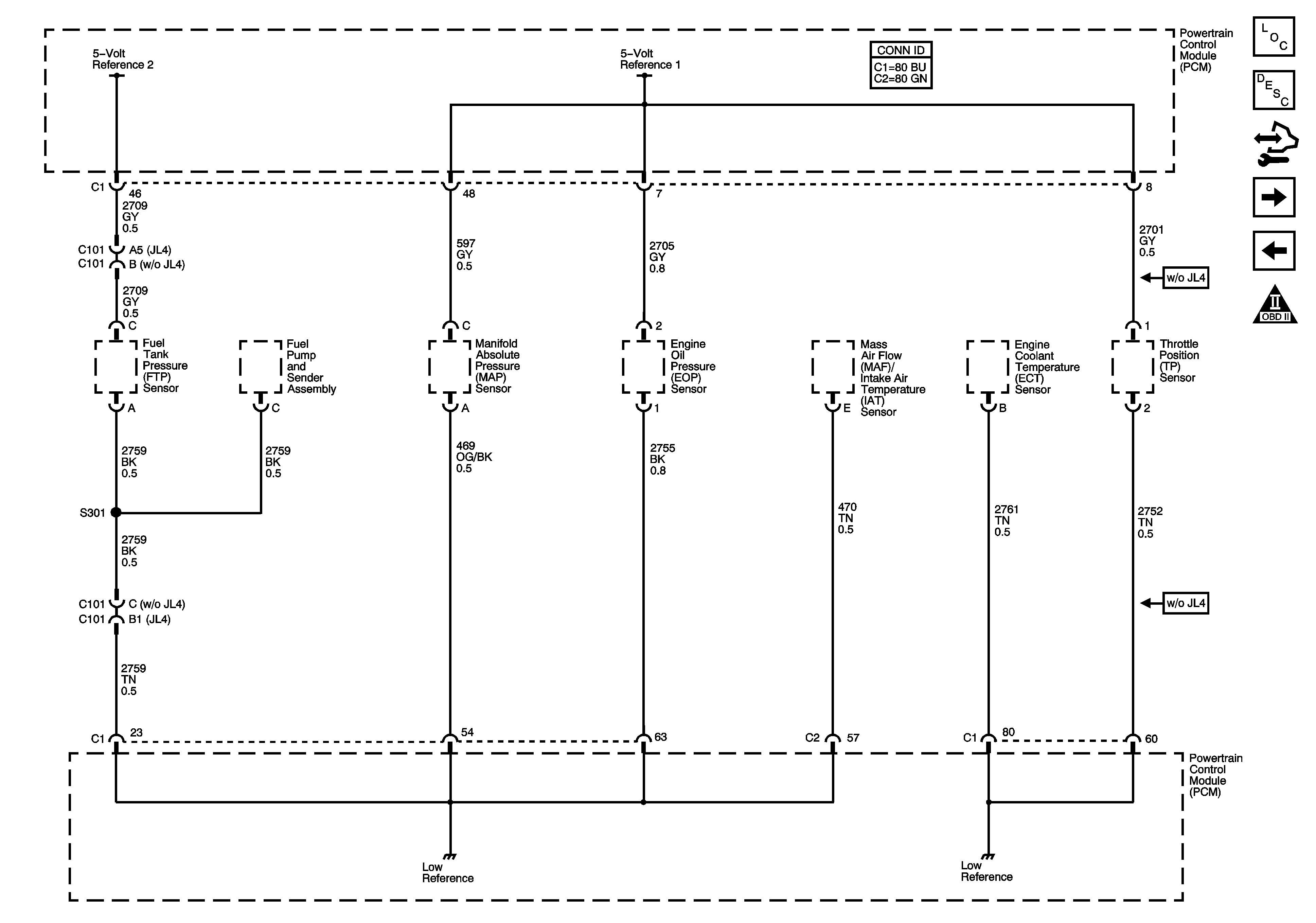
Figure 2:

Engine Data Sensors - 5-Volt and Low Reference


Object Number: 1565192  Size: FS
Master Electrical Component List
Powertrain Control Module Description
Control Module References
Engine Data Sensors - Pressure, Temperature, and Position
Module Power, Ground, Serial Data, and MIL
OBD II Symbol Description Notice
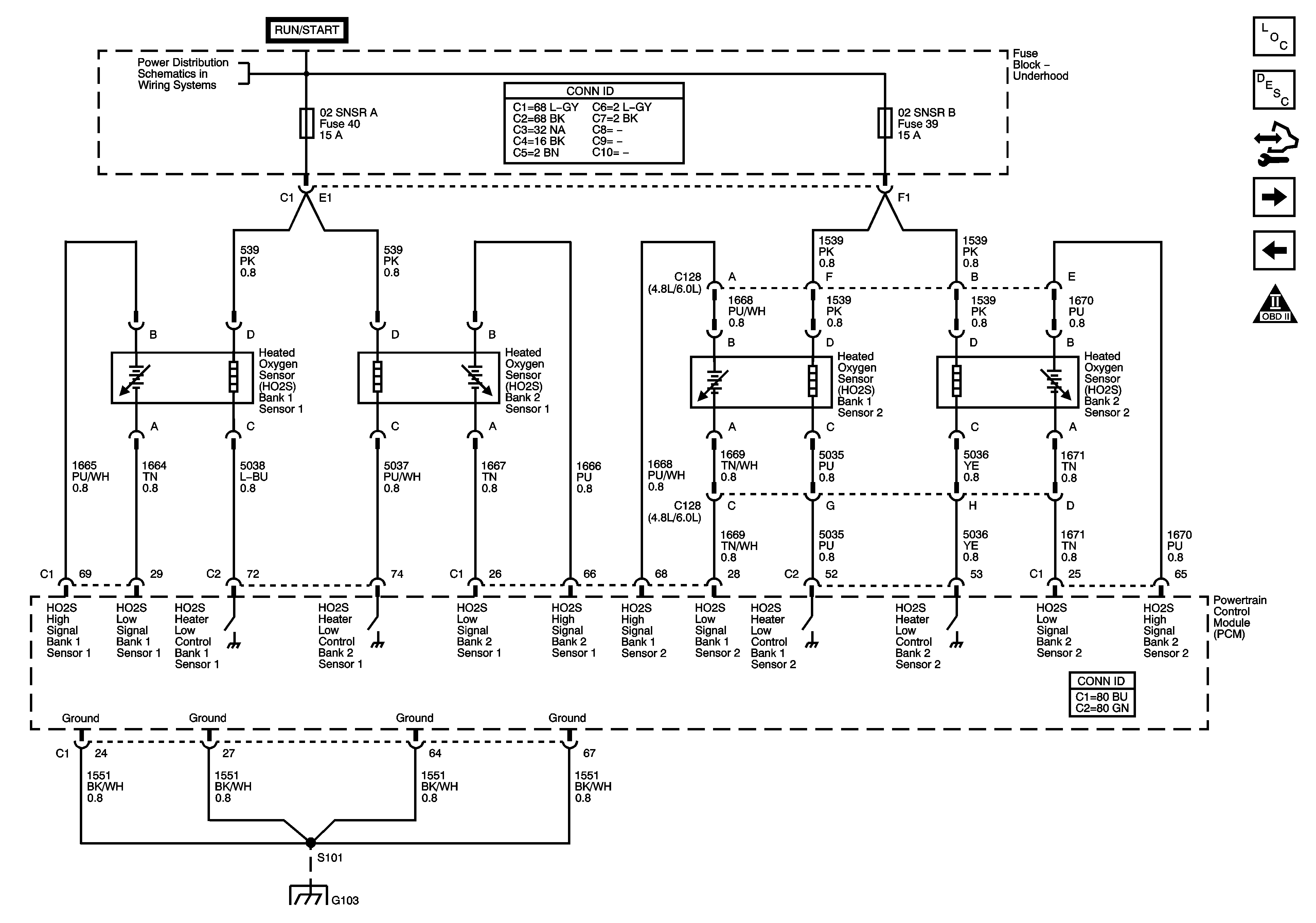
Figure 3:

Engine Data Sensors - Pressure, Temperature, and Position


Object Number: 1565194  Size: FS
Master Electrical Component List
Powertrain Control Module Description
Control Module References
Engine Data Sensors - Oxygen Sensors
Engine Data Sensors - 5-Volt and Low Reference
OBD II Symbol Description Notice
Ignition Switch - ACCY/RUN, RUN/START Bus Bars and IGN B Fuse
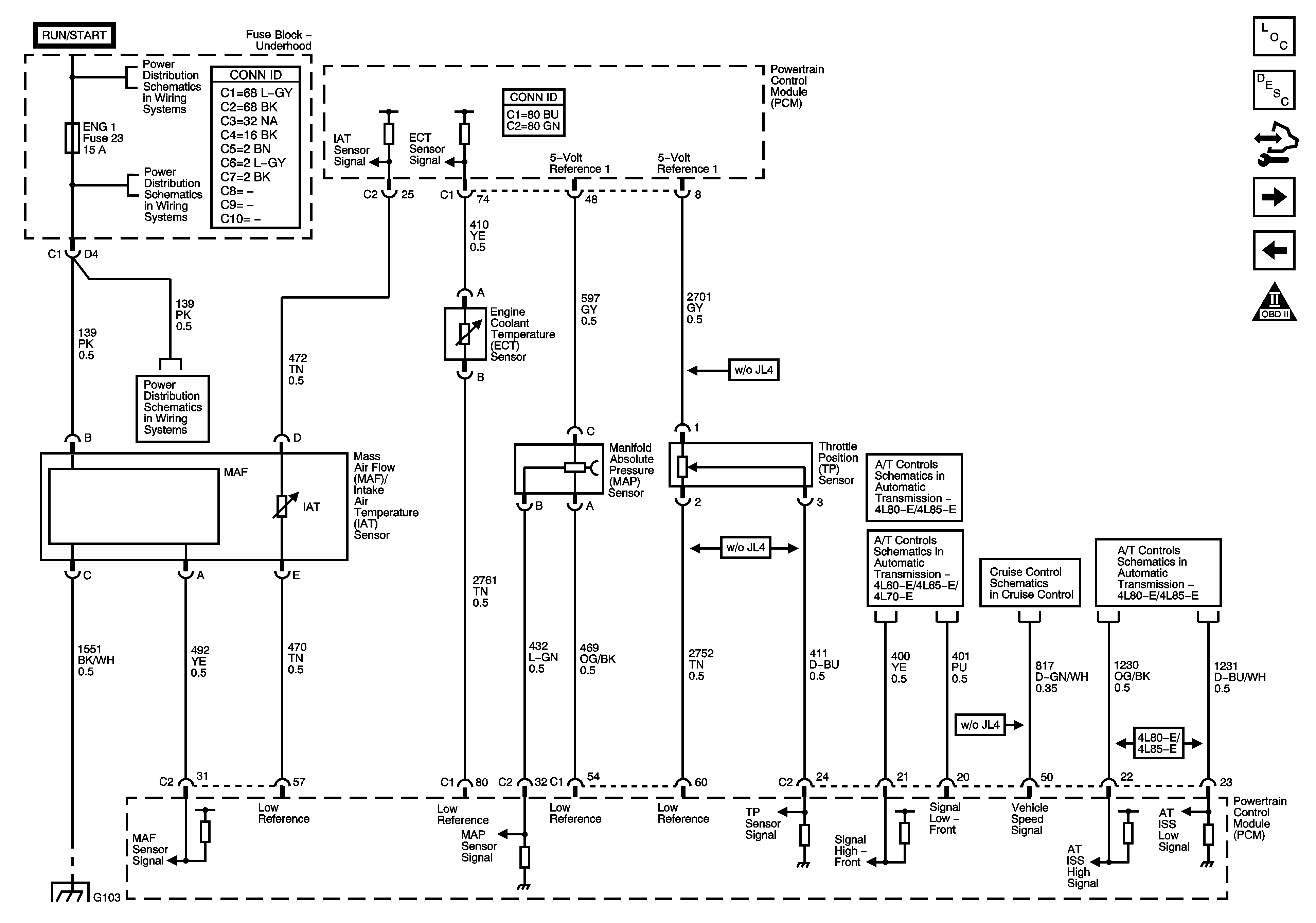
ENG 1 and ENG 2 Fuses - 4.8L, 5.3L, and 6.0L
ENG 1 and ENG 2 Fuses - 4.8L, 5.3L, and 6.0L
Pressure Controls, Temperature, and VSS
Pressure Controls, Temperature, and VSS
Gas - w/o JL4
Pressure Controls, Temperature, and VSS
G103, G104, G105, G106, G107, G108, G300, G301, and G305
Figure 4:

Engine Data Sensors - Oxygen Sensors


Object Number: 1565197  Size: FS
Master Electrical Component List
Powertrain Control Module Description
Control Module References
Engine Data Sensors - Electronic Throttle Control (JL4)
Engine Data Sensors - Pressure, Temperature, and Position
OBD II Symbol Description Notice
Ignition Switch - ACCY/RUN, RUN/START Bus Bars and IGN B Fuse
G103, G104, G105, G106, G107, G108, G300, G301, and G305
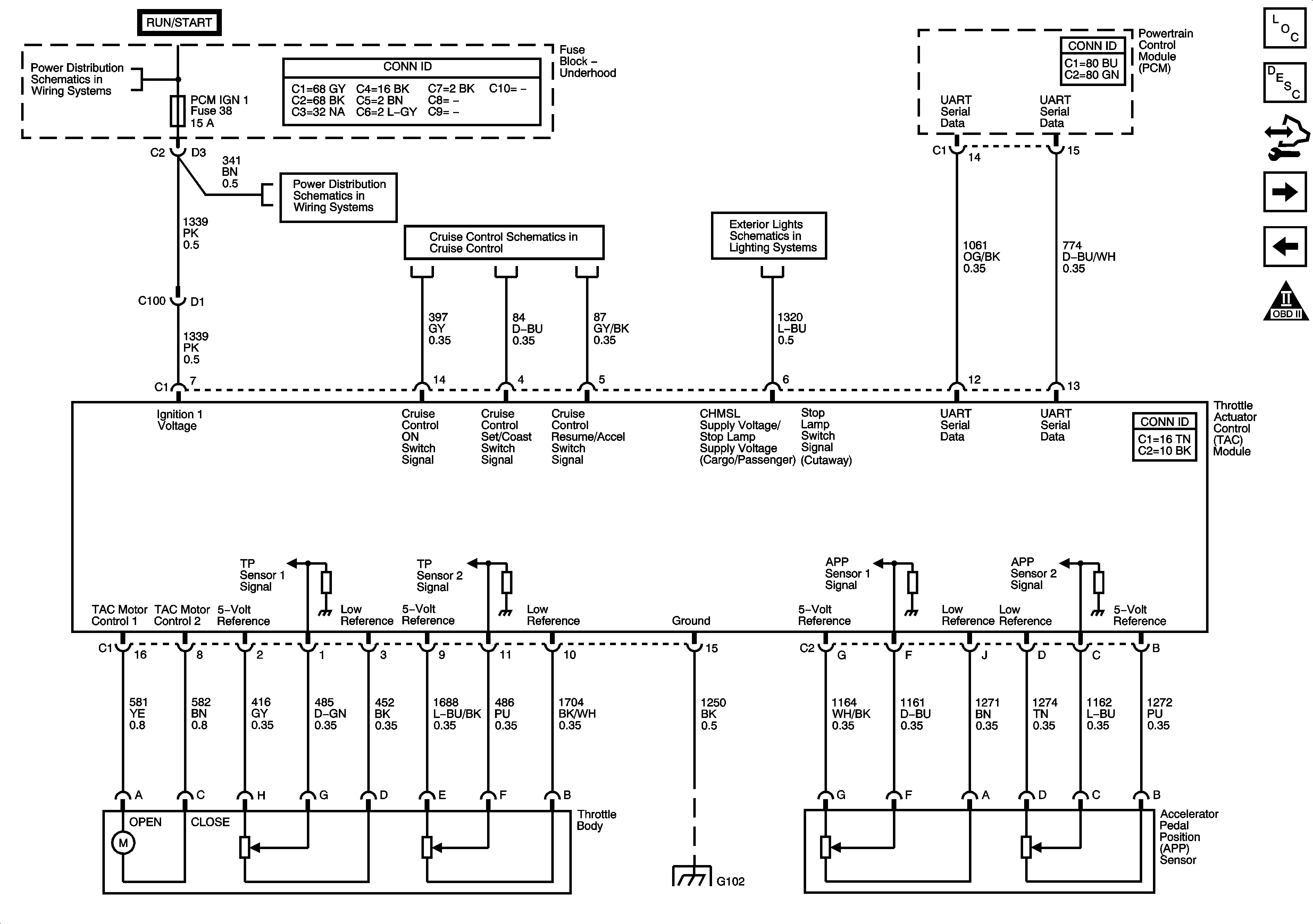
Figure 5:

Engine Data Sensors - Electronic Throttle Control (JL4)


Object Number: 1565199  Size: FS
Master Electrical Component List
Powertrain Control Module Description
Control Module References
Ignition Controls - Ignition System Coils 1, 3, 5, 7
Engine Data Sensors - Oxygen Sensors
OBD II Symbol Description Notice
Ignition Switch - ACCY/RUN, RUN/START Bus Bars and IGN B Fuse
BTSI, BTSI BCK/UP, ECM/TCM/GLOW PLUG CNTRL MDL IGN 1, FUEL HTR, O2 SNSR A, O2 SNSR B, PCM IGN 1, SPARE and TRLR BCK/UP Fuses
Gas - JL4
Stop Lamp Switch
G102
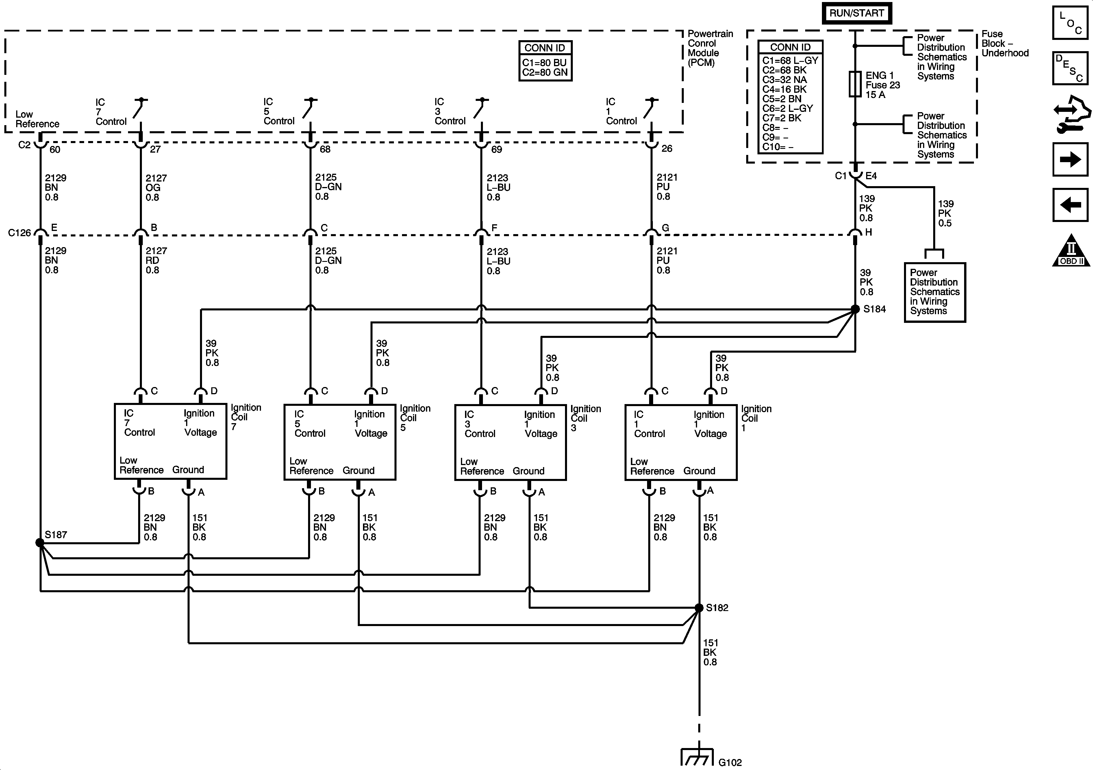
Figure 6:

Ignition Controls - Ignition System Coils 1, 3, 5, 7


Object Number: 1565202  Size: FS
Master Electrical Component List
Powertrain Control Module Description
Control Module References
Ignition Controls - Ignition System Coils 2, 4, 6, 8
Engine Data Sensors - Electronic Throttle Control (JL4)
OBD II Symbol Description Notice
Ignition Switch - ACCY/RUN, RUN/START Bus Bars and IGN B Fuse
ENG 1 and ENG 2 Fuses - 4.8L, 5.3L, and 6.0L
ENG 1 and ENG 2 Fuses - 4.8L, 5.3L, and 6.0L
G102
Figure 7:

Ignition Controls - Ignition System Coils 2, 4, 6, 8


Object Number: 1565203  Size: FS
Master Electrical Component List
Powertrain Control Module Description
Control Module References
Ignition Controls - Sensors
Ignition Controls - Ignition System Coils 1, 3, 5, 7
OBD II Symbol Description Notice
Ignition Switch - ACCY/RUN, RUN/START Bus Bars and IGN B Fuse
ENG 1 and ENG 2 Fuses - 4.8L, 5.3L, and 6.0L
G102
Figure 8:

Ignition Controls - Sensors


Object Number: 1565204  Size: FS
Master Electrical Component List
Powertrain Control Module Description
Control Module References
Fuel Controls - Fuel Pump Controls
Ignition Controls - Ignition System Coils 2, 4, 6, 8
OBD II Symbol Description Notice
Figure 9:

Fuel Controls - Fuel Pump Controls


Object Number: 1565205  Size: FS
Master Electrical Component List
Powertrain Control Module Description
Control Module References
Fuel Controls - Fuel Injectors
Ignition Controls - Sensors
OBD II Symbol Description Notice
B+ Bus - Underhood Fuse Block - Gas
Gages
G400
G102
Figure 10:

Fuel Controls - Fuel Injectors


Object Number: 1565206  Size: FS
Master Electrical Component List
Powertrain Control Module Description
Control Module References
Fuel Controls - EVAP and Device Controls
Fuel Controls - Fuel Pump Controls
OBD II Symbol Description Notice
ENG 1 and ENG 2 Fuses - 4.8L, 5.3L, and 6.0L
Ignition Switch - ACCY/RUN, RUN/START Bus Bars and IGN B Fuse
Figure 11:

Fuel Controls - EVAP and Device Controls


Object Number: 1565207  Size: FS
Master Electrical Component List
Powertrain Control Module Description
Control Module References
Controlled/Monitored Subsystem and Transmission References
Fuel Controls - Fuel Injectors
OBD II Symbol Description Notice
B+ Bus - Underhood Fuse Block - Gas
AUX PWR, BLWR, CNSTR VENT SOL, IPC, LTR, REAR FOG LMPS, and STOP LAMP Fuses
Ignition Switch - ACCY/RUN, RUN/START Bus Bars and IGN B Fuse
ENG 1 and ENG 2 Fuses - 4.8L, 5.3L, and 6.0L
ENG 1 and ENG 2 Fuses - 4.8L, 5.3L, and 6.0L
Gages
Power, Ground, Serial Data, Indicator, VSS, and Stop Lamp Switch (JL4)
Power, Ground, Serial Data, Indicator, and Stop Lamp Switch (w/o JL4)
Figure 12:

Controlled/Monitored Subsystem and Transmission References


Object Number: 1565209  Size: FS
Master Electrical Component List
Powertrain Control Module Description
Control Module References
Fuel Controls - EVAP and Device Controls
OBD II Symbol Description Notice
Compressor Controls (C60)
Power, Ground, Serial Data, Indicator, VSS, and Stop Lamp Switch (JL4)
Wheel Speed Sensors and VSS (w/o JL4)
Power, Ground, Serial Data, Indicator, VSS, and Stop Lamp Switch (JL4)
Gas - w/o JL4
Charging System - Gas
Starting System - Gas
Gages
Indicators
PNP Switch, Tow/Haul Switch, Serial Data, and Indicator
PNP Switch, Tow/Haul Switch, Serial Data, and Indicator
Pressure Controls, Temperature, and VSS
Shift Controls and Stop Lamp Switch
Pressure Controls, Temperature, and VSS
Pressure Controls, Temperature, and VSS
Pressure Controls, Temperature, and VSS