GM Service Manual Online
For 1990-2009 cars only
Makes
🢒
Chevrolet
🢒
2006
🢒
Express
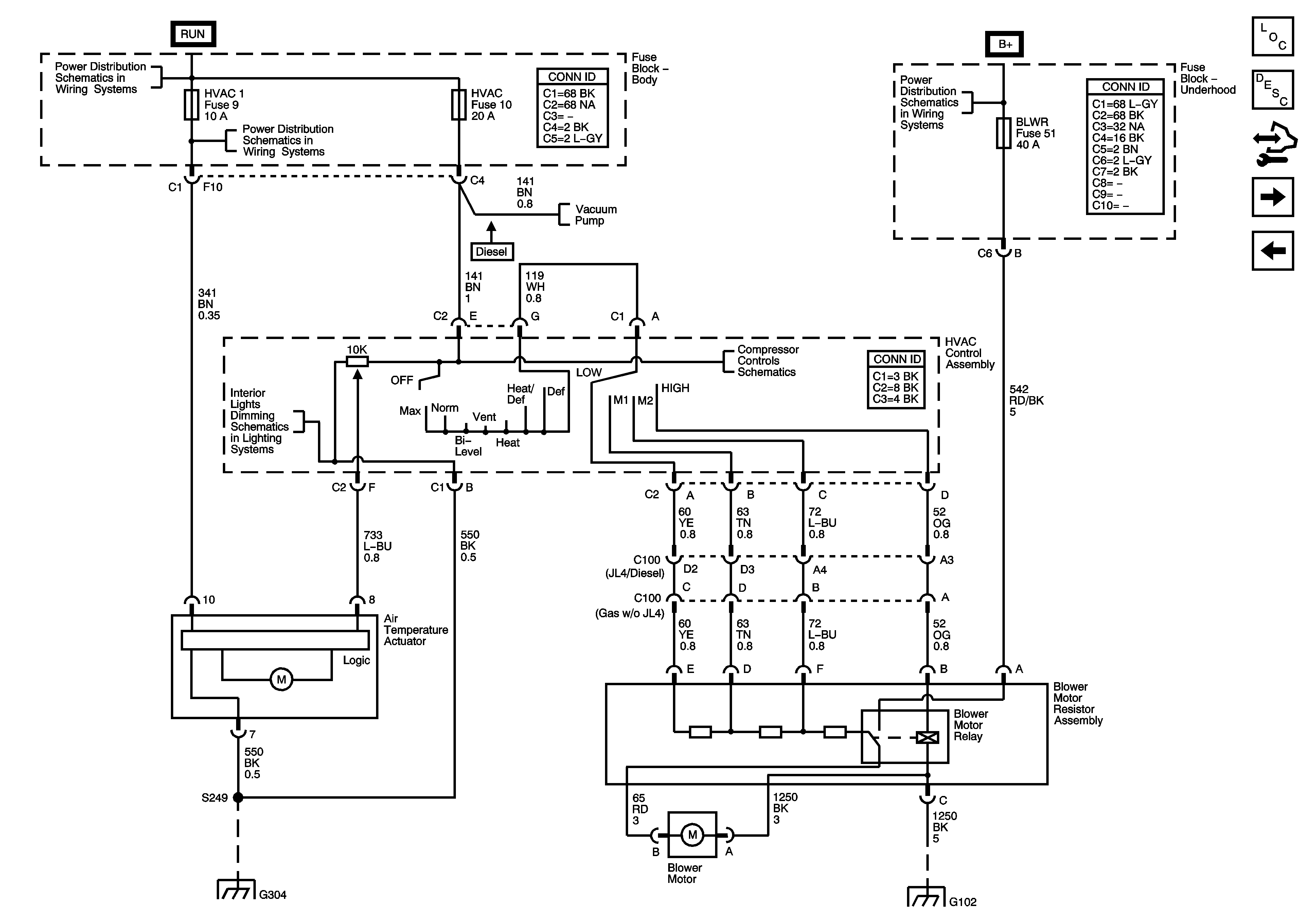
🢒 Primary Blower and Air Delivery Controls (C60)
Primary Blower and Air Delivery Controls (C60)
Primary Blower and Air Delivery Controls (C60)
Master Electrical Component List
Air Delivery Description and Operation
Control Module References
Compressor Controls (C60)
Primary Blower and Air Delivery Controls (C42) and Vacuum Pump (Diesel)
Ignition Switch - ACCY/RUN/START, RUN, START Bus Bars and IGN A Fuse
HVAC 1 Fuse
I/P Dimming Supply Voltage - 1 of 3 and LED Dimming Supply Voltage
Primary Blower and Air Delivery Controls (C42) and Vacuum Pump (Diesel)
Compressor Controls (C60)
AUX PWR, BLWR, CNSTR VENT SOL, IPC, LTR, REAR FOG LMPS, and STOP LAMP Fuses
G304
G102