GM Service Manual Online
For 1990-2009 cars only
Makes
🢒
Chevrolet
🢒
2006
🢒
Express
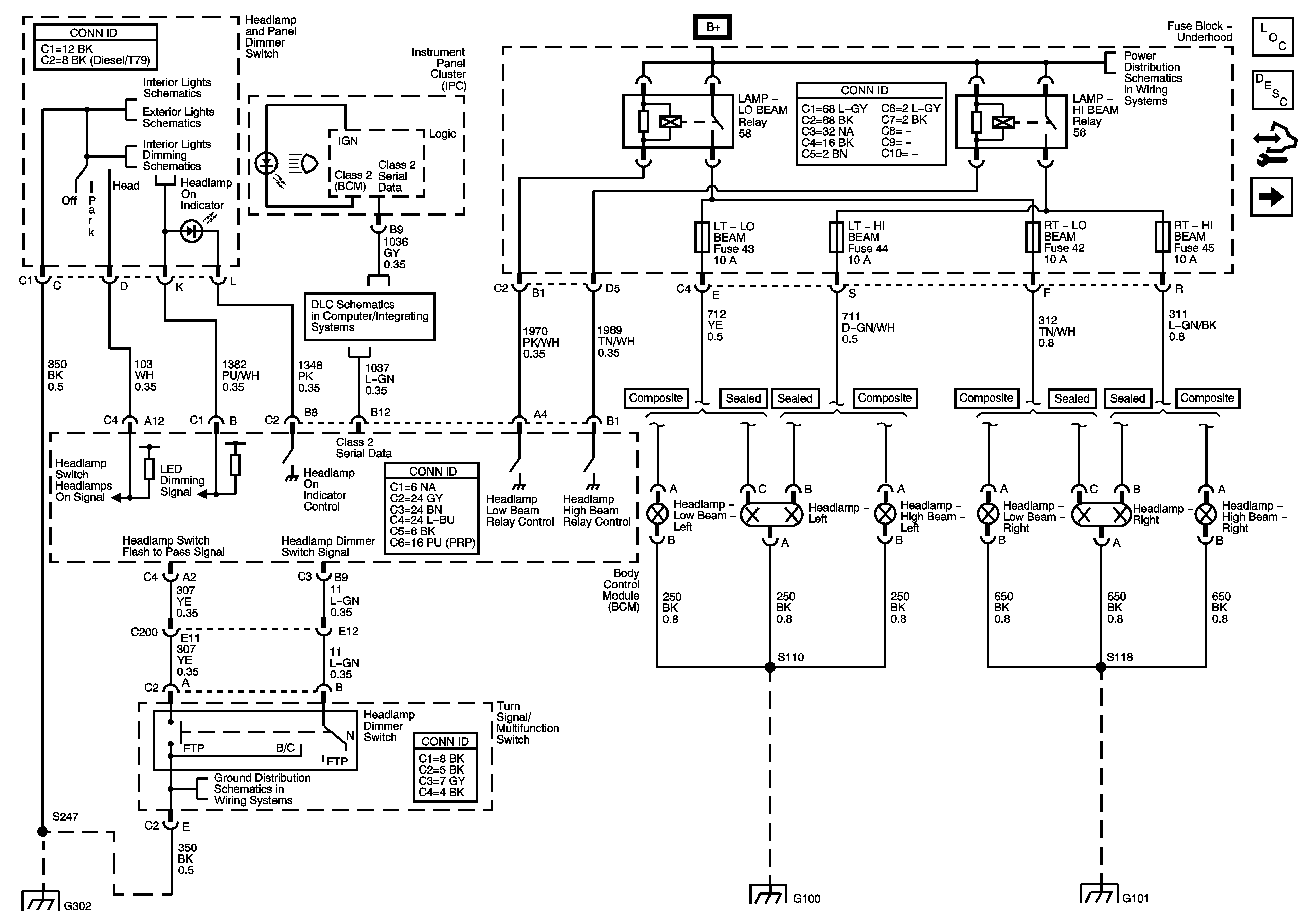
🢒 Headlamps
Headlamps
Headlamps
Master Electrical Component List
Exterior Lighting Systems Description and Operation
Control Module References
Daytime Running Lamps (DRL)
Dome and Courtesy Lamp Switch Signals and Door Latch Assemblies
Park Lamp Relay Control and Front Park Lamps
I/P Dimming Supply Voltage - 1 of 3 and LED Dimming Supply Voltage
Power, Ground, DLC, and Splice Pack SP200
B+ Bus - Underhood Fuse Block - Gas
G302
G302
G100 and G101
G100 and G101