GM Service Manual Online
For 1990-2009 cars only
Makes
🢒
Chevrolet
🢒
2006
🢒
HHR
🢒
Vehicle Control Systems
🢒
Computer/Integrating Systems
🢒 Body Control System Schematics
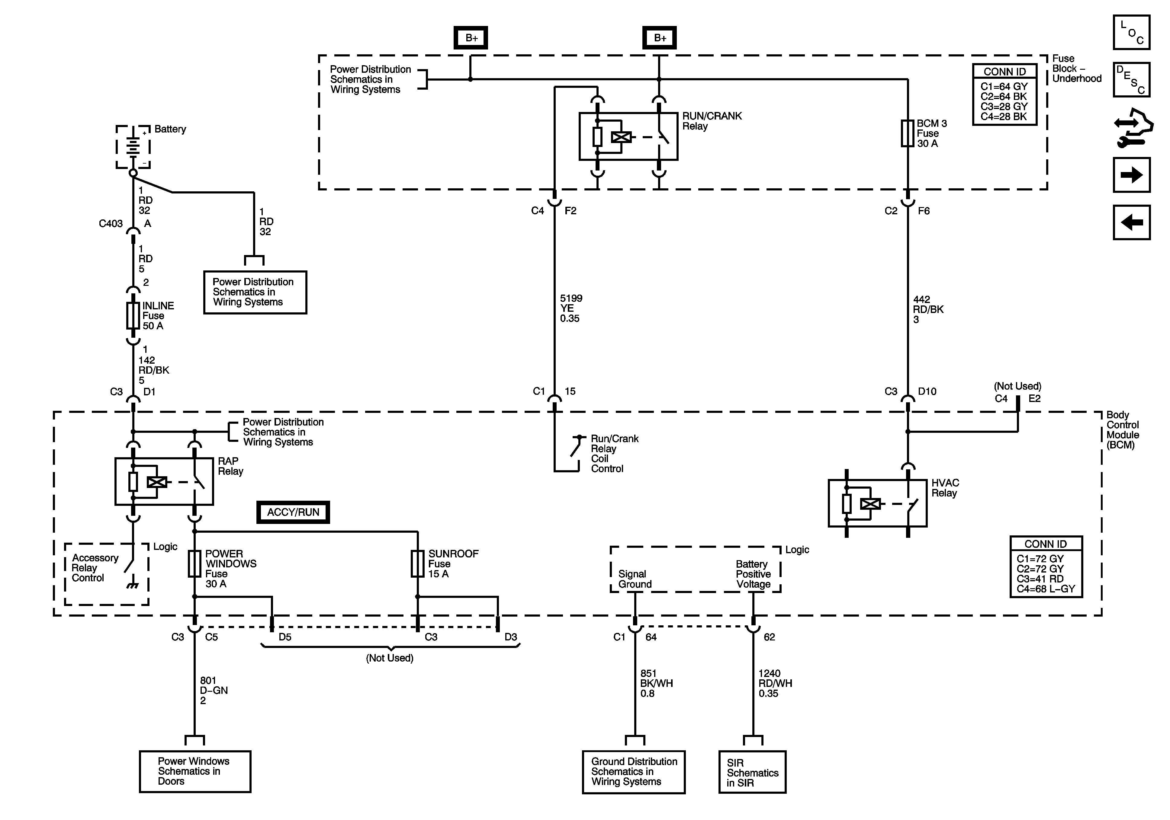
Figure
1:
Power, Ground, Data Link, and Engine References
Master Electrical Component List
Body Control System Description and Operation
Control Module References
Run/Crank, RAP, HVAC Relays, BCM3, PWR WINDOWS, SUNROOF Fuses
Underhood Fuse Block - B+ Bus
Body Control Module - BCM 2, HVAC / PK3, CLUSTER, IGN SW, STOP LPS, and AMP Fuses
Body Control Module - RAP, DRIVERS DOOR UNLOCK PCB, DOOR UNLOCK PCB, DOOR LOCK PCB and INTERIOR LAMPS PCB Relays, RDO, PWR WINDW, DR LCK, INT LIGHT, ECM / TCM, SDM, S ROOF and SPARE Fuses
Body Control Module - BCM 2, HVAC / PK3, CLUSTER, IGN SW, STOP LPS, and AMP Fuses
High Speed GMLAN
DLC Power Ground, and Low Speed GMLAN
Interior Lights
Door Lock Indicator Schematics
G201 and G203
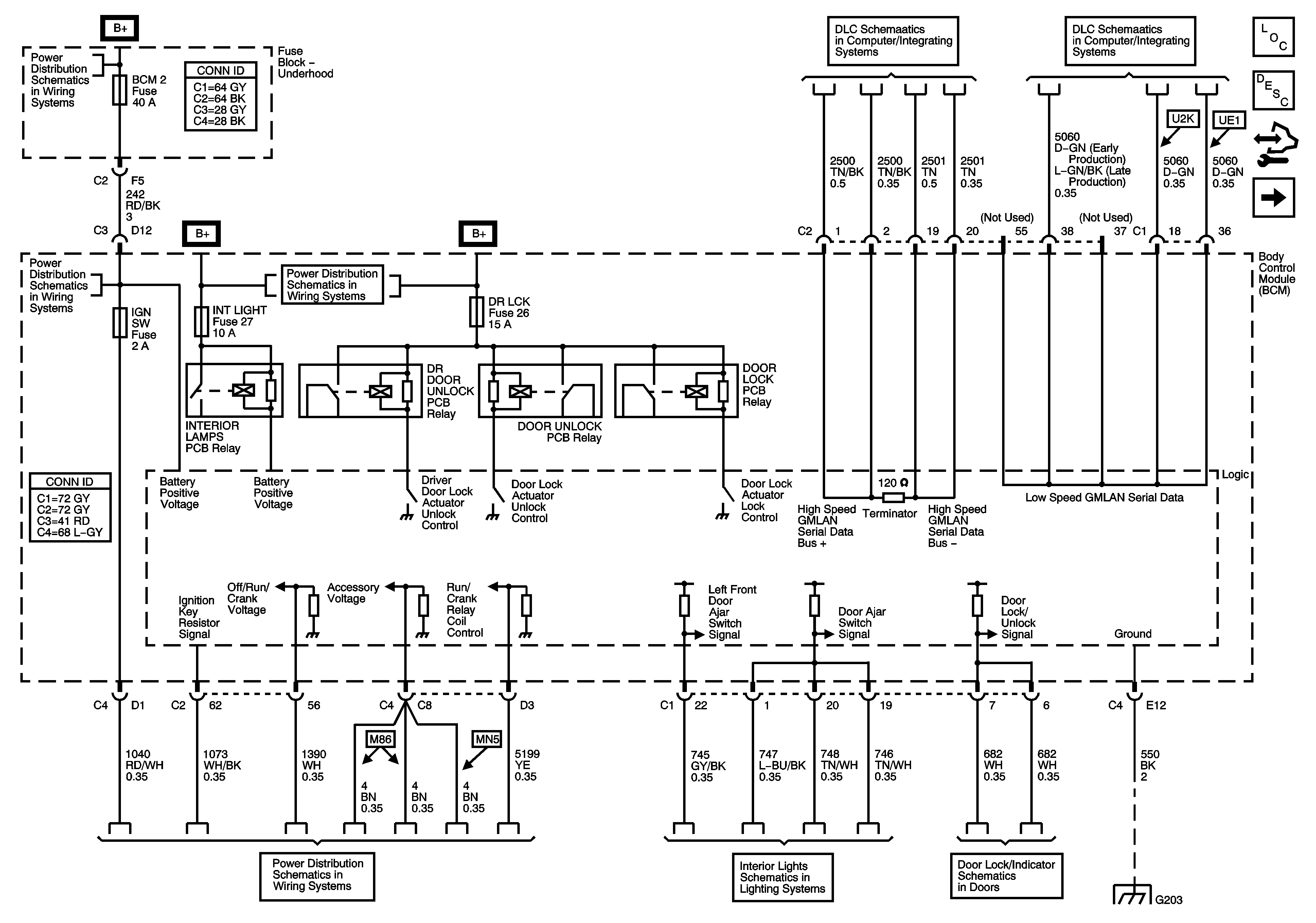
Figure
2:
RUN/CRANK, RAP, HVAC Relays, PWR Windows, Sunroof, Fuses
Master Electrical Component List
Body Control System Description and Operation
Control Module References
SIR, Shift Lock Control, ABS, Brake Warning, Cruise Control, Keyless Entry, Wiper/Washer, Engine Controls, Engine Cooling References, Starting/Charging
Door Lock Indicators, Power, Ground, Data Link, and Engine References
Underhood Fuse Block - B+ Bus
Underhood Fuse Block - B+ Bus
Body Control Module - RAP, DRIVERS DOOR UNLOCK PCB, DOOR UNLOCK PCB, DOOR LOCK PCB and INTERIOR LAMPS PCB Relays, RDO, PWR WINDW, DR LCK, INT LIGHT, ECM / TCM, SDM, S ROOF and SPARE Fuses
Power Window Schematics
G402
SIR Schematics
Figure
3:
SIR, Shift Lock Control, ABS, Brake Warning, Cruise Control, Keyless Entry, Wiper/Washer, Engine Controls, Engine Cooling References, Starting/Charging
Master Electrical Component List
Body Control System Description and Operation
Control Module References
Lighting System References
Run/Crank, RAP, HVAC Relays, BCM3, PWR WINDOWS, SUNROOF Fuses
Power, Ground, MIL, and DLC
Power, Ground, MIL, and DLC
Automatic Transmission Controls Schematics
G301 and G306
Ambient Air Temperature Sensor, EOP Sensor, Fuel Level Sensor, and Indicators
Compressor Controls
Brake Warning System
Power, Ground, and Switches
Charging
Shift Lock Control
Rear Wiper/Washer Control
Seat Belts
Keyless Entry System Schematics
Figure
4:
Lighting System References
Master Electrical Component List
Body Control System Description and Operation
Control Module References
Body Rear End, Defogger, Headlights/DRL, Horns, and Wiper/Washer References
SIR, Shift Lock Control, ABS, Brake Warning, Cruise Control, Keyless Entry, Wiper/Washer, Engine Controls, Engine Cooling References, Starting/Charging
Fog Lamps
Inputs
Park/Turn Signal/DRL, Tail/Stop and Turn Signal, License and Side Marker Lamps
Dimmer Switch, Radio, Hazard, Fog Lamps, Steering Wheel Controls, and Rear Wiper/Washer Switches
Interior Lights
Dimmer Switch, Radio, Hazard, Fog Lamps, Steering Wheel Controls, and Rear Wiper/Washer Switches
HVAC Control Module, Console Flood Lamp, A/T Shift Lock Control Solenoid, Door Lock Switch, and Outside Rearview Mirror
Headlights/Daytime Running Lights (DRL)
Park/Turn Signal/DRL, Tail/Stop and Turn Signal, License and Side Marker Lamps
Center High Mounted Stop Lamp, B+
Figure
5:
Body Rear End, Defogger, Headlights/DRL, Horns, and Wiper/Washer References
Master Electrical Component List
Body Control System Description and Operation
Control Module References
Lighting System References
Vehicle Theft Deterrent
Rear Defogger Schematics
Horns Schematics
Front Wiper/Washer Control
Body Rear End Schematics
Headlights/Daytime Running Lights (DRL)