GM Service Manual Online
For 1990-2009 cars only
Makes
🢒
Chevrolet
🢒
2007
🢒
HHR
🢒
Diagnostic Navigation
🢒
Vehicle Diagnostic Information
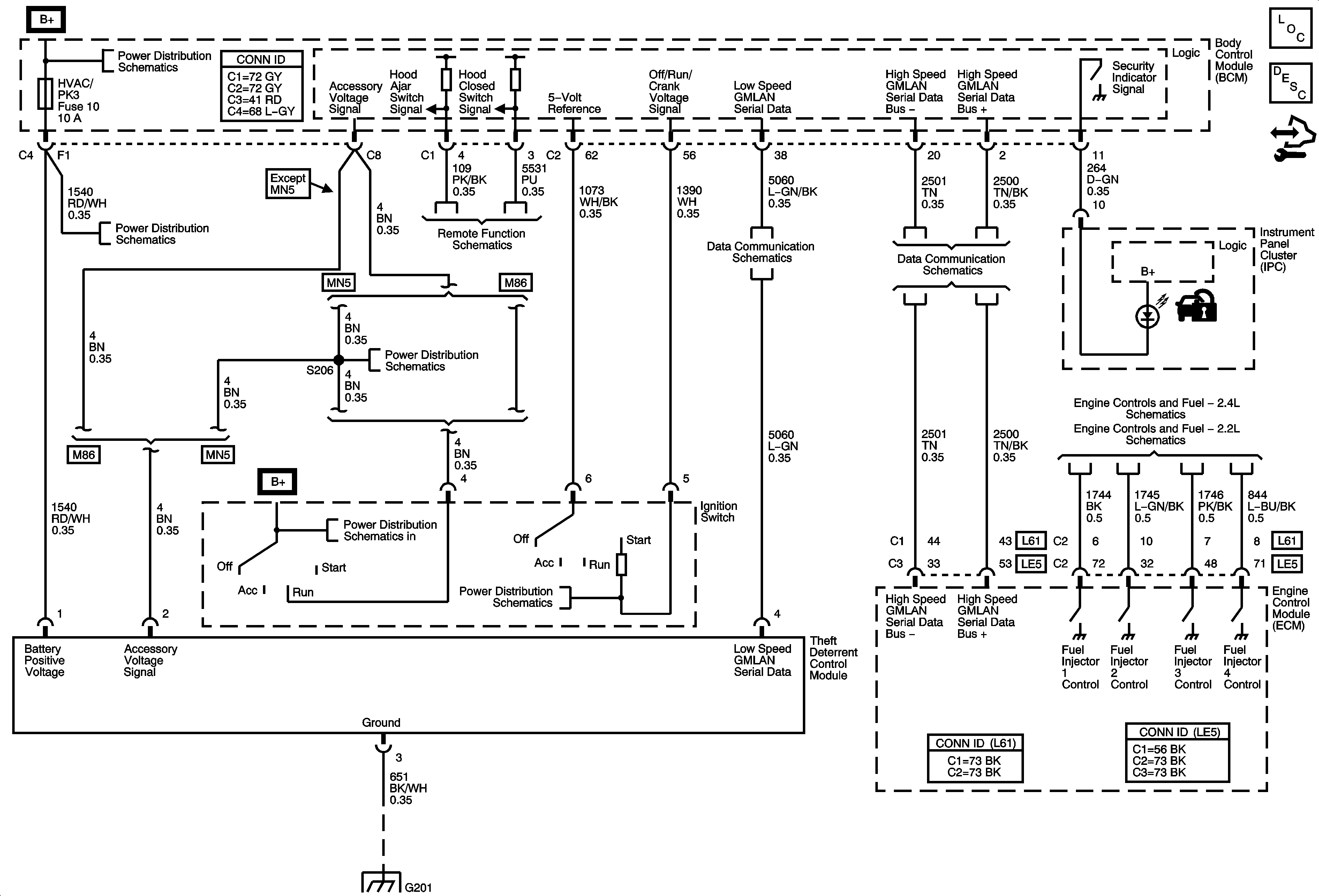
🢒 Immobilizer Schematics
Vehicle Theft Deterrent
Master Electrical Component List
Immobilizer Description and Operation
Control Module References
Body Control Module - BCM2, HVAC/PK3, CLUSTER, IGN SW, STOP LPS, and AMP Fuses
Body Control Module - BCM2, HVAC/PK3, CLUSTER, IGN SW, STOP LPS, and AMP Fuses
Body Control Module - BCM2, HVAC/PK3, CLUSTER, IGN SW, STOP LPS, and AMP Fuses
Keyless Entry
DLC Power, Ground, and Low Speed GMLAN
High Speed GMLAN
Fuel Controls
Fuel Controls
Body Control Module - BCM2, HVAC/PK3, CLUSTER, IGN SW, STOP LPS, and AMP Fuses
Body Control Module - BCM2, HVAC/PK3, CLUSTER, IGN SW, STOP LPS, and AMP Fuses
G201, G203