GM Service Manual Online
For 1990-2009 cars only
Makes
🢒
Chevrolet
🢒
2007
🢒
HHR
🢒
Driver Information and Entertainment
🢒
Cellular, Entertainment, and Navigation
🢒 Radio/Navigation System Schematics
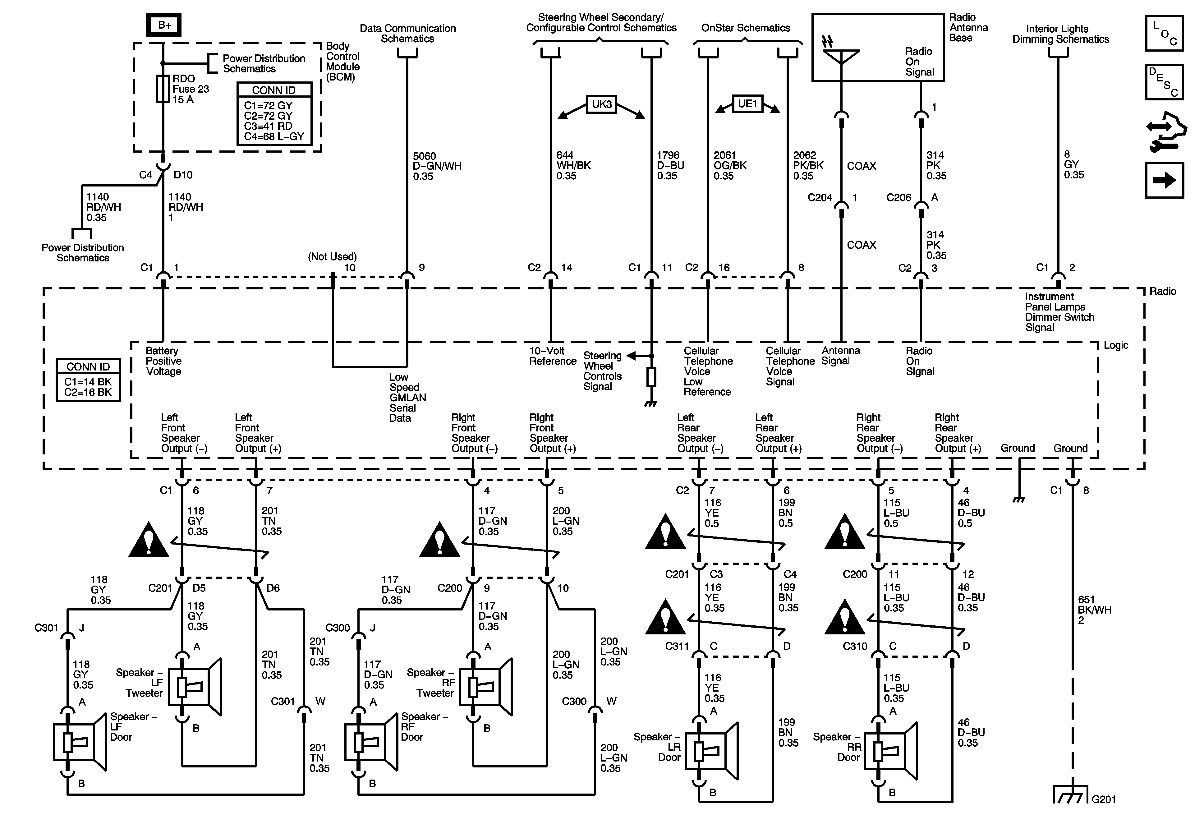
Figure
1:
Radio w/ UW5
Master Electrical Component List
Radio/Audio System Description and Operation
Control Module References
Radio w/UQ3 - 1 of 2
Body Control Module - RAP, DRIVER DOOR UNLOCK PCB, DOOR UNLOCK PCB, DOOR LOCK PCB, and INTERIOR LAMPS PCB Relays, RDO, PWR WINDW, DR LCK, INT LIGHT, ECM/TCM, SDM, S ROOF and SPARE Fuses
Body Control Module - RAP, DRIVER DOOR UNLOCK PCB, DOOR UNLOCK PCB, DOOR LOCK PCB, and INTERIOR LAMPS PCB Relays, RDO, PWR WINDW, DR LCK, INT LIGHT, ECM/TCM, SDM, S ROOF and SPARE Fuses
DLC Power, Ground, and Low Speed GMLAN
Steering Wheel
OnStar
HVAC Control Module, Console Flood Lamp, A/T Shift Lock Control Solenoid, Door Lock Switches, and Outside Rearview Mirror
Entertainment/Communication Schematic Icons
Entertainment/Communication Schematic Icons
Entertainment/Communication Schematic Icons
Entertainment/Communication Schematic Icons
Entertainment/Communication Schematic Icons
Entertainment/Communication Schematic Icons
G201, G203
Figure
2:
Radio w/ UQ3 (1 of 2)
Master Electrical Component List
Radio/Audio System Description and Operation
Control Module References
Radio w/UQ3 - 2 of 2
Radio w/UW5
Body Control Module - RAP, DRIVER DOOR UNLOCK PCB, DOOR UNLOCK PCB, DOOR LOCK PCB, and INTERIOR LAMPS PCB Relays, RDO, PWR WINDW, DR LCK, INT LIGHT, ECM/TCM, SDM, S ROOF and SPARE Fuses
Body Control Module - RAP, DRIVER DOOR UNLOCK PCB, DOOR UNLOCK PCB, DOOR LOCK PCB, and INTERIOR LAMPS PCB Relays, RDO, PWR WINDW, DR LCK, INT LIGHT, ECM/TCM, SDM, S ROOF and SPARE Fuses
DLC Power, Ground, and Low Speed GMLAN
Steering Wheel
OnStar
HVAC Control Module, Console Flood Lamp, A/T Shift Lock Control Solenoid, Door Lock Switches, and Outside Rearview Mirror
Entertainment/Communication Schematic Icons
Entertainment/Communication Schematic Icons
Entertainment/Communication Schematic Icons
Entertainment/Communication Schematic Icons
G201, G203
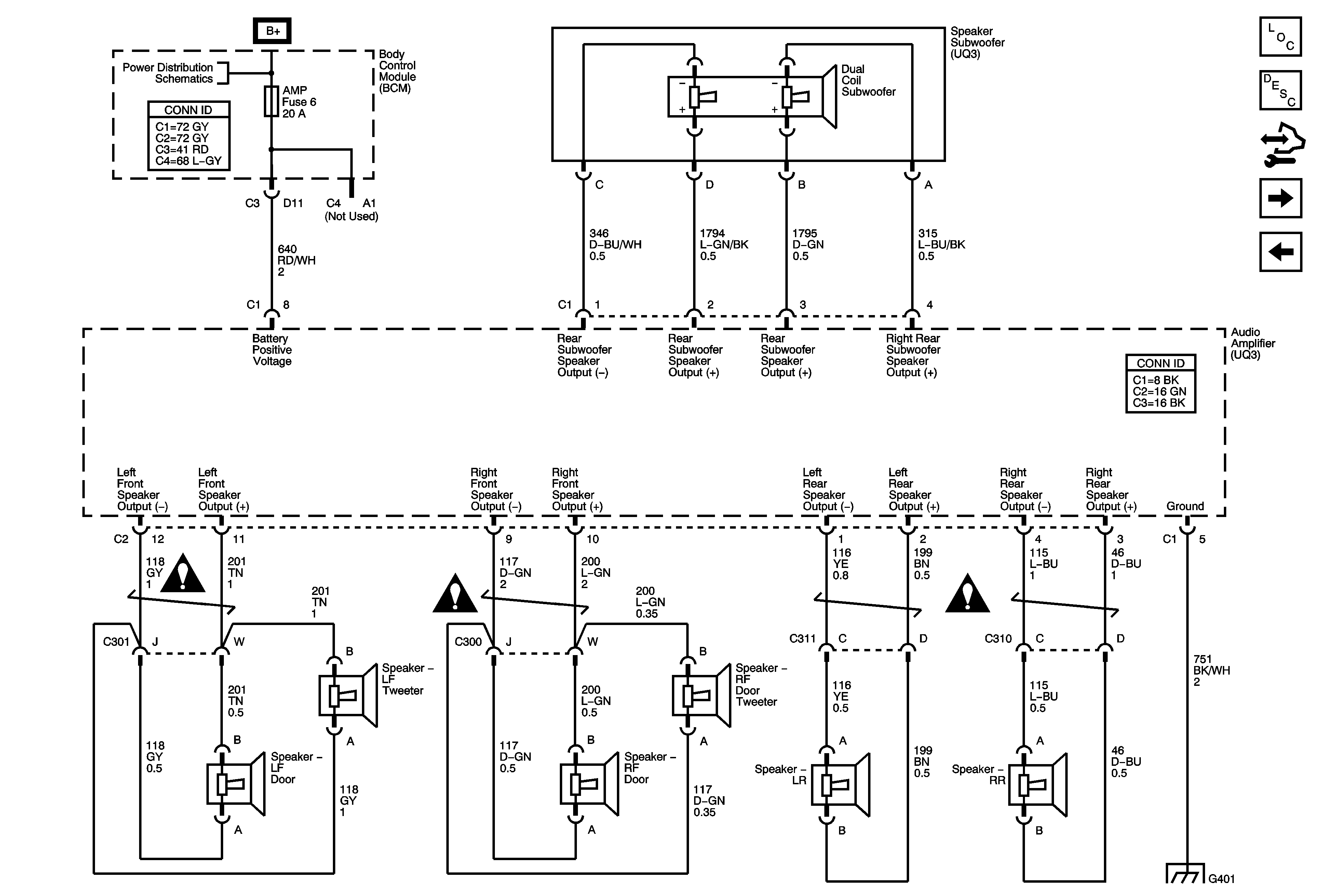
Figure
3:
Radio w/ UQ3 (2 of 2)
Master Electrical Component List
Radio/Audio System Description and Operation
Control Module References
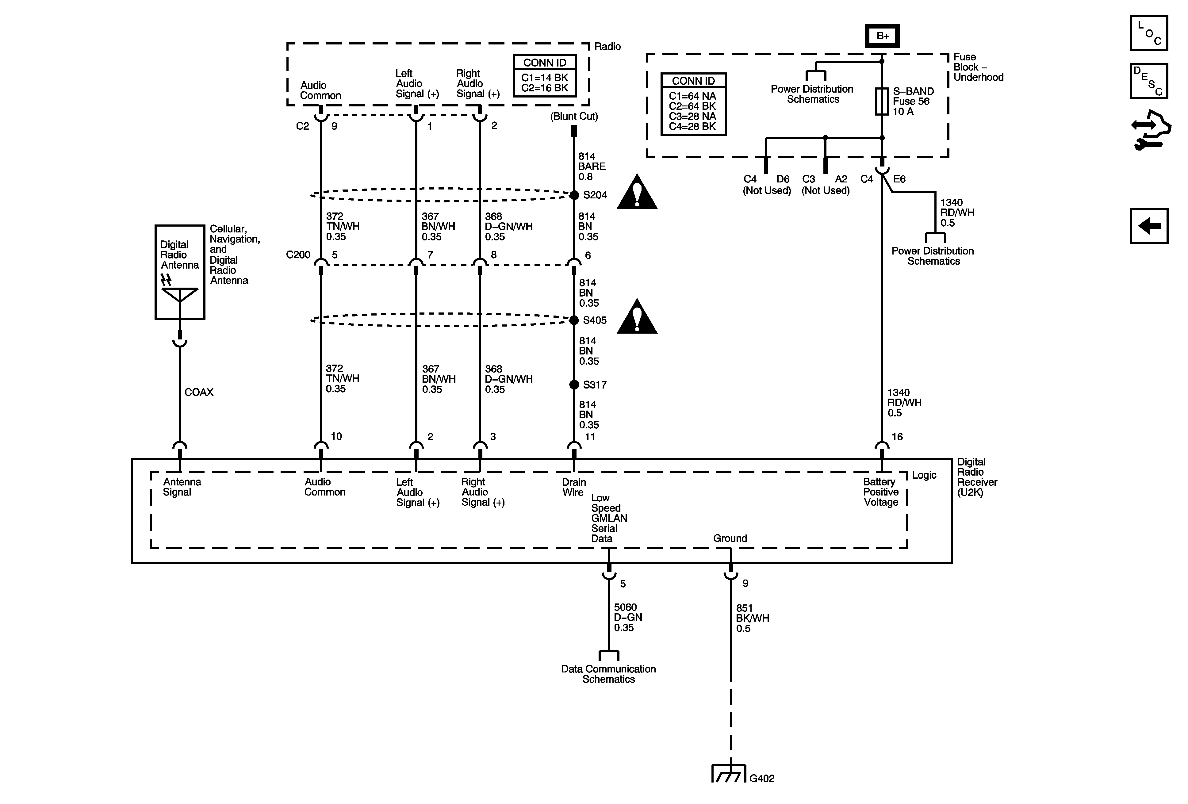
Digital Radio Receiver (U2K)
Radio w/UQ3 - 1 of 2
Body Control Module - BCM2, HVAC/PK3, CLUSTER, IGN SW, STOP LPS, and AMP Fuses
Entertainment/Communication Schematic Icons
Entertainment/Communication Schematic Icons
Entertainment/Communication Schematic Icons
G401, G403
Figure
4:
Digital Radio Receiver (U2K)
Master Electrical Component List
Radio/Audio System Description and Operation
Control Module References
Radio w/UQ3 - 2 of 2
Underhood Fuse Block - RUN/CRANK Relay, I/P IGN, PRK/NEUT, HTD/SEAT/BKC/UP, ABS (10A), ECM TRANS, ABS (30A), EPS, BCM2, BCM3, FRT AUX PWR OUTLET, S-BAND Fuses
Entertainment/Communication Schematic Icons
Entertainment/Communication Schematic Icons
Underhood Fuse Block - RUN/CRANK Relay, I/P IGN, PRK/NEUT, HTD/SEAT/BKC/UP, ABS (10A), ECM TRANS, ABS (30A), EPS, BCM2, BCM3, FRT AUX PWR OUTLET, S-BAND Fuses
DLC Power, Ground, and Low Speed GMLAN
G402