GM Service Manual Online
For 1990-2009 cars only
Makes
🢒
Chevrolet
🢒
2007
🢒
HHR
🢒 Fog Lamps
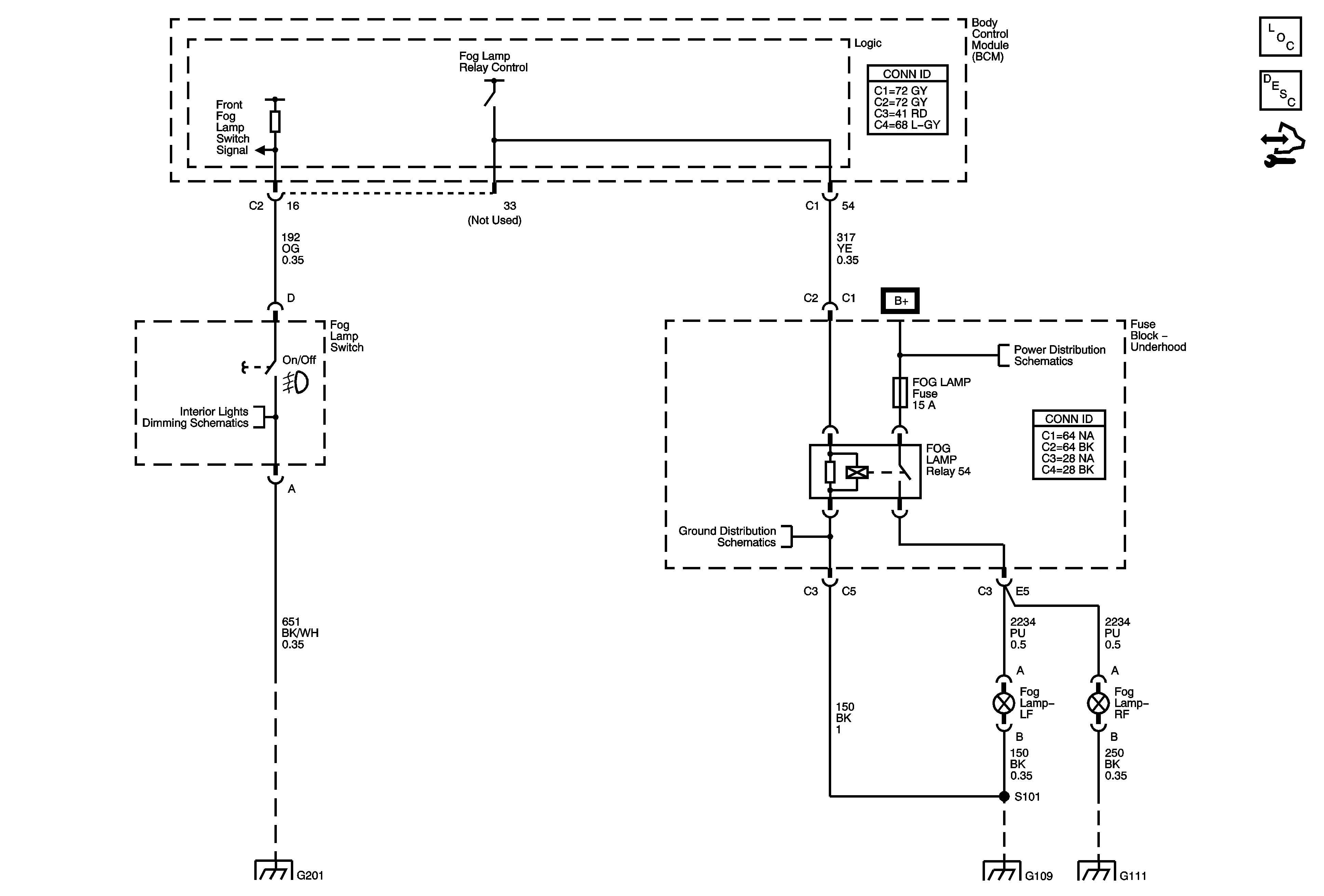
Fog Lamps
Master Electrical Component List
Exterior Lighting Systems Description and Operation
Control Module References
Dimmer Switch, Radio, Hazard, Fog Lamp, Steering Wheel Controls and Rear Wiper/Washer Switches
G109
Underhood Fuse Block - B+ Bus
G201, G203
G109
G111