GM Service Manual Online
For 1990-2009 cars only
Makes
🢒
Chevrolet
🢒
2007
🢒
HHR
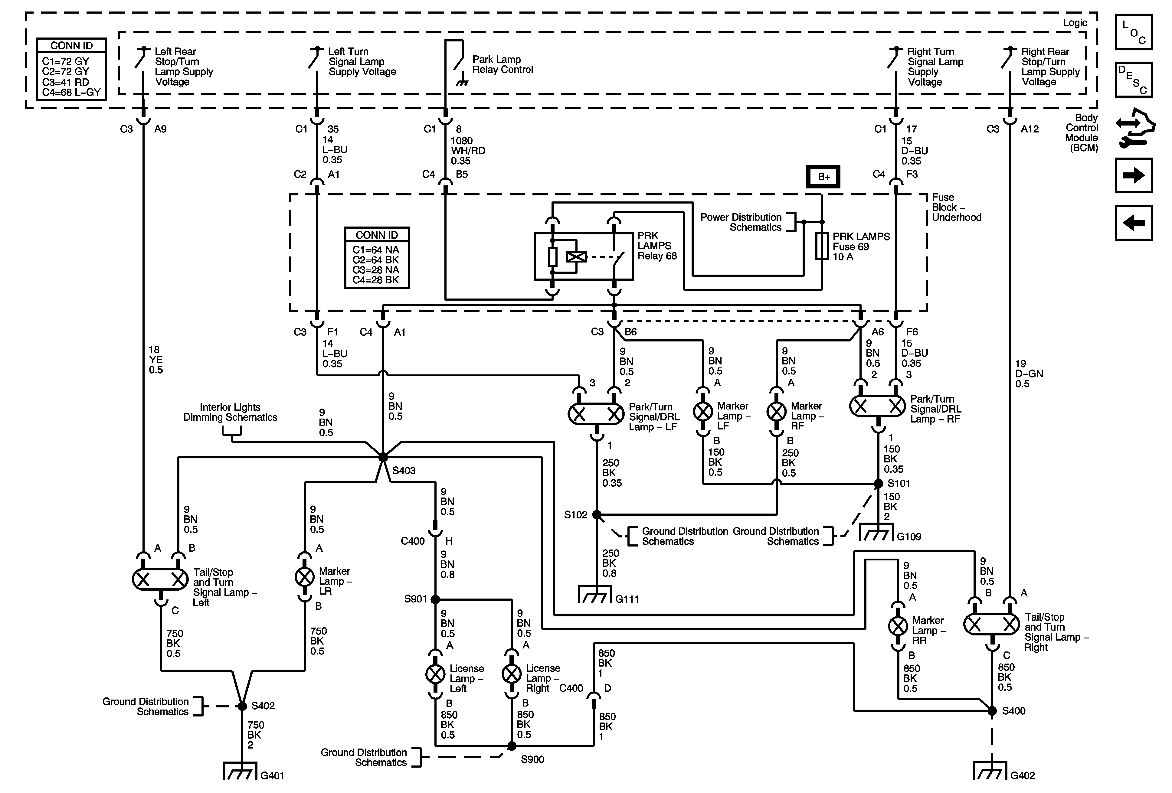
🢒 Park/Turn Signal/DRL, License and Side Marker Lamps
Park/Turn Signal/DRL, License and Side Marker Lamps
Park/Turn Signal/DRL, Tail/Stop and Turn Signal, License, and Side Marker Lamps
Master Electrical Component List
Exterior Lighting Systems Description and Operation
Control Module References
Center High Mounted Stop Lamp, B+
Inputs
Underhood Fuse Block - B+ Bus
Dimmer Switch, Radio, Hazard, Fog Lamp, Steering Wheel Controls and Rear Wiper/Washer Switches
G111
G111
G109
G109
G401, G403
G401, G403
G402
G402