GM Service Manual Online
For 1990-2009 cars only
Makes
🢒
Chevrolet
🢒
2007
🢒
HHR
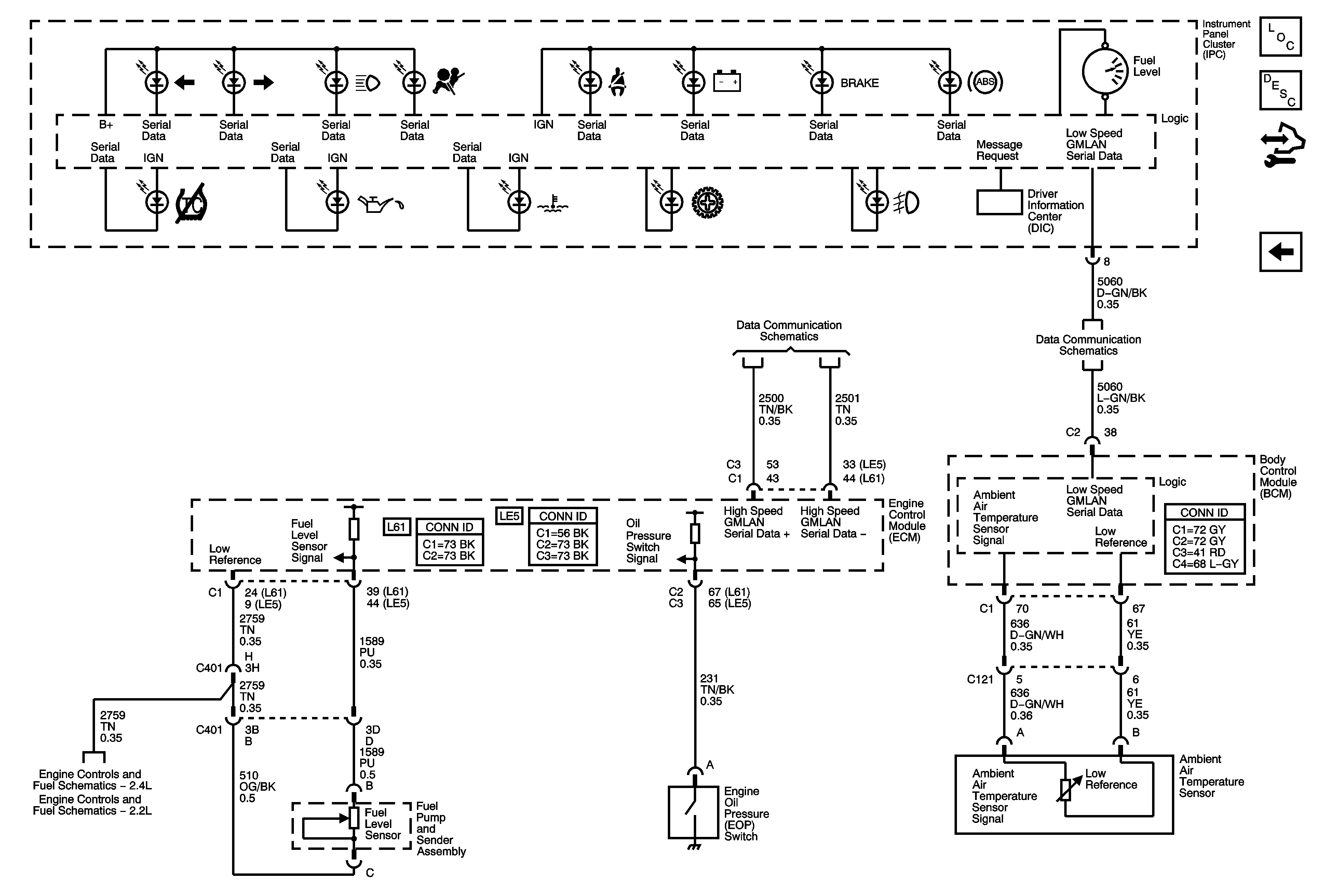
🢒 Ambient Air Temperature Sensor, EOP Sensor, Fuel Level Sensor, and Indicators
Ambient Air Temperature Sensor, EOP Sensor, Fuel Level Sensor, and Indicators
Ambient Air Temperature Sensor, EOP Sensor, Fuel Level Sensor, and Indicators
Master Electrical Component List
Instrument Cluster Description and Operation
Control Module References
Power, Ground, DIC, Illumination, MIL, and Security Indicator
High Speed GMLAN
DLC Power, Ground, and Low Speed GMLAN
Engine Data Sensors 5-Volt and Low Reference
Engine Data Sensors 5-Volt and Low References