GM Service Manual Online
For 1990-2009 cars only
Makes
🢒
Chevrolet
🢒
2007
🢒
HHR
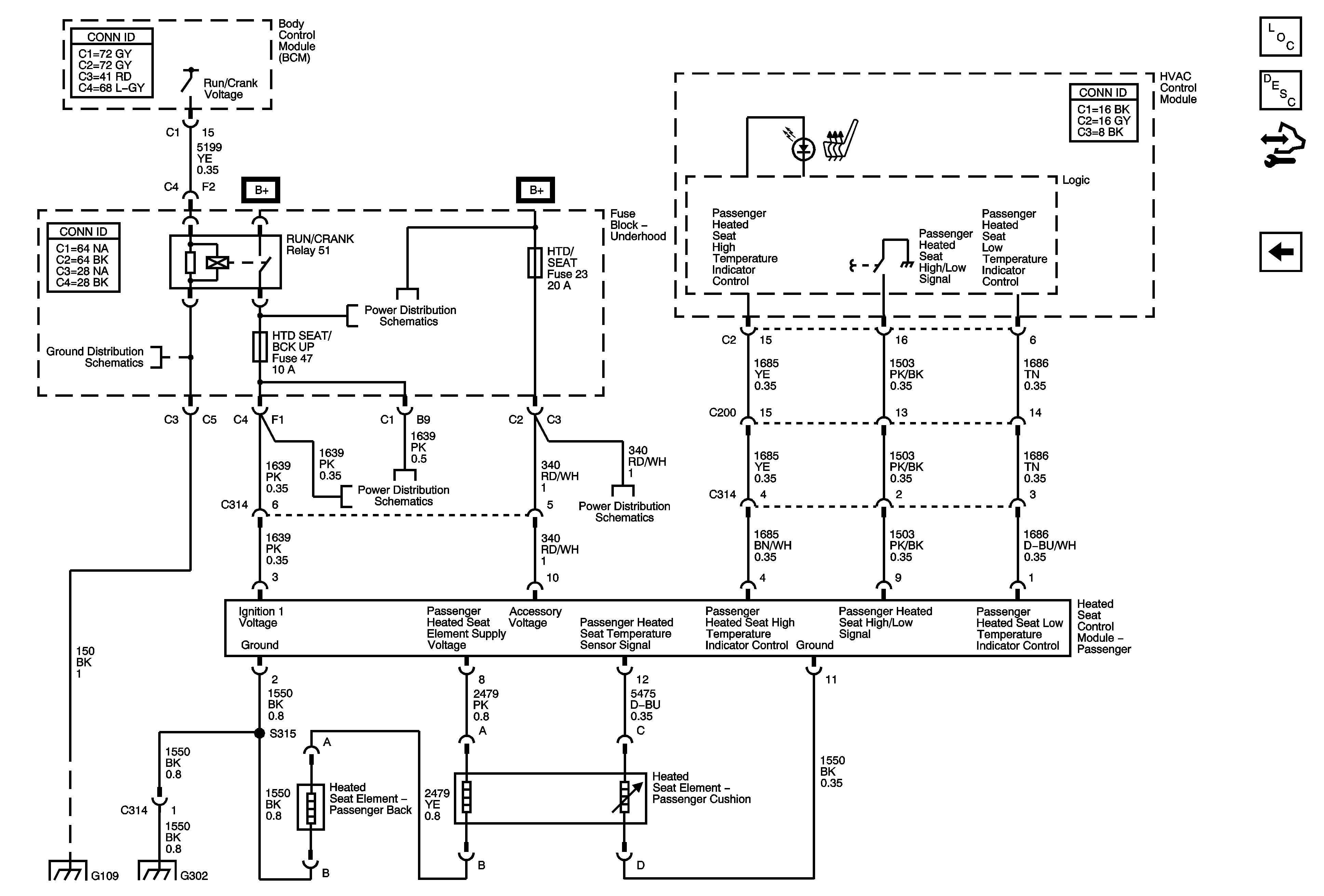
🢒 Heated Seat - Passenger
Heated Seat - Passenger
Heated Seat - Passenger
Master Electrical Component List
Heated Seats Description and Operation
Control Module References
Heated Seat - Driver
G109
Underhood Fuse Block - RUN/CRANK Relay, I/P IGN, PRK/NEUT, HTD/SEAT/BKC/UP, ABS (10A), ECM TRANS, ABS (30A), EPS, BCM2, BCM3, FRT AUX PWR OUTLET, S-BAND Fuses
Underhood Fuse Block - RUN/CRANK Relay, I/P IGN, PRK/NEUT, HTD/SEAT/BKC/UP, ABS (10A), ECM TRANS, ABS (30A), EPS, BCM2, BCM3, FRT AUX PWR OUTLET, S-BAND Fuses
Underhood Fuse Block - RUN/CRANK Relay, I/P IGN, PRK/NEUT, HTD/SEAT/BKC/UP, ABS (10A), ECM TRANS, ABS (30A), EPS, BCM2, BCM3, FRT AUX PWR OUTLET, S-BAND Fuses
G109
G301, G306