GM Service Manual Online
For 1990-2009 cars only
Makes
🢒
Chevrolet
🢒
2000
🢒
Impala
🢒
Body and Accessories
🢒
Body Control System
🢒 Antilock Brake System Schematics
Figure
1:
Power and Grounds
ABS/PCM, STOP, TURN SIGNAL and SRS Fuses
Handling ESD Sensitive Parts Notice
Handling ESD Sensitive Parts Notice
Battery, EBCM, Engine Wiring Harness Junction Blocks (Bottom and Top),Fusible Links, Generator, Remote Battery Stud and Starter
Handling ESD Sensitive Parts Notice
ABS Components
ABS Description
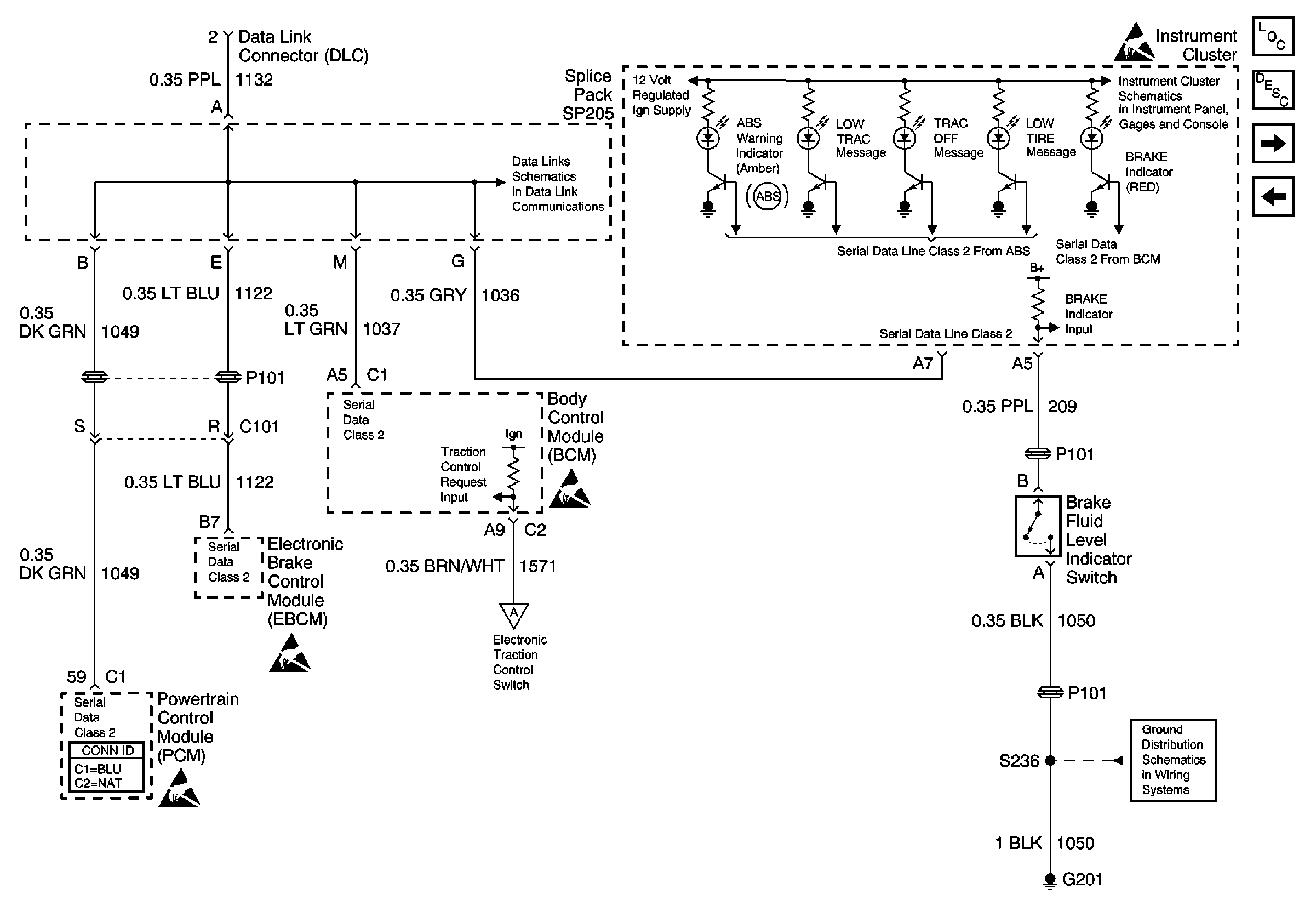
Indicators and Serial Data
Figure
2:
Indicators and Serial Data
Handling ESD Sensitive Parts Notice
Handling ESD Sensitive Parts Notice
Handling ESD Sensitive Parts Notice
Handling ESD Sensitive Parts Notice
Electronic Traction Control Switch
Data Link Communications Schematic
Handling ESD Sensitive Parts Notice
LED Displays
G201 (1 of 2)
ABS Components
ABS Description
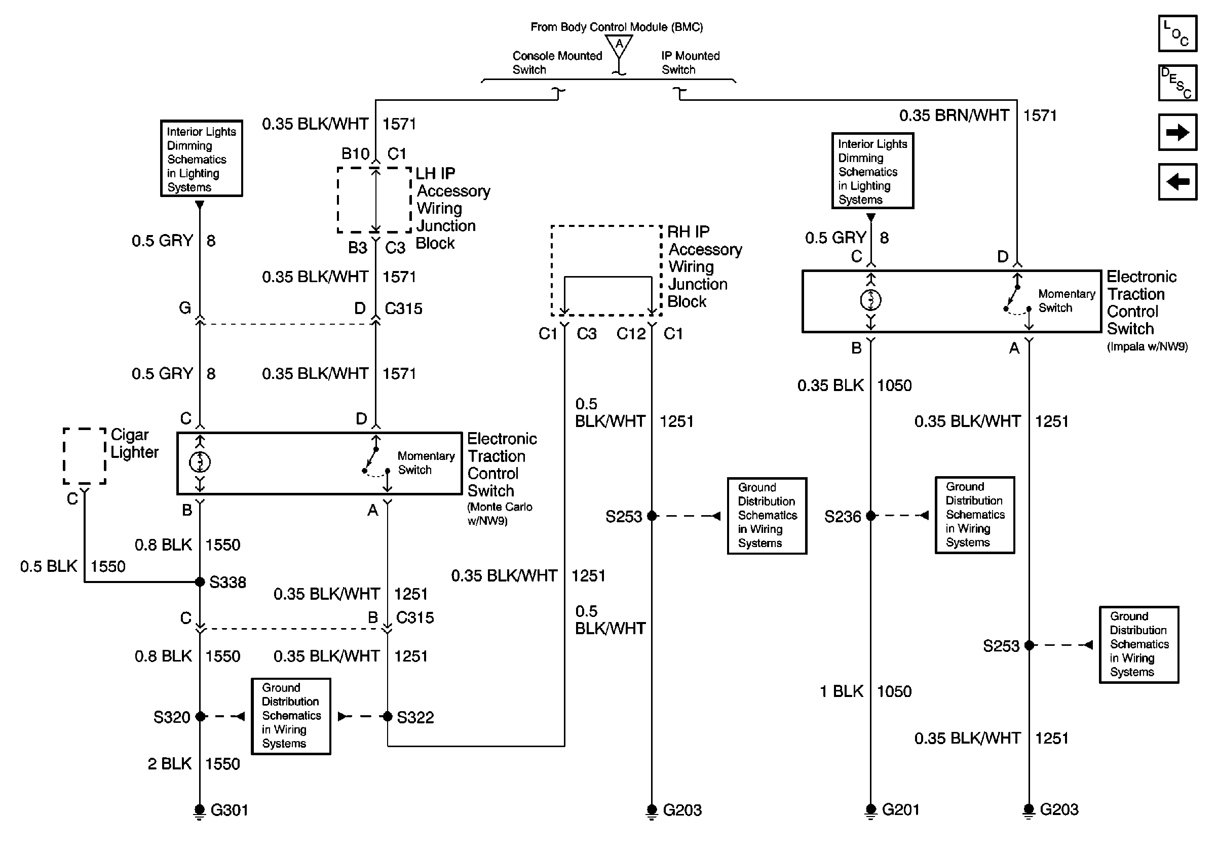
Electronic Traction Control Switch
Power and Grounds
Figure
3:
Electronic Traction Control Switch
IP and Console Lamps
G301 (1 of 2)
Indicators and Serial Data
IP and Console Lamps
G203 (2 of 3)
G201 (1 of 2)
G203 (2 of 3)
ABS Components
ABS Description
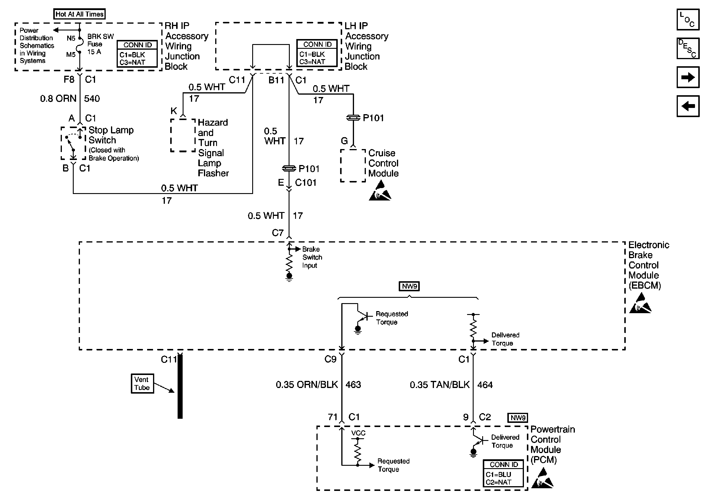
Brake Switch and PCM
Indicators and Serial Data
Figure
4:
Brake Switch and PCM
C/LTR, AUX PWR, HAZ SW, BRK SW and HVAC BLO Fuses
Handling ESD Sensitive Parts Notice
Handling ESD Sensitive Parts Notice
ABS Components
ABS Description
Wheel Speed Sensors
Electronic Traction Control Switch
Figure
5:
Wheel Speed Sensors
Handling ESD Sensitive Parts Notice
ABS Components
ABS Description
Brake Switch and PCM