GM Service Manual Online
For 1990-2009 cars only
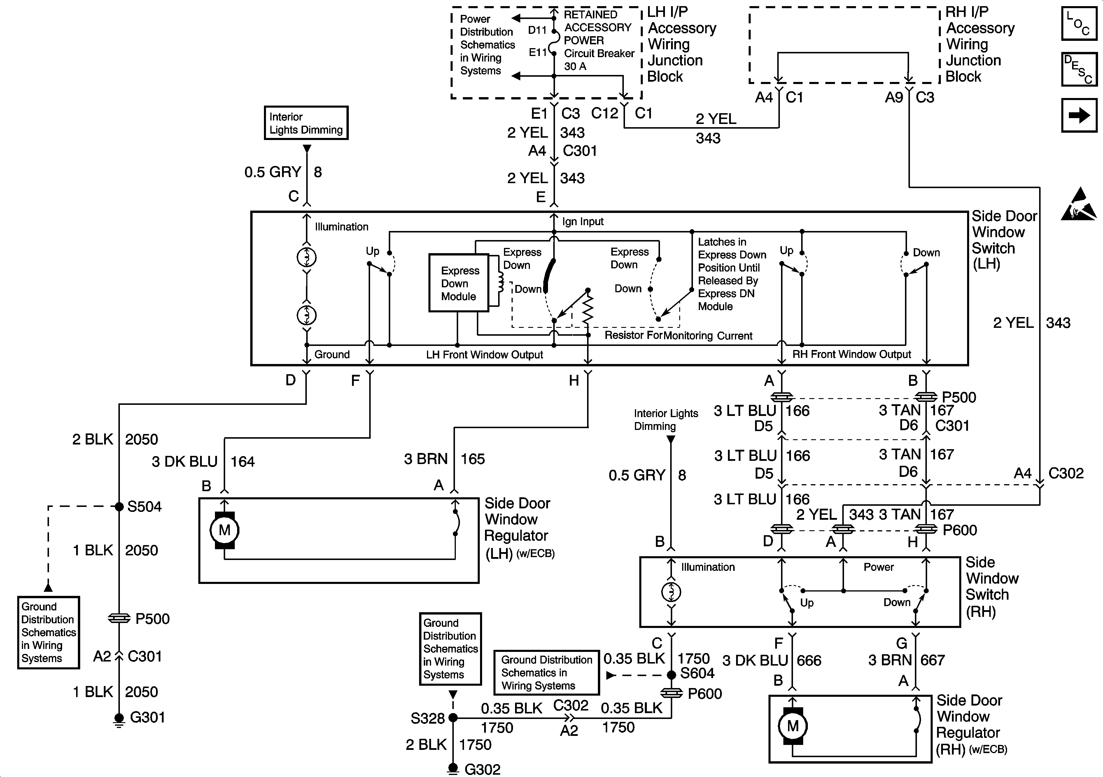
Figure 1:

2 Door


Object Number: 502391  Size: FS
Power Door Systems Components
Power Windows Circuit Description
4 Door LR and RF
Handling ESD Sensitive Parts Notice
LH HTD ST/BCM, DR LK, PWR MIR and CLSTR/BCM Fuses, HEADLAMP and RETAINED ACCSRY PWR Relays, and RETAINED ACCSRY PWR Circuit Breaker
Doors and Console
G302
G302
G302
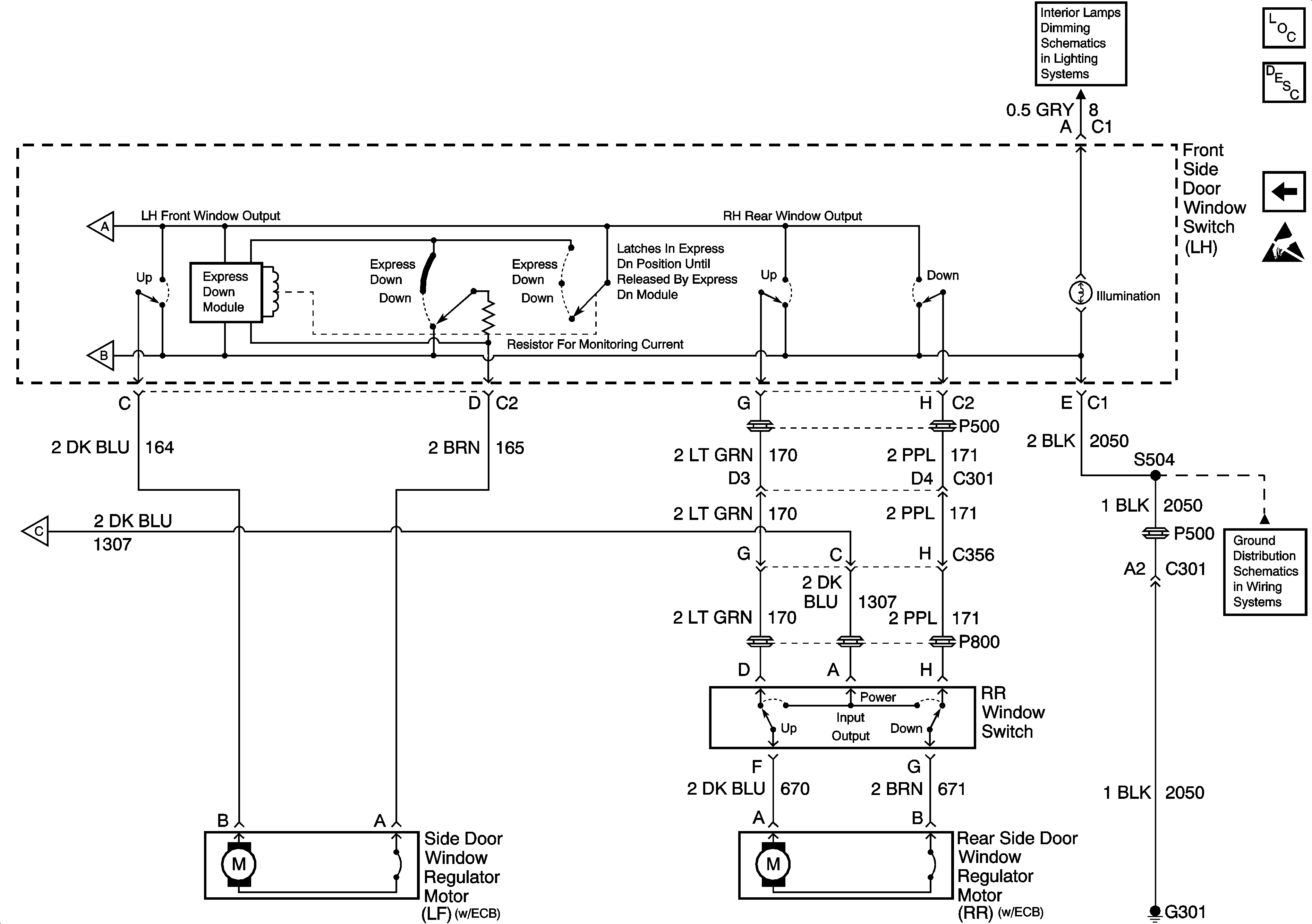
Figure 2:

4 Door LR and RF


Object Number: 502398  Size: FS
Power Door Systems Components
Power Windows Circuit Description
4 Door LF and RR
2 Door
Handling ESD Sensitive Parts Notice
LH HTD ST/BCM, DR LK, PWR MIR and CLSTR/BCM Fuses, HEADLAMP and RETAINED ACCSRY PWR Relays, and RETAINED ACCSRY PWR Circuit Breaker
4 Door LF and RR
Doors and Console
4 Door LF and RR
G302
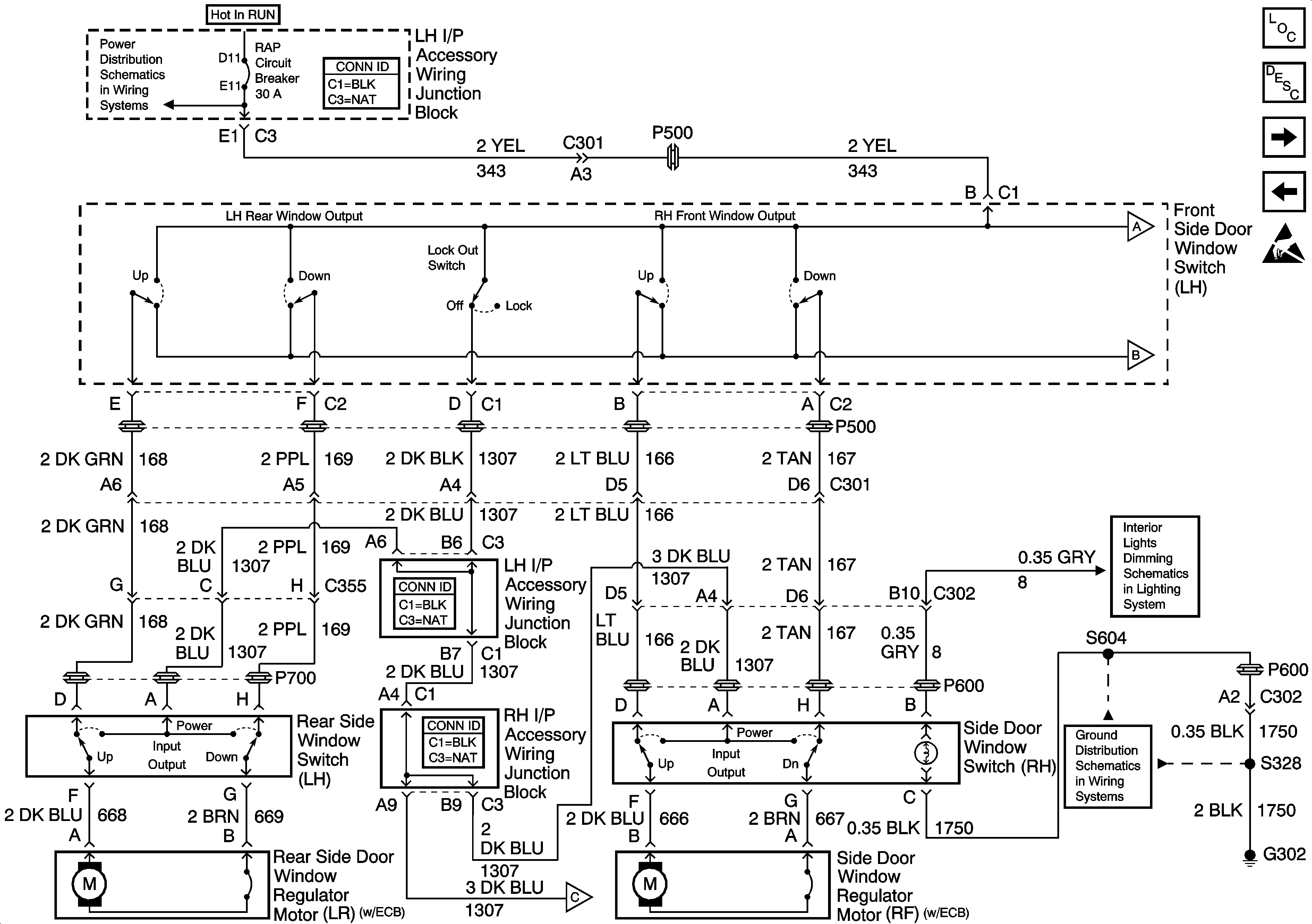
Figure 3:

4 Door LF and RR


Object Number: 502403  Size: FS
Power Door Systems Components
Power Windows Circuit Description
4 Door LR and RF
Handling ESD Sensitive Parts Notice
4 Door LR and RF
4 Door LR and RF
Doors and Console
G301 (2 of 2)