GM Service Manual Online
For 1990-2009 cars only
Makes
🢒
Chevrolet
🢒
2000
🢒
Impala
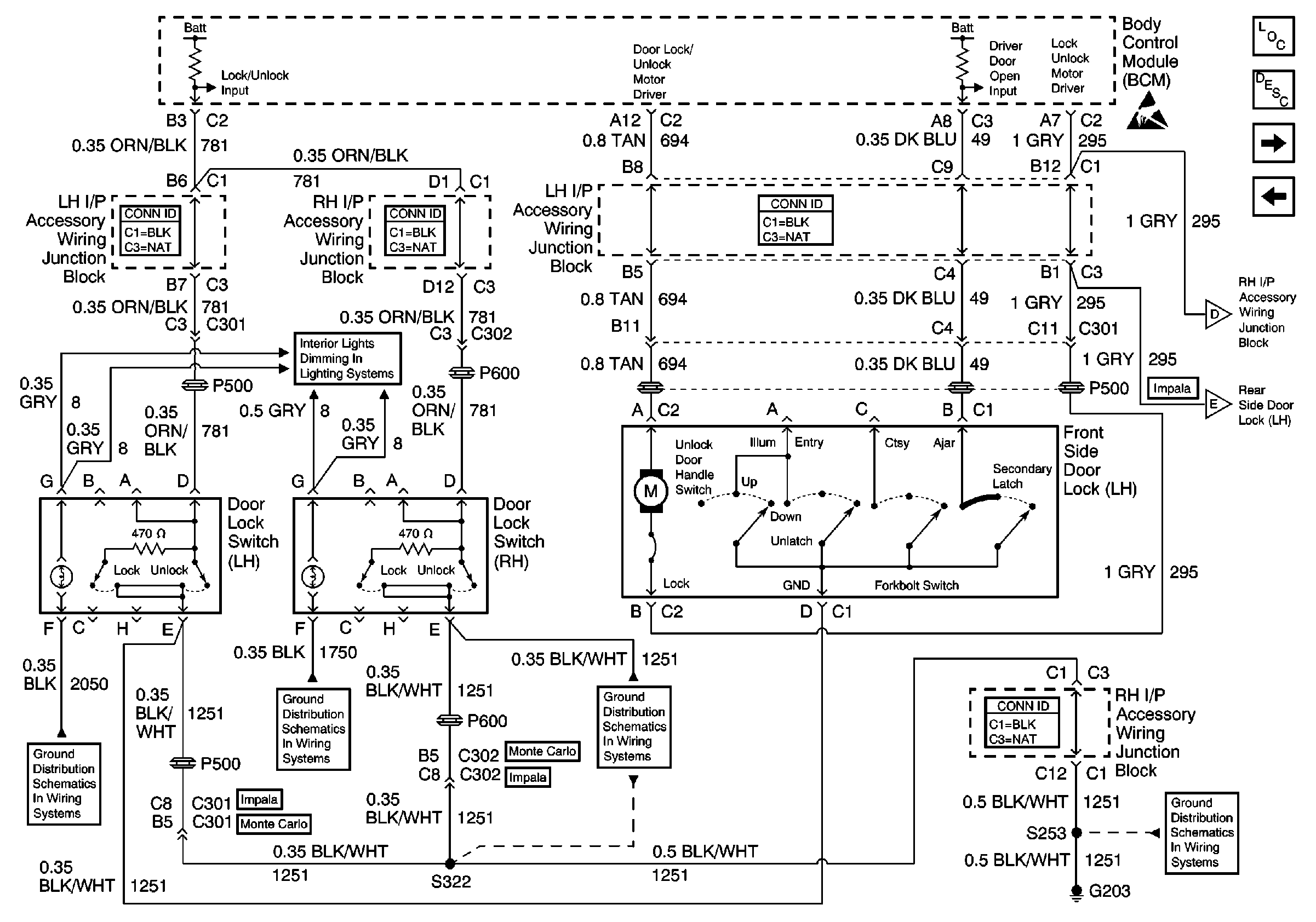
🢒 Door Lock Switches, LH Front Door Lock Assembly
Door Lock Switches, LH Front Door Lock Assembly
Door Lock Switches, LH Front Door Lock Assembly
BCM, Door Lock, Door Window Switch, HVAC, Radio, and Fog Lamp Switch Lamps
G301 (2 of 2)
G302
G203 (1 of 3)
Handling ESD Sensitive Parts Notice
RF and Rear Door Lock Assemblys
RF and Rear Door Lock Assemblys
G203 (2 of 3)
Body Control Module Components
Body Control System Circuit Description
RF and Rear Door Lock Assemblys
SEO Rear Compartment Lid Relay