GM Service Manual Online
For 1990-2009 cars only
Makes
🢒
Chevrolet
🢒
2000
🢒
Impala
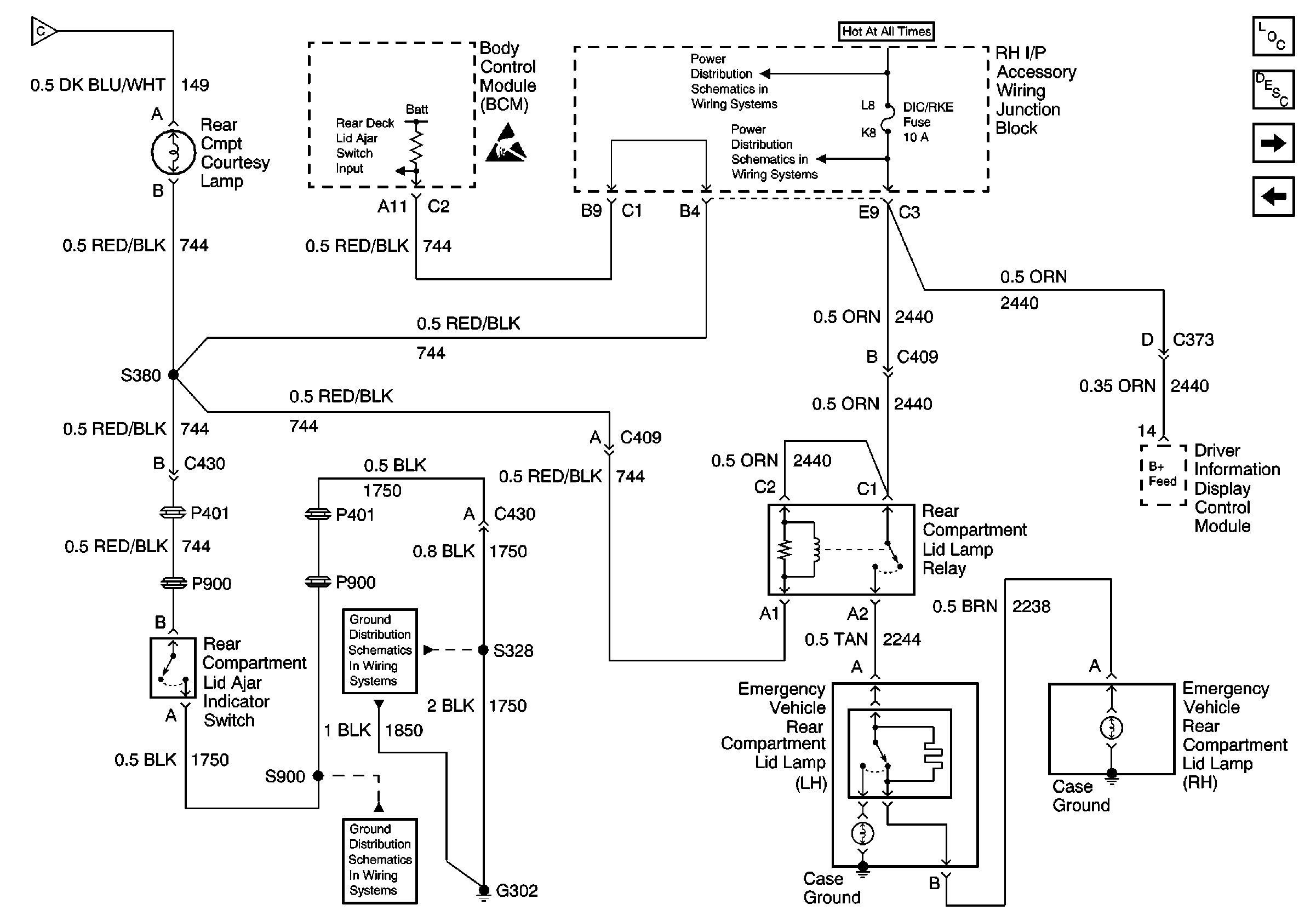
🢒 SEO Rear Compartment Lid Relay
SEO Rear Compartment Lid Relay
SEO Rear Compartment Lid Relay
Interior Lights (1 of 2)
Handling ESD Sensitive Parts Notice
G302
G302 - Continued and G309
DIC/RKE, B/U LP, TRK/ROOF BRP and I/P BRP Fuses, BATT RUNDOWN PROTECTION and BACKUP LP Relays
DIC/RKE, B/U LP, TRK/ROOF BRP and I/P BRP Fuses, BATT RUNDOWN PROTECTION and BACKUP LP Relays
Body Control Module Components
Body Control System Circuit Description
Door Lock Switches, LH Front Door Lock Assembly
Interior Lights (2 of 2)