GM Service Manual Online
For 1990-2009 cars only
Makes
🢒
Chevrolet
🢒
2000
🢒
Impala
🢒 Heated Outside Rear View Mirrors
Heated Outside Rear View Mirrors
Heated Outside Rear View Mirrors
Stationary Windows Components
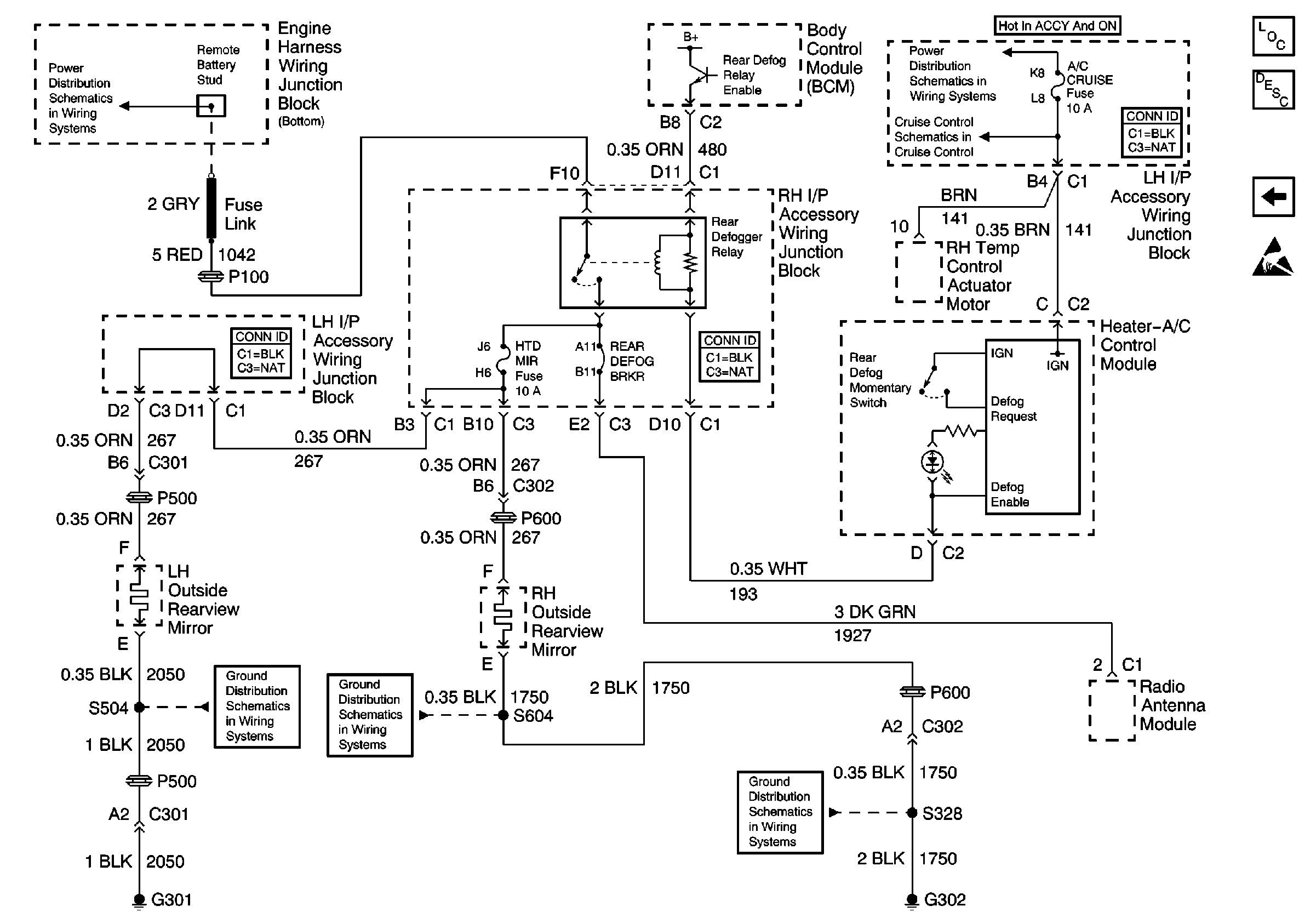
Rear Window Defogger Circuit Description
Rear Defogger
Handling ESD Sensitive Parts Notice
Battery, EBCM, Engine Wiring Harness Junction Blocks (Bottom and Top),Fusible Links, Generator, Remote Battery Stud and Starter
A/C CRUISE, A/C FAN and CRUISE Fuses
G301 (2 of 2)
G302
G302