GM Service Manual Online
For 1990-2009 cars only
Figure 1:

Engine Cranking


Object Number: 652717  Size: FS
Master Electrical Component List
Starting System Description and Operation
Charging Control and Indicator
ABS/PCM, SRS, STOP, and TURN SIGNAL Fuses
A/C/CRUISE, A/C FAN, CRUISE, PCM/BCM/CLSTR, and PCM (CRANK) Fuses
ABS/PCM, SRS, STOP, and TURN SIGNAL Fuses
Fuse Block-SEO and Fusible Links
Fuse Block-SEO and Fusible Links
Charging Control and Indicator
G100, G111, G113, G117, and G151 (1 of 2)
DLC Schematics
Figure 2:

Charging Control and Indicator


Object Number: 652718  Size: FS
Master Electrical Component List
Charging System Description and Operation
Battery Rundown Protection and Load Management
Engine Cranking
A/C RLY (CMPR), DRL/EXT LTS, EXT LTS, FOG RLY, F/PMP RLY, HORN RLY, LEFT I/P, PCM, RT IP#1, RT IP#2, Spot Lamp, and U/HOOD#1 Fuses
Engine Cranking
Figure 3:

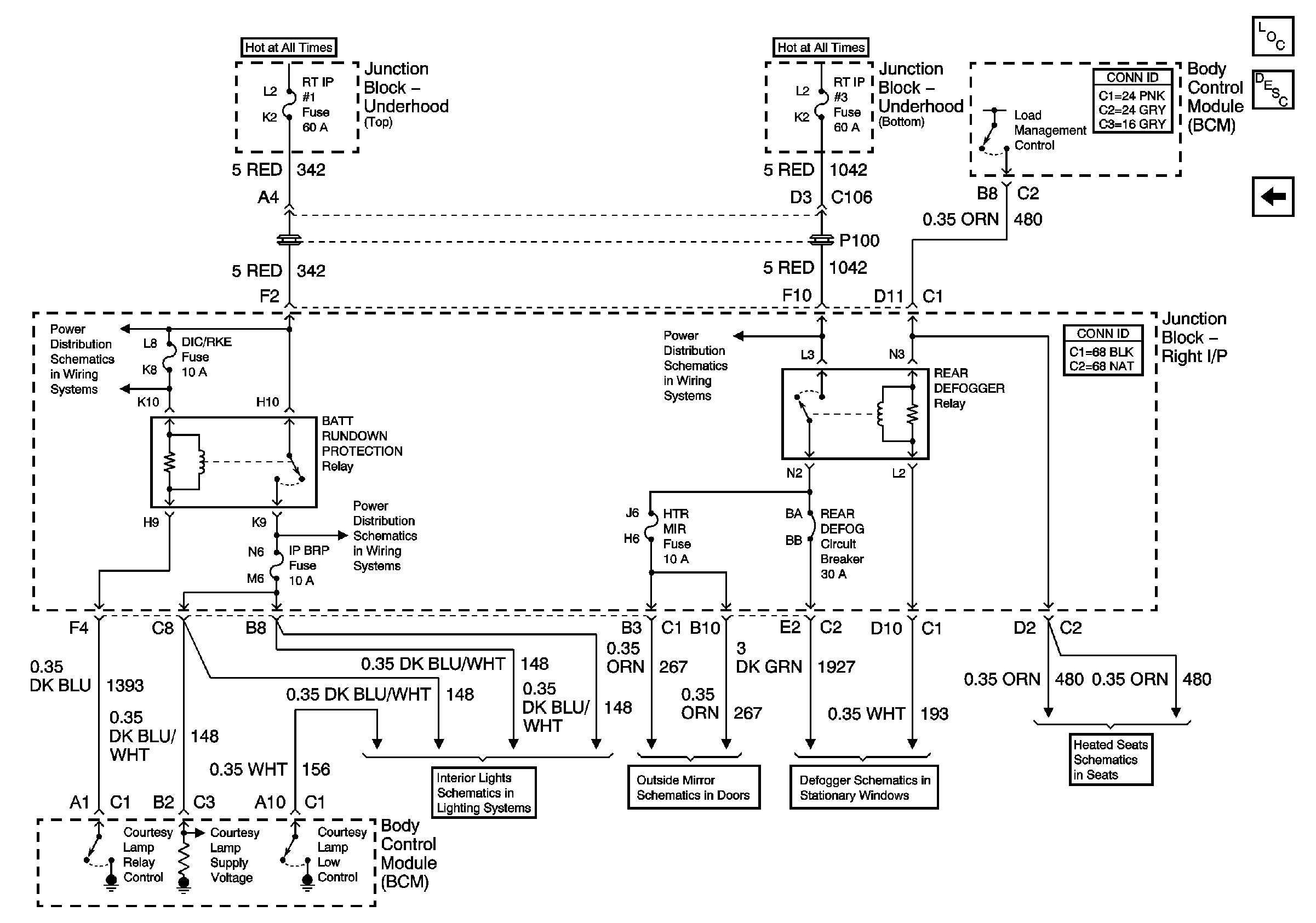
Battery Rundown Protection and Load Management


Object Number: 652721  Size: FS
Master Electrical Component List
Load Shed System Description and Operation
Charging Control and Indicator
DIC/RKE, IP BRP, and TRK/ROOF BRP Fuses, BACKUP LP and BATT RUNDOWN PROTECTION Relays
HTD MIR, RADIO, and RT IP#3 Fuses, REAR DEFOG Circuit Breaker, and REAR DEFOG Relay
Driver Seat (Impala)
Heated Mirrors
1/2
Courtesy Lamps Control, and I/P
DIC/RKE, IP BRP, and TRK/ROOF BRP Fuses, BACKUP LP and BATT RUNDOWN PROTECTION Relays