GM Service Manual Online
For 1990-2009 cars only
Makes
🢒
Chevrolet
🢒
2001
🢒
Impala
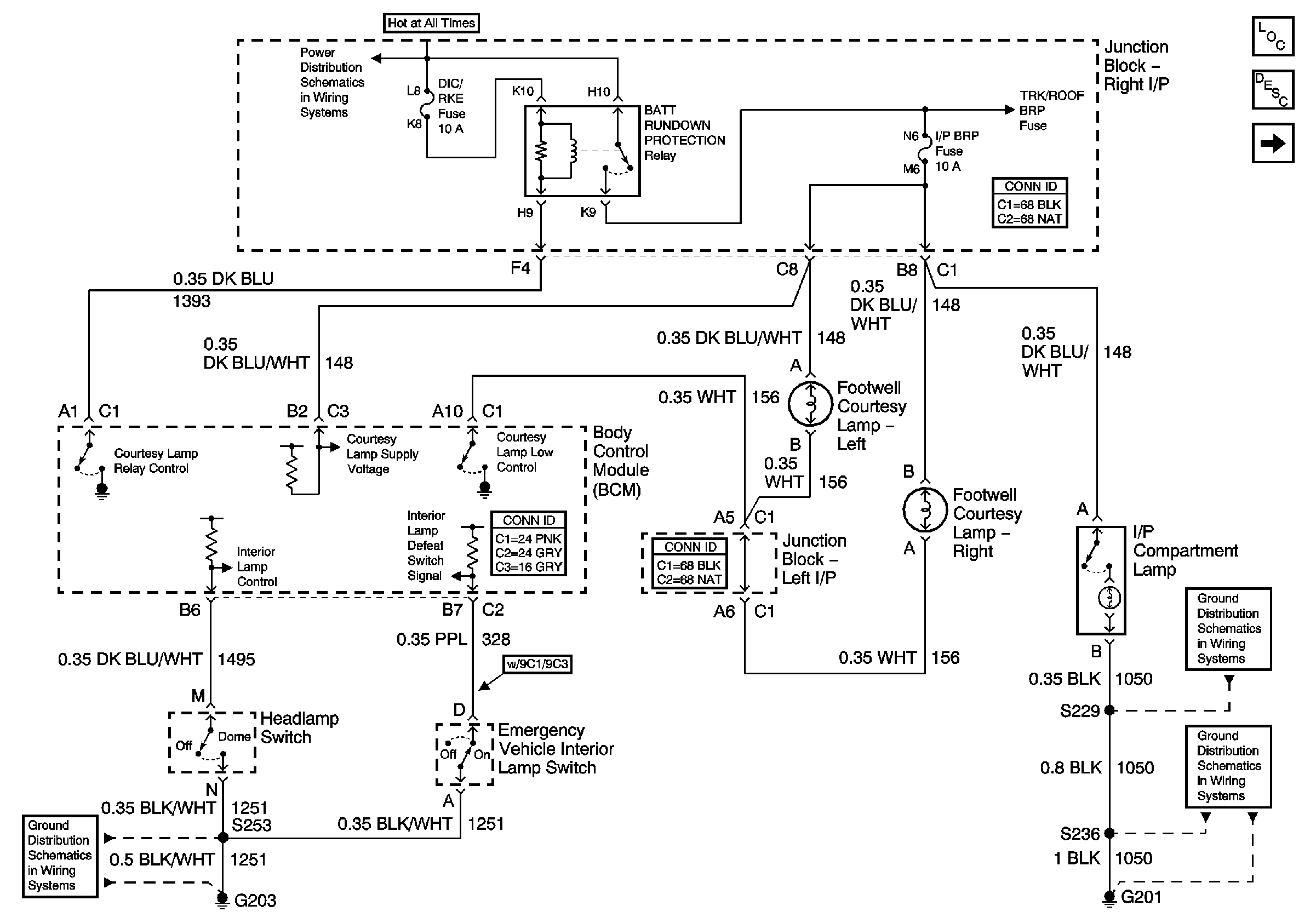
🢒 Courtesy Lamps Control, and I/P
Courtesy Lamps Control, and I/P
Courtesy Lamps Control, and I/P
Master Electrical Component List
Data Link Communications Description and Operation
Rear Compartment Courtesy Lamp
DIC/RKE, IP BRP, and TRK/ROOF BRP Fuses, BACKUP LP and BATT RUNDOWN PROTECTION Relays
DIC/RKE, IP BRP, and TRK/ROOF BRP Fuses, BACKUP LP and BATT RUNDOWN PROTECTION Relays
G201 (2 of 2)
G201 (1 of 2)
G203 (1 of 3)