GM Service Manual Online
For 1990-2009 cars only
Makes
🢒
Chevrolet
🢒
2001
🢒
Impala
🢒 Ground, Power, and VSS
Ground, Power, and VSS
Ground, Power, and RAP Relay
Master Electrical Component List
Retained Accessory Power (RAP) Description and Operation
Data Link, Door Locks, and Door Lock Switches
A/C RLY (CMPR), DRL/EXT LTS, EXT LTS, FOG RLY, F/PMP RLY, HORN RLY, LEFT I/P, PCM, RT IP#1, RT IP#2, Spot Lamp, and U/HOOD#1 Fuses
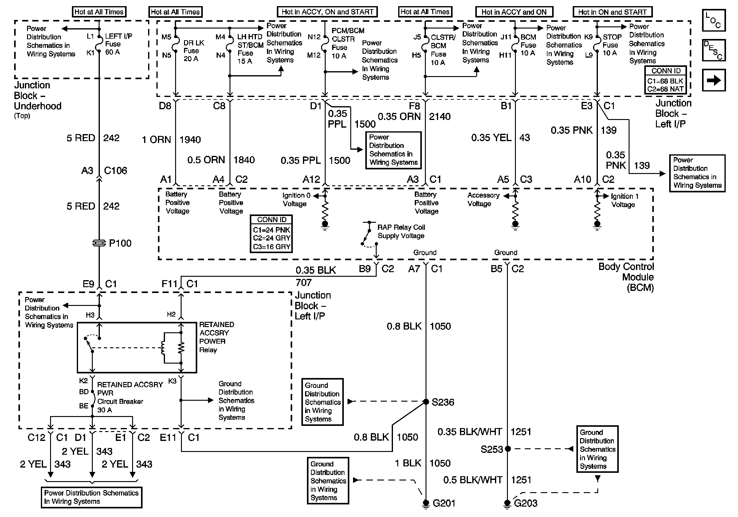
CLSTR/BCM, DR LK, LEFT IP, LT HTD ST/BCM, and PWR MIR Fuses, RETAINED ACCSRY PWR Circuit Breaker, HEADLAMP, and RETAINED ACCSRY PWR Relays
A/C/CRUISE, A/C FAN, CRUISE, PCM/BCM/CLSTR, and PCM (CRANK) Fuses
A/C/CRUISE, A/C FAN, CRUISE, PCM/BCM/CLSTR, and PCM (CRANK) Fuses
CLSTR/BCM, DR LK, LEFT IP, LT HTD ST/BCM, and PWR MIR Fuses, RETAINED ACCSRY PWR Circuit Breaker, HEADLAMP, and RETAINED ACCSRY PWR Relays
A/C RLY (CMPR), AIR PMP RLY, BCM, CIG/AUX, EXT LTS, IGN SW, PCM, and WSW Fuses
ABS/PCM, SRS, STOP, and TURN SIGNAL Fuses
ABS/PCM, SRS, STOP, and TURN SIGNAL Fuses
G203 (1 of 3)
G201 (1 of 2)
G201 (1 of 2)
G201 (1 of 2)
CLSTR/BCM, DR LK, LEFT IP, LT HTD ST/BCM, and PWR MIR Fuses, RETAINED ACCSRY PWR Circuit Breaker, HEADLAMP, and RETAINED ACCSRY PWR Relays
CLSTR/BCM, DR LK, LEFT IP, LT HTD ST/BCM, and PWR MIR Fuses, RETAINED ACCSRY PWR Circuit Breaker, HEADLAMP, and RETAINED ACCSRY PWR Relays