GM Service Manual Online
For 1990-2009 cars only
Makes
🢒
Chevrolet
🢒
2001
🢒
Impala
🢒 Sensors
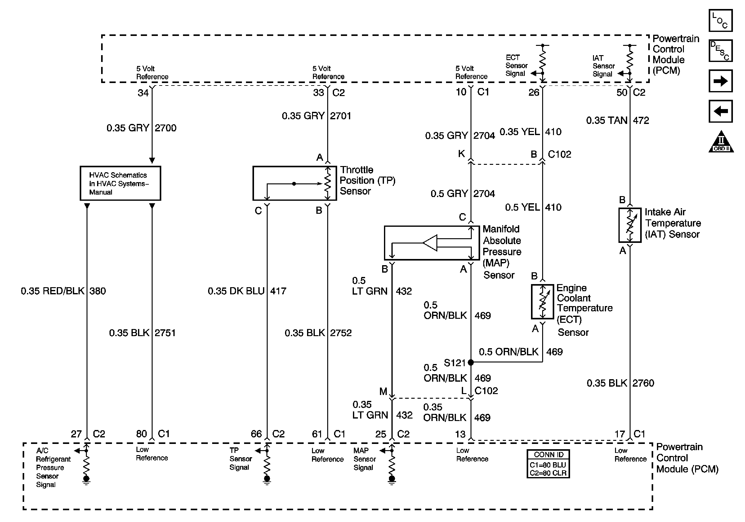
Sensors
Sensors
Master Electrical Component List
Air Intake System Description
HO2S and VSS
Fuel Injectors
Engine Controls Schematic Icons
Compressor Control