GM Service Manual Online
For 1990-2009 cars only
Makes
🢒
Chevrolet
🢒
2001
🢒
Impala
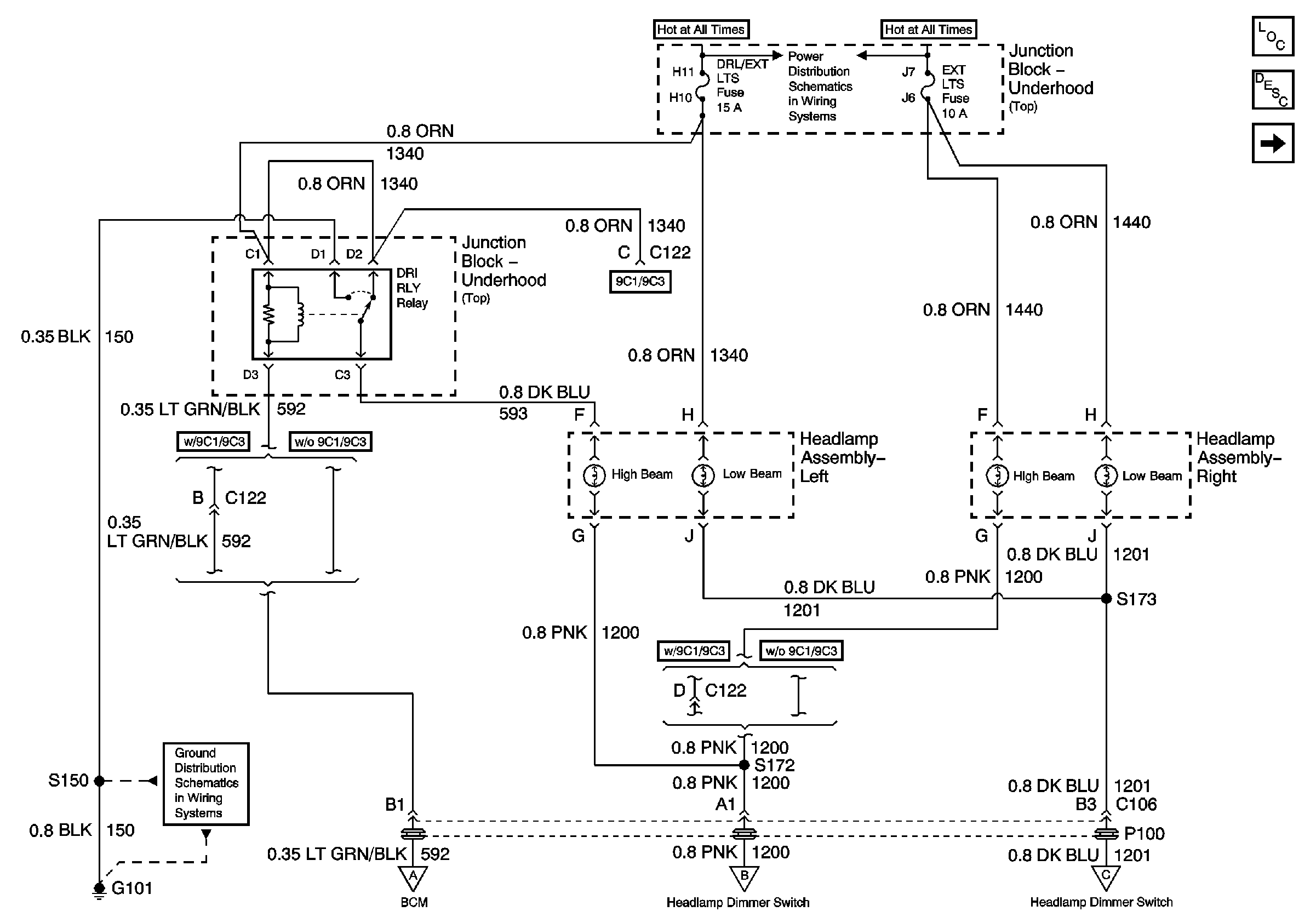
🢒 DRL Relay, Headlamps, and Power
DRL Relay, Headlamps, and Power
DRL Relay, Headlamps, and Power
Master Electrical Component List
Exterior Lighting Systems Description and Operation
Indicator, and Lamp Control
A/C RLY (CMPR), DRL/EXT LTS, EXT LTS, FOG RLY, F/PMP RLY, HORN RLY, LEFT I/P, PCM, RT IP#1, RT IP#2, Spot Lamp, and U/HOOD#1 Fuses
G101
Indicator, and Lamp Control
Indicator, and Lamp Control
Indicator, and Lamp Control