GM Service Manual Online
For 1990-2009 cars only
Makes
🢒
Chevrolet
🢒
2001
🢒
Impala
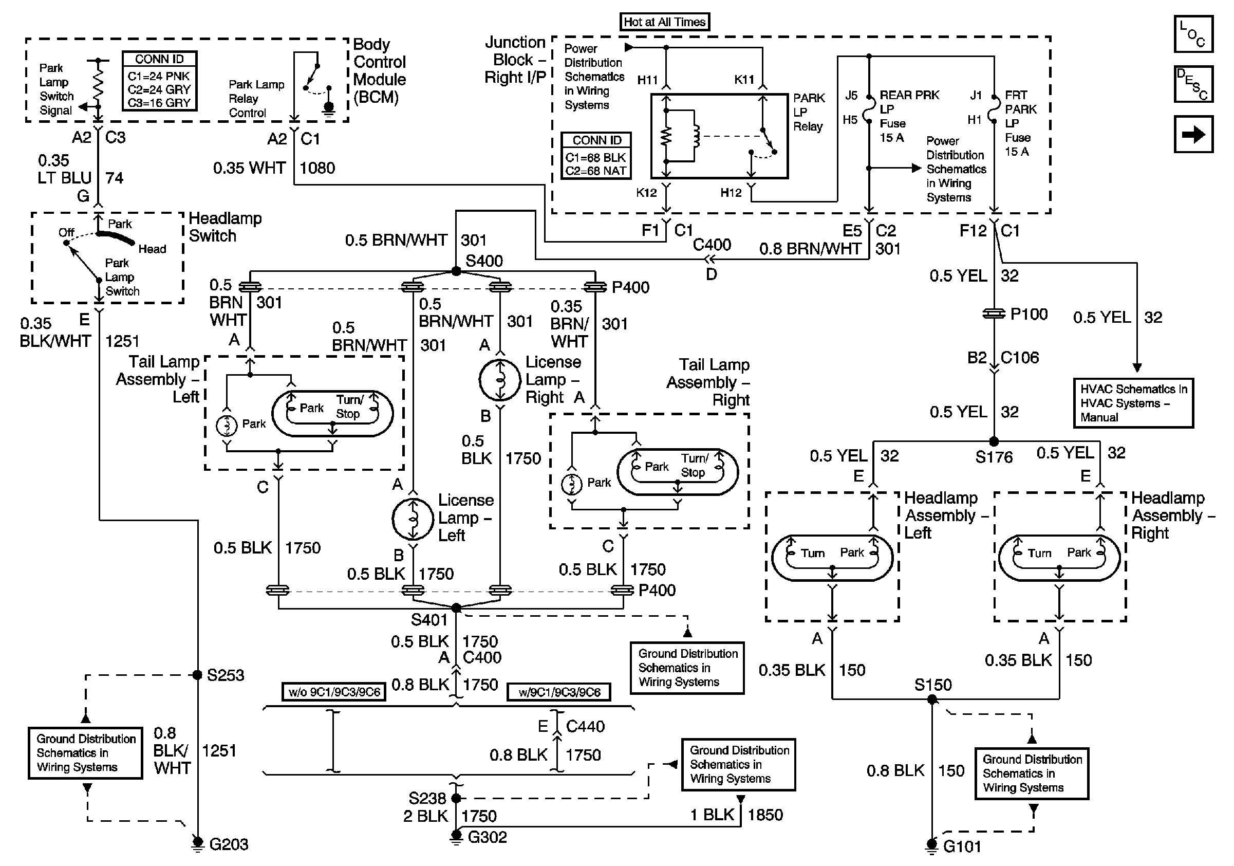
🢒 Park Lamps (Impala)
Park Lamps (Impala)
Park Lamps (Impala)
Master Electrical Component List
Exterior Lighting Systems Description and Operation
Stop Lamps (Impala w/o 9C1/9C3/9C6)
B/U LAMP, DIC/RKE, FRT PARK LP, IP BRP, PWR DROP, REAR PARK LP, RTHTD ST, RT IP#1, and TRK/ROOF BRP Fuses, PWR SEATS Circuit Breaker, BACKUP LP, BATT RUNDOWN PROTECTION, and PARK LP Relays
B/U LAMP, DIC/RKE, FRT PARK LP, IP BRP, PWR DROP, REAR PARK LP, RTHTD ST, RT IP#1, and TRK/ROOF BRP Fuses, PWR SEATS Circuit Breaker, BACKUP LP, BATT RUNDOWN PROTECTION, and PARK LP Relays
Compressor Control
G203 (1 of 3)
G302 (2 of 2) and G309
G302 (1 of 2)
G101