GM Service Manual Online
For 1990-2009 cars only
Makes
🢒
Chevrolet
🢒
2001
🢒
Impala
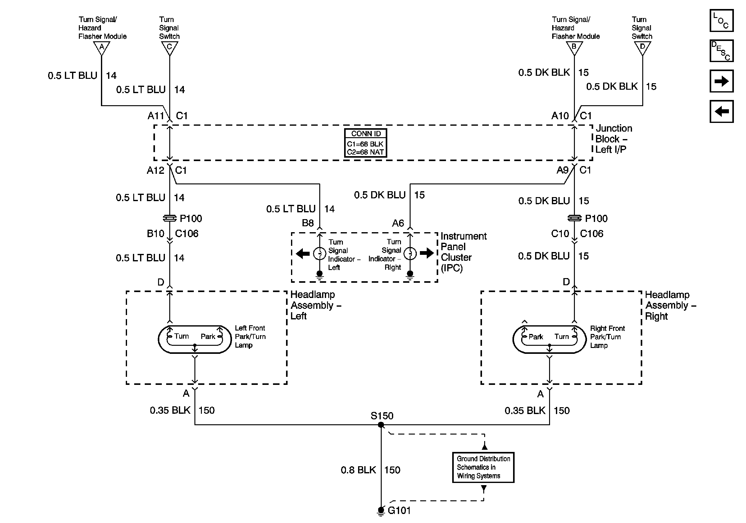
🢒 Front Park, Turn/Hazard Lamps (Impala)
Front Park, Turn/Hazard Lamps (Impala)
Front Park, Turn/Hazard Lamps (Impala)
Master Electrical Component List
Exterior Lighting Systems Description and Operation
Park Lamps (Monte Carlo)
Rear Turn/Hazard Lamps, and Turn Lamps Control (Impala)
Rear Turn/Hazard Lamps, and Turn Lamps Control (Impala)
Rear Turn/Hazard Lamps, and Turn Lamps Control (Impala)
Rear Turn/Hazard Lamps, and Turn Lamps Control (Impala)
Rear Turn/Hazard Lamps, and Turn Lamps Control (Impala)
G101