GM Service Manual Online
For 1990-2009 cars only
Makes
🢒
Chevrolet
🢒
2001
🢒
Impala
🢒 Rear Turn/Hazard Lamps, and Turn Lamps Control (Impala)
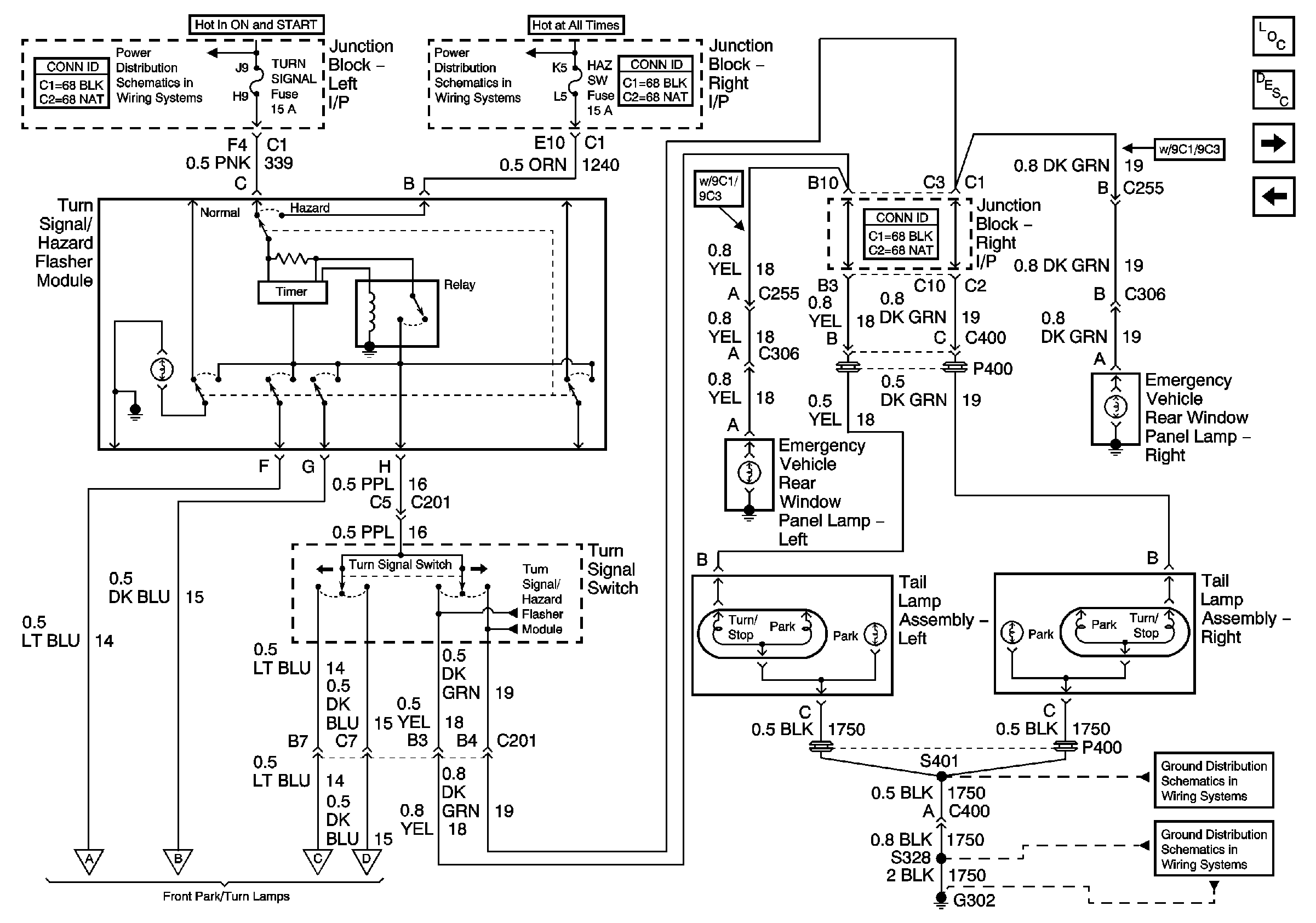
Rear Turn/Hazard Lamps, and Turn Lamps Control (Impala)
Rear Turn/Hazard Lamps, and Turn Lamps Control (Impala)
Master Electrical Component List
Wiper/Washer System Description and Operation
Front Park, Turn/Hazard Lamps (Impala)
Stop Lamps (Impala w/9C1/9C3/9C6)
ABS/PCM, SRS, STOP, and TURN SIGNAL Fuses
AUX PWR, BRK SW, C/LTR, FRT PARK LP, HAZ SW, HVAC BLO, PWR DROP, and RT I/P#2 Fuses
Stop Lamps (Impala w/o 9C1/9C3/9C6)
G302 (2 of 2) and G309
G302 (1 of 2)