GM Service Manual Online
For 1990-2009 cars only
Makes
🢒
Chevrolet
🢒
2001
🢒
Impala
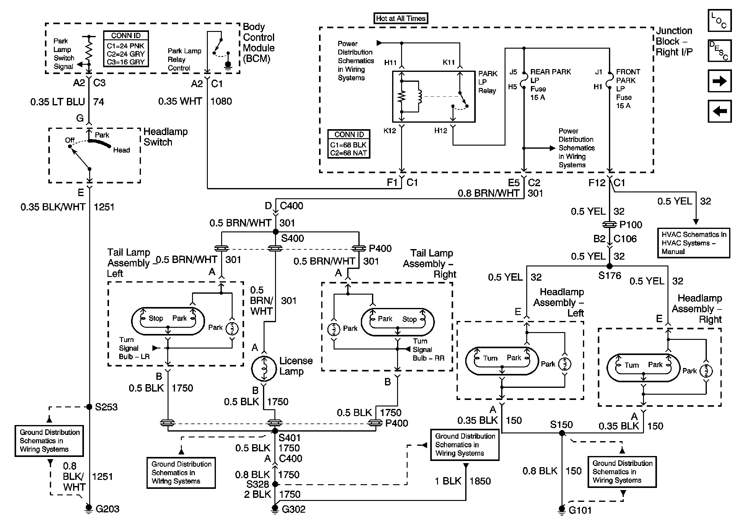
🢒 Park Lamps (Monte Carlo)
Park Lamps (Monte Carlo)
Park Lamps (Monte Carlo)
Master Electrical Component List
Exterior Lighting Systems Description and Operation
Stoplamps (Monte Carlo)
Front Park, Turn/Hazard Lamps (Impala)
B/U LAMP, DIC/RKE, FRT PARK LP, IP BRP, PWR DROP, REAR PARK LP, RTHTD ST, RT IP#1, and TRK/ROOF BRP Fuses, PWR SEATS Circuit Breaker, BACKUP LP, BATT RUNDOWN PROTECTION, and PARK LP Relays
Compressor Control
Turn Lamps (Monte Carlo)
Turn Lamps (Monte Carlo)
G203 (1 of 3)
G302 (2 of 2) and G309
G302 (1 of 2)
G101