GM Service Manual Online
For 1990-2009 cars only
Makes
🢒
Chevrolet
🢒
2001
🢒
Impala
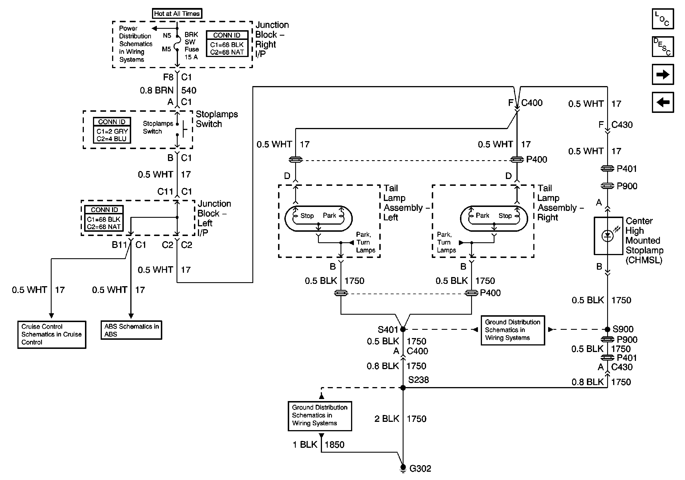
🢒 Stoplamps (Monte Carlo)
Stoplamps (Monte Carlo)
Stop Lamps (Monte Carlo)
Master Electrical Component List
Exterior Lighting Systems Description and Operation
Turn/Hazard Lamps Control (Monte Carlo)
Park Lamps (Monte Carlo)
AUX PWR, BRK SW, C/LTR, FRT PARK LP, HAZ SW, HVAC BLO, PWR DROP, and RT I/P#2 Fuses
Monte Carlo
PCM and Stoplamps Switch
G302 (1 of 2)
G302 (2 of 2) and G309