GM Service Manual Online
For 1990-2009 cars only
Makes
🢒
Chevrolet
🢒
2001
🢒
Impala
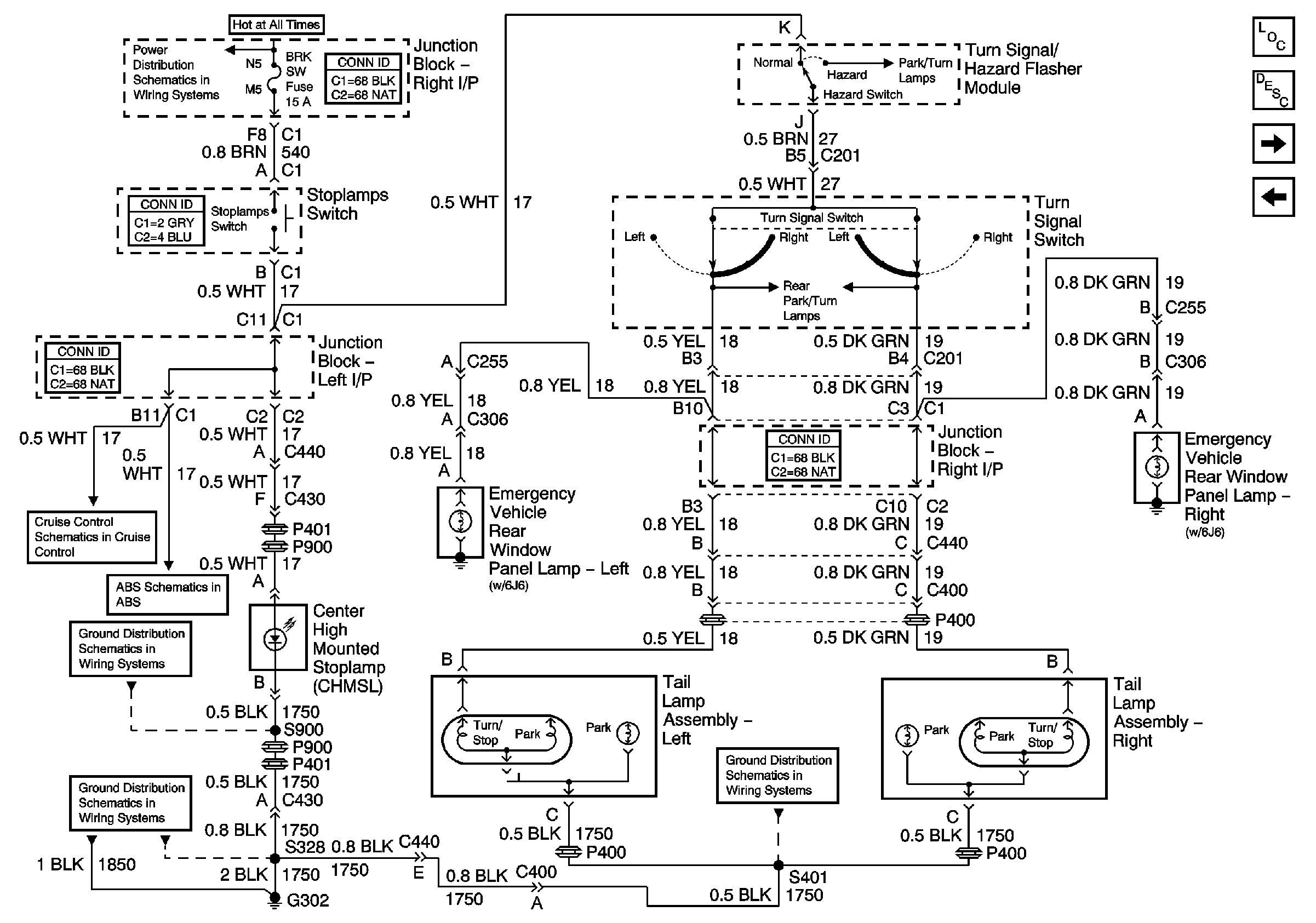
🢒 Stop Lamps (Impala w/9C1/9C3/9C6)
Stop Lamps (Impala w/9C1/9C3/9C6)
Stop Lamps (Impala w/9C1/9C3/9C6)
Master Electrical Component List
Exterior Lighting Systems Description and Operation
Rear Turn/Hazard Lamps, and Turn Lamps Control (Impala)
Stop Lamps (Impala w/o 9C1/9C3/9C6)
AUX PWR, BRK SW, C/LTR, FRT PARK LP, HAZ SW, HVAC BLO, PWR DROP, and RT I/P#2 Fuses
Rear Turn/Hazard Lamps, and Turn Lamps Control (Impala)
Rear Turn/Hazard Lamps, and Turn Lamps Control (Impala)
Impala
PCM and Stoplamps Switch
G302 (2 of 2) and G309
G302 (1 of 2)
G302 (2 of 2) and G309