GM Service Manual Online
For 1990-2009 cars only
Makes
🢒
Chevrolet
🢒
2002
🢒
Impala
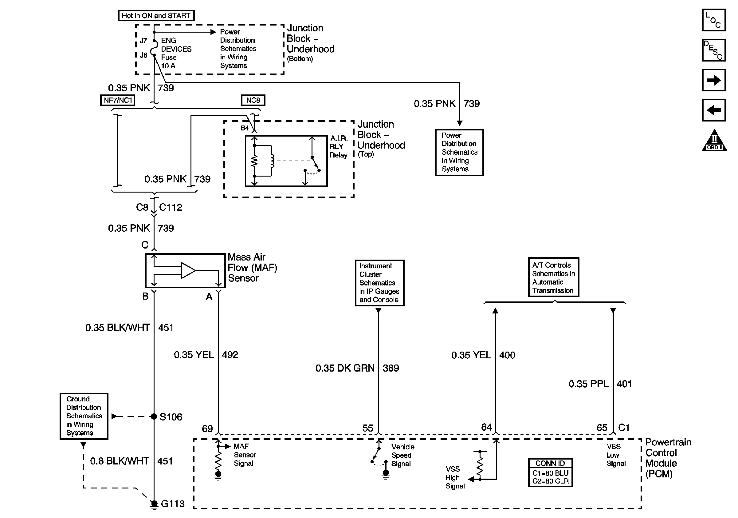
🢒 MAF and VSS
MAF and VSS
MAF and VSS
Master Electrical Component List
Air Intake System Description
HO2S
ECT, IAT, MAP, and TP Sensors
Engine Controls Schematic Icons
DFI MDL, ENG DEVICES, and OXY SEN Fuses
DFI MDL, ENG DEVICES, and OXY SEN Fuses
G113 (2 of 2)
Ground, Odometer/PRNDL, Power, and VSS
ISS, Pressure Control, Switches, and VSS