GM Service Manual Online
For 1990-2009 cars only
Makes
🢒
Chevrolet
🢒
2002
🢒
Impala
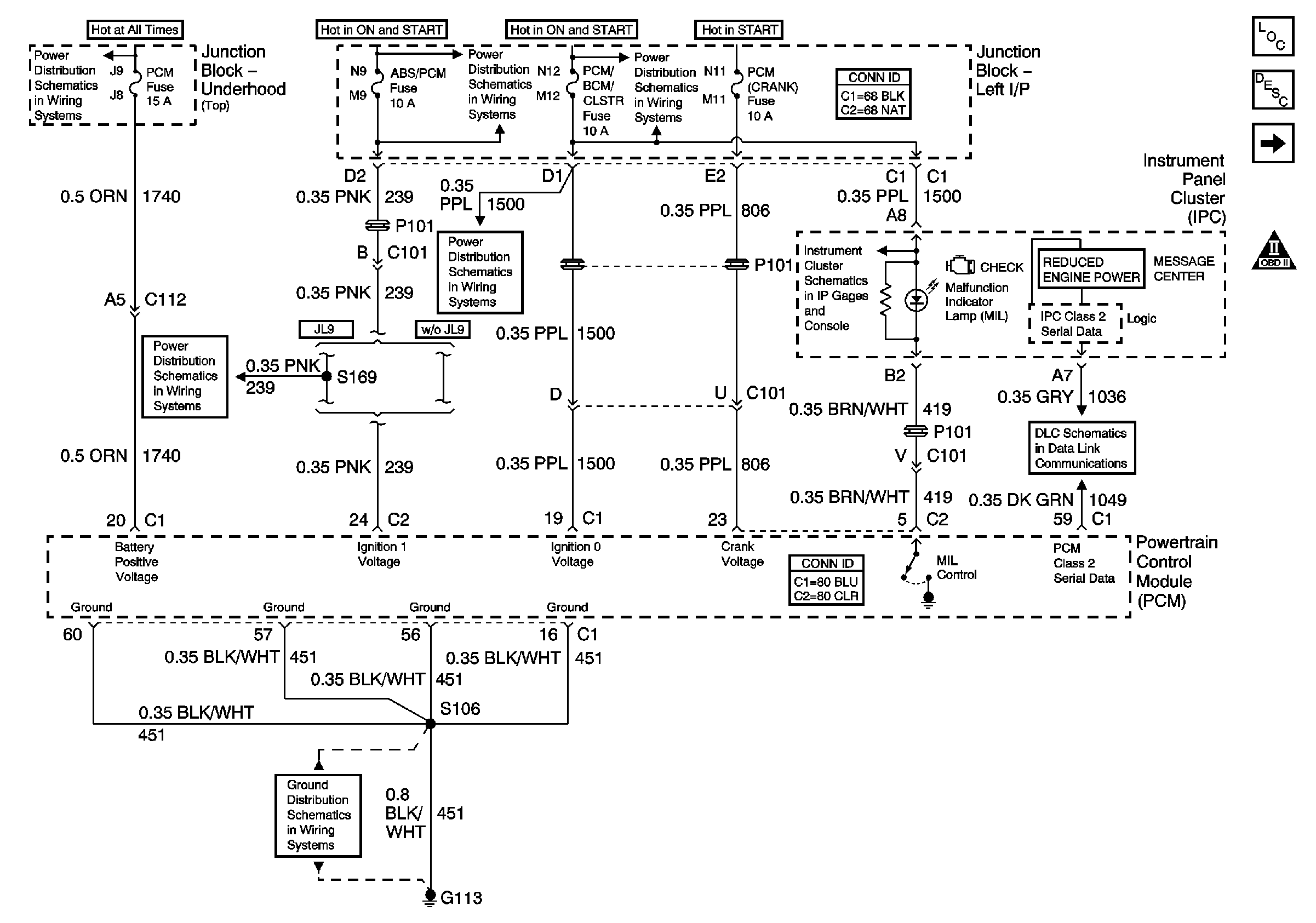
🢒 Data Link, Grounds, MIL, and Power
Data Link, Grounds, MIL, and Power
Data Link, Grounds, MIL, and Power
Master Electrical Component List
Powertrain Control Module Description
5 Volt and Low Reference Bussing
Engine Controls Schematic Icons
Junction Block-Underhood (Top) Bussing
ABS/PCM, SRS, STOP, and TURN SIGNAL Fuses
A/C/CRUISE, A/C FAN, CRUISE, PCM/BCM/CLSTR, and PCM (CRANK) Fuses
ABS/PCM, SRS, STOP, and TURN SIGNAL Fuses
A/C/CRUISE, A/C FAN, CRUISE, PCM/BCM/CLSTR, and PCM (CRANK) Fuses
Ground, Odometer/PRNDL, Power, and VSS
DLC Schematics
G113 (2 of 2)