GM Service Manual Online
For 1990-2009 cars only
Makes
🢒
Chevrolet
🢒
2002
🢒
Impala
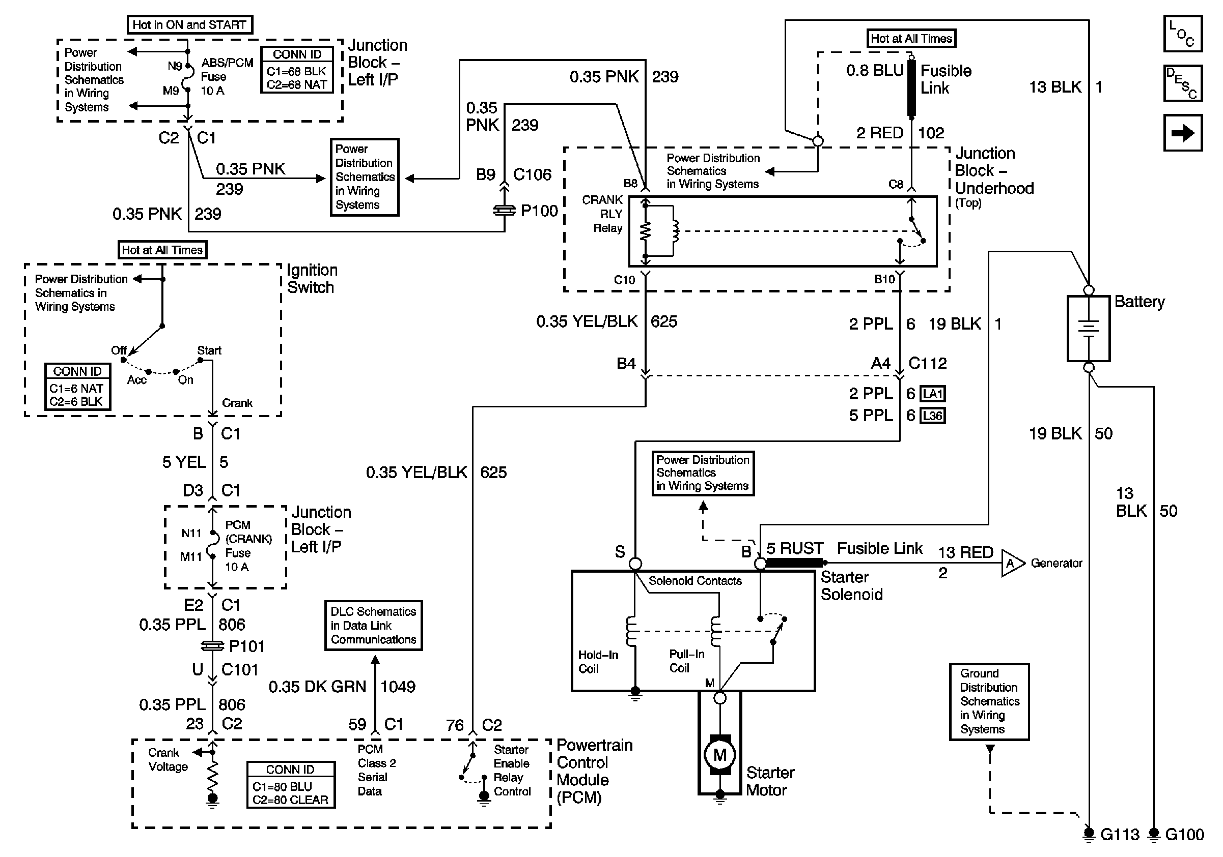
🢒 Engine Cranking
Engine Cranking
Engine Cranking
Master Electrical Component List
Starting System Description and Operation
Charging Control and Indicator
ABS/PCM, SRS, STOP, and TURN SIGNAL Fuses
A/C/CRUISE, A/C FAN, CRUISE, PCM/BCM/CLSTR, and PCM (CRANK) Fuses
ABS/PCM, SRS, STOP, and TURN SIGNAL Fuses
Fuse Block-SEO and Fusible Links
Fuse Block-SEO and Fusible Links
Charging Control and Indicator
G100, G111, G113 (1 of 2), G117, and G151
DLC Schematics