GM Service Manual Online
For 1990-2009 cars only
Makes
🢒
Chevrolet
🢒
2002
🢒
Impala
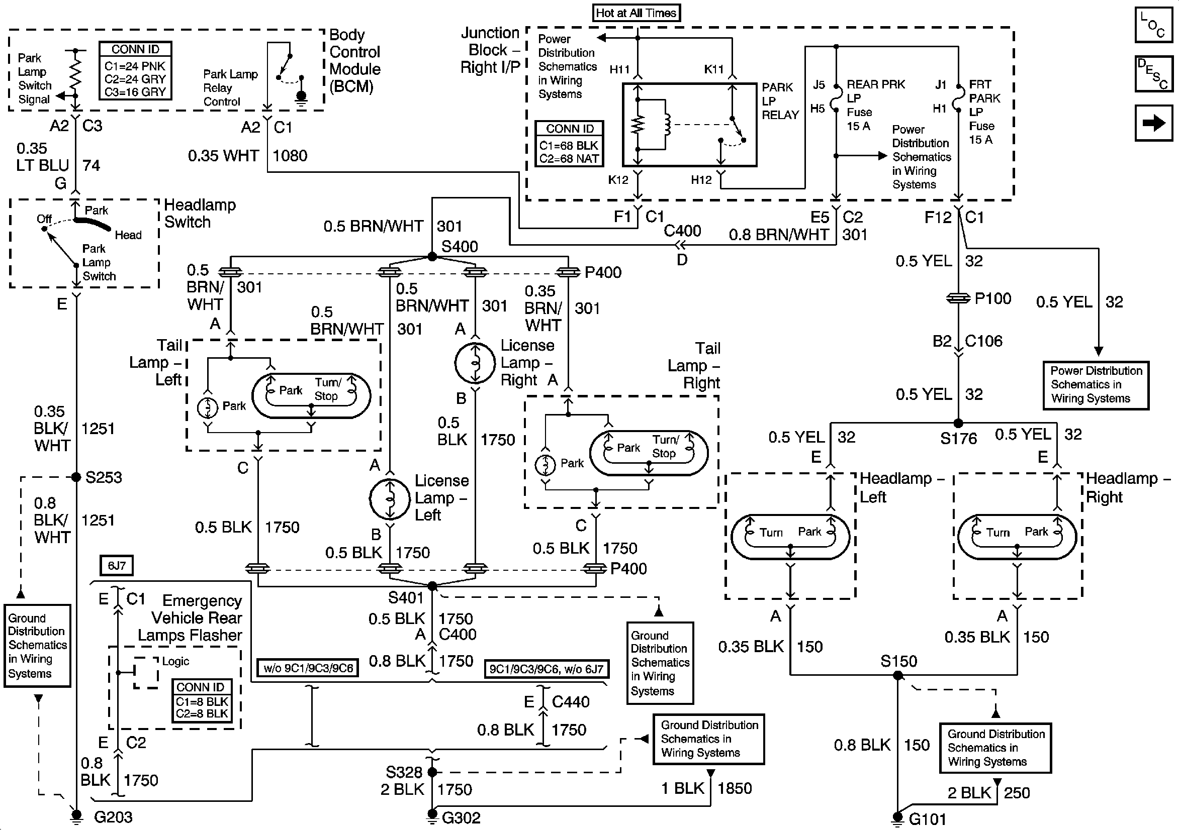
🢒 Park Lamps (Impala)
Park Lamps (Impala)
Park Lamps (Impala)
Master Electrical Component List
Exterior Lighting Systems Description and Operation
Rear/Turn/Stop/Hazard Lamps (Impala w/o 6J7)
FRT PARK LP and REAR PARK LP Fuses
FRT PARK LP and REAR PARK LP Fuses
FRT PARK LP and REAR PARK LP Fuses
G203 (1 of 3)
G302 (2 of 2) and G309
G302 (1 of 2)
G101