GM Service Manual Online
For 1990-2009 cars only
Makes
🢒
Chevrolet
🢒
2002
🢒
Impala
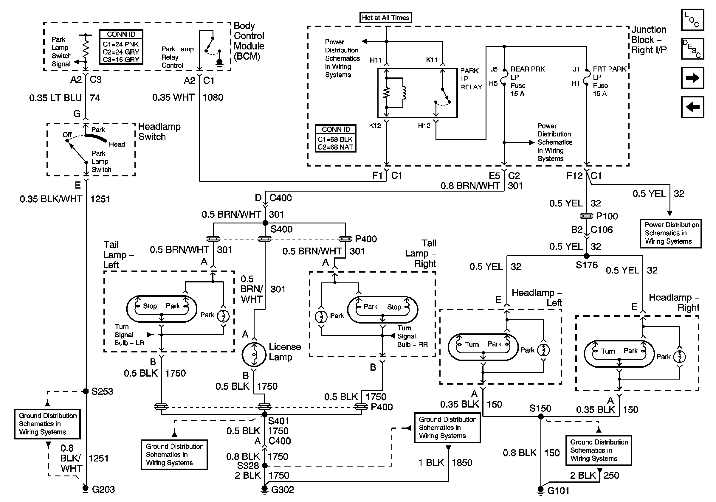
🢒 Park Lamps (Monte Carlo)
Park Lamps (Monte Carlo)
Park Lamps (Monte Carlo)
Master Electrical Component List
Exterior Lighting Systems Description and Operation
Stop Lamps (Monte Carlo)
Rear Turn/Stop/Hazard Lamps (Impala w/o 6J7)
FRT PARK LP and REAR PARK LP Fuses
FRT PARK LP and REAR PARK LP Fuses
Turn Lamps (Monte Carlo)
Turn Lamps (Monte Carlo)
G203 (1 of 3)
G302 (2 of 2) and G309
G302 (1 of 2)
G101