GM Service Manual Online
For 1990-2009 cars only
Makes
🢒
Chevrolet
🢒
2002
🢒
Impala
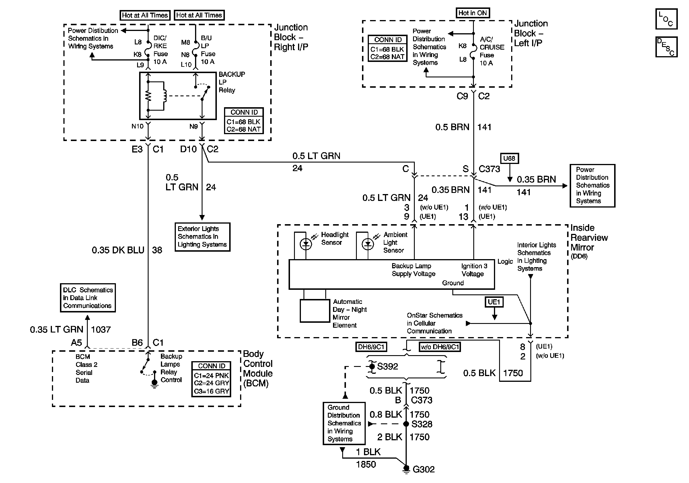
🢒 Inside Rearview Mirror Schematics
Inside Rearview Mirror Schematics
Master Electrical Component List
Inside Rearview Mirror Description and Operation
B/U LP, DIC/RKE, PWR DROP, and RH HTD ST Fuses, PWR SEATS Circuit Breaker
A/C/CRUISE, A/C FAN, CRUISE, PCM/BCM/CLSTR, and PCM (CRANK) Fuses
A/C/CRUISE, A/C FAN, CRUISE, PCM/BCM/CLSTR, and PCM (CRANK) Fuses
Roof Lighting
Audio Communication and Inside Rearview Mirror
Backup Lamps (w/o 9C1/9C3/9C6)
G302 (1 of 2)
DLC Schematics