GM Service Manual Online
For 1990-2009 cars only
Makes
🢒
Chevrolet
🢒
2002
🢒
Impala
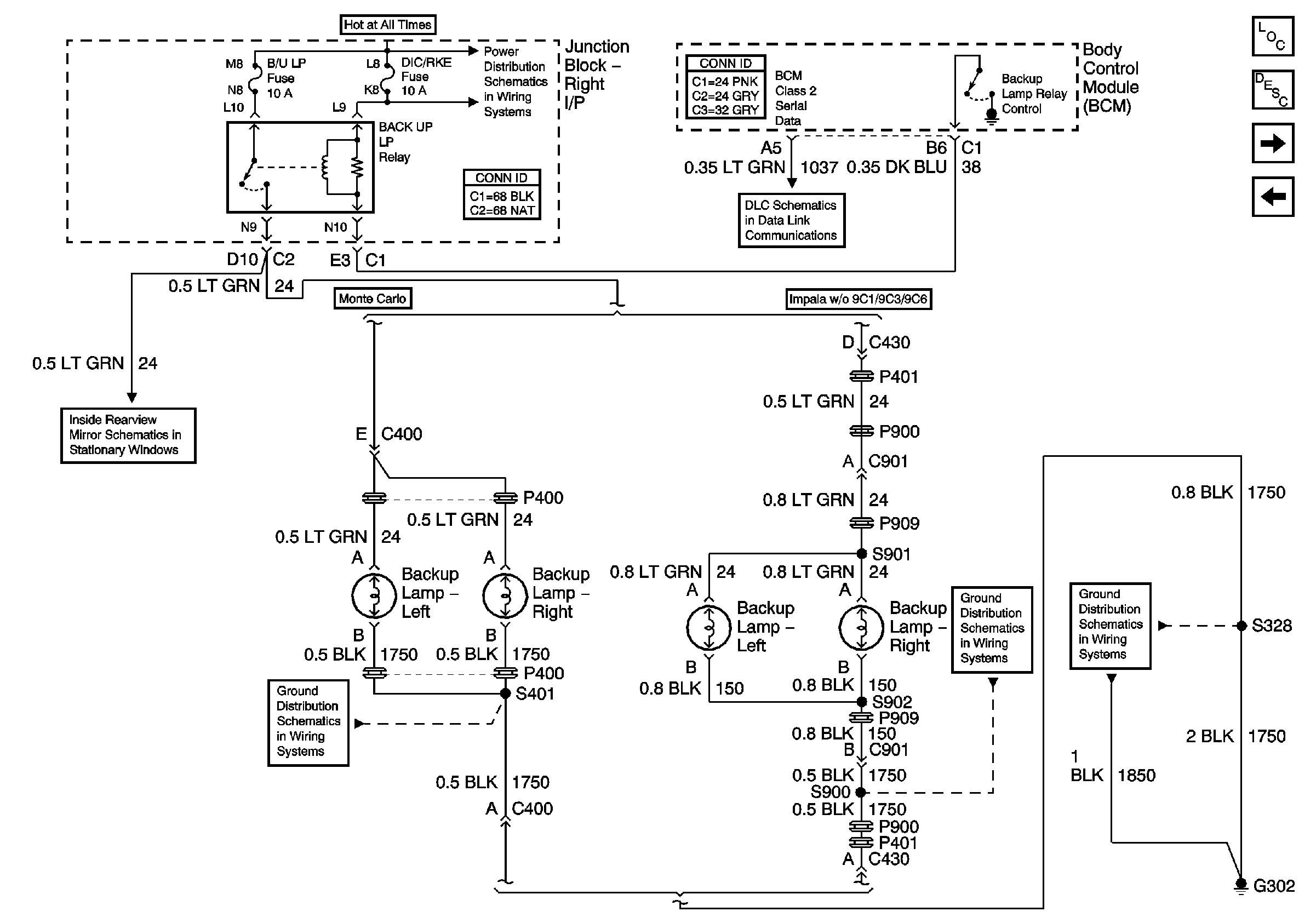
🢒 Backup Lamps (w/o 9C1/9C3/9C6)
Backup Lamps (w/o 9C1/9C3/9C6)
Backup Lamps (w/o 9C1/9C3/9C6)
Master Electrical Component List
Exterior Lighting Systems Description and Operation
Backup Lamps (9C1/9C3/9C6)
Turn Lamps (Monte Carlo)
B/U LP, DIC/RKE, PWR DROP, and RH HTD ST Fuses, PWR SEATS Circuit Breaker
Inside Rearview Mirror Schematics
G302 (2 of 2) and G309
G302 (1 of 2)
G302 (2 of 2) and G309
DLC Schematics