GM Service Manual Online
For 1990-2009 cars only
Makes
🢒
Chevrolet
🢒
2005
🢒
Impala
🢒
Body
🢒
Wiring Systems
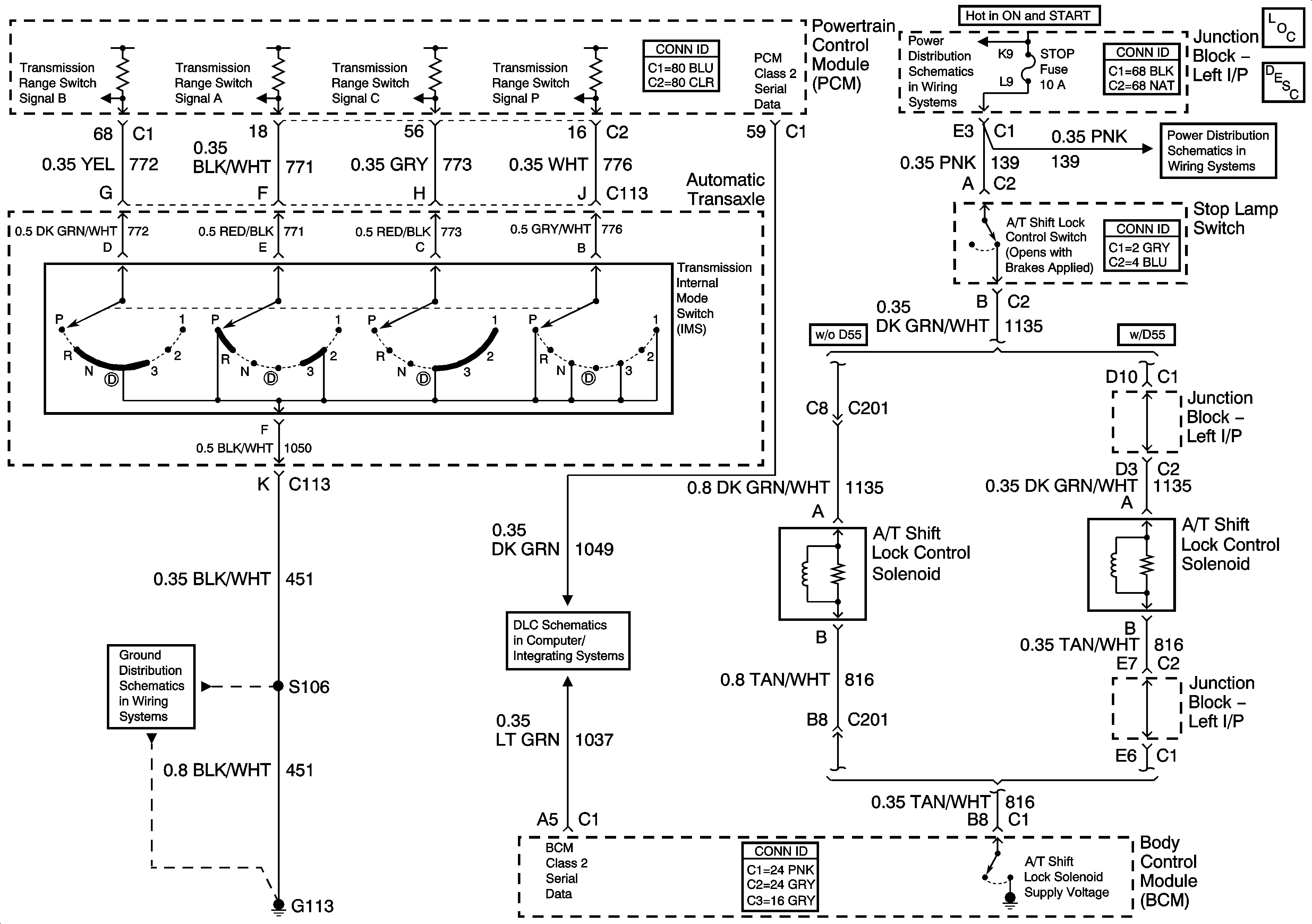
🢒 Shift Lock Control Schematics
Master Electrical Component List
Automatic Transmission Shift Lock Control Description and Operation
ABS/PCM, SRS, STOP, and TURN SIGNAL Fuses
ABS/PCM, SRS, STOP, and TURN SIGNAL Fuses
G113 - 2 of 2
DLC