GM Service Manual Online
For 1990-2009 cars only
Makes
🢒
Chevrolet
🢒
2005
🢒
Impala
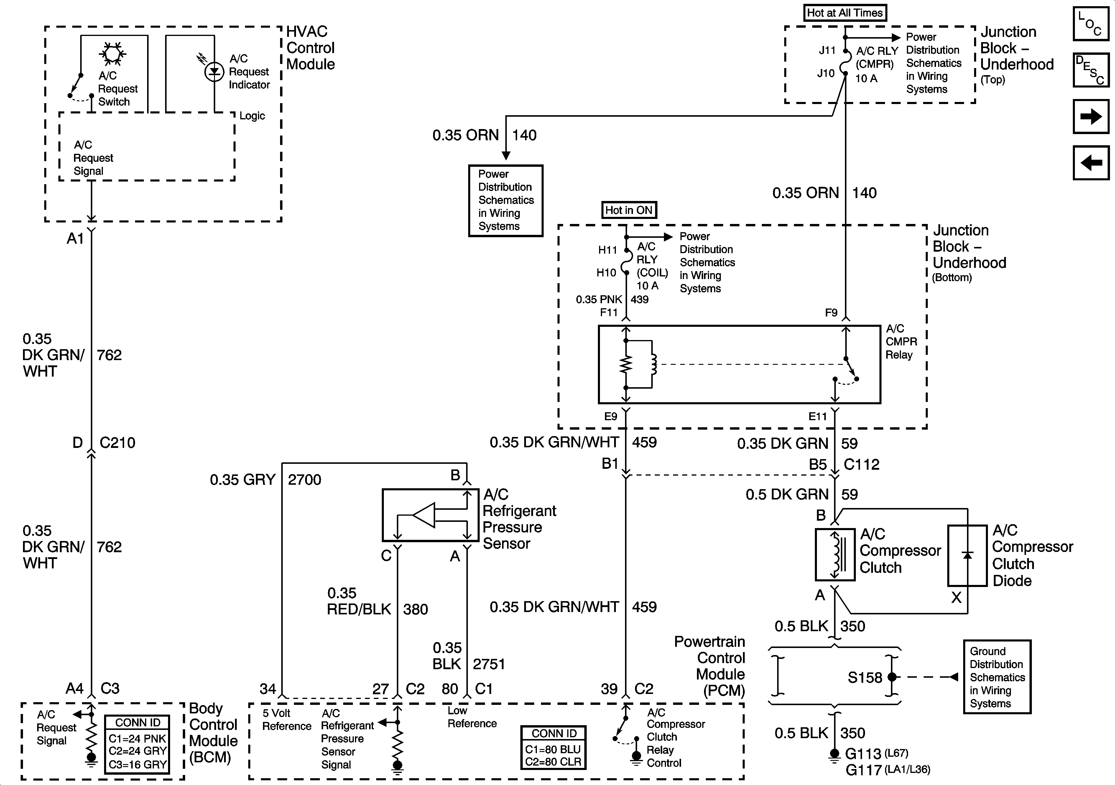
🢒 A/C Compressor Controls
A/C Compressor Controls
A/C Compressor Controls
Master Electrical Component List
Air Delivery Description and Operation
Mode, and Temperature Control
Power, Ground, and Blower Motor Control
Junction Block - Underhood (Top) Bussing
A/C RLY (CMPR), BCM, CIG/AUS, EXT LTS, IGN SW, PCM, HVAC BLOWER, and WSW Fuses
Junction Block - Underhood (Bottom) Bussing
G100, G111, G113 - 1 of 2, G117, G151, G171