GM Service Manual Online
For 1990-2009 cars only
Makes
🢒
Chevrolet
🢒
2005
🢒
Impala
🢒 Charge Control and Indicator
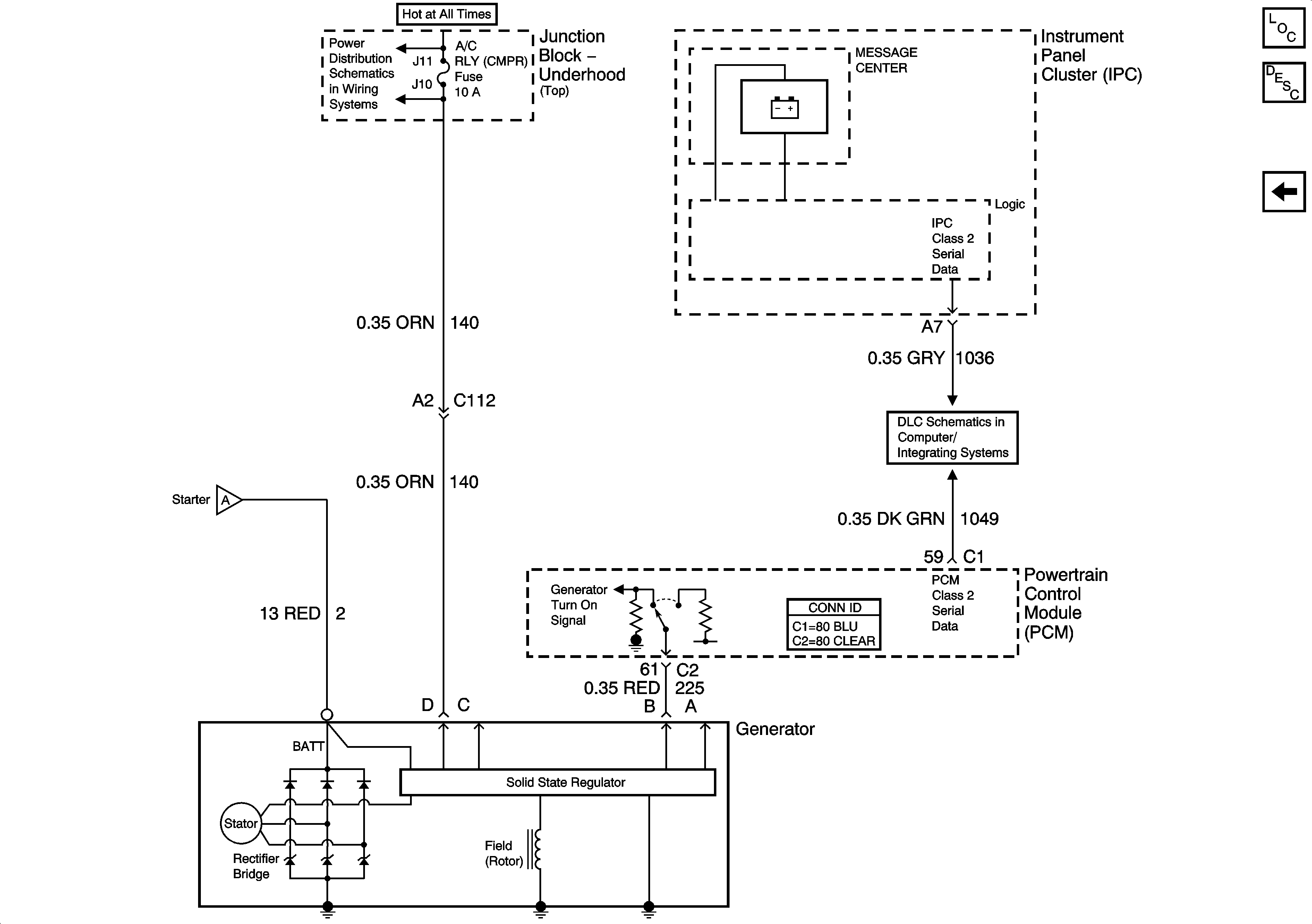
Charge Control and Indicator
Charging Control and Indicator
Master Electrical Component List
Charging System Description and Operation
Engine Cranking
A/C RLY (CMPR), BCM, CIG/AUS, EXT LTS, IGN SW, PCM, HVAC BLOWER, and WSW Fuses
Engine Cranking
DLC