GM Service Manual Online
For 1990-2009 cars only
Makes
🢒
Chevrolet
🢒
2005
🢒
Impala
🢒 Engine Cranking
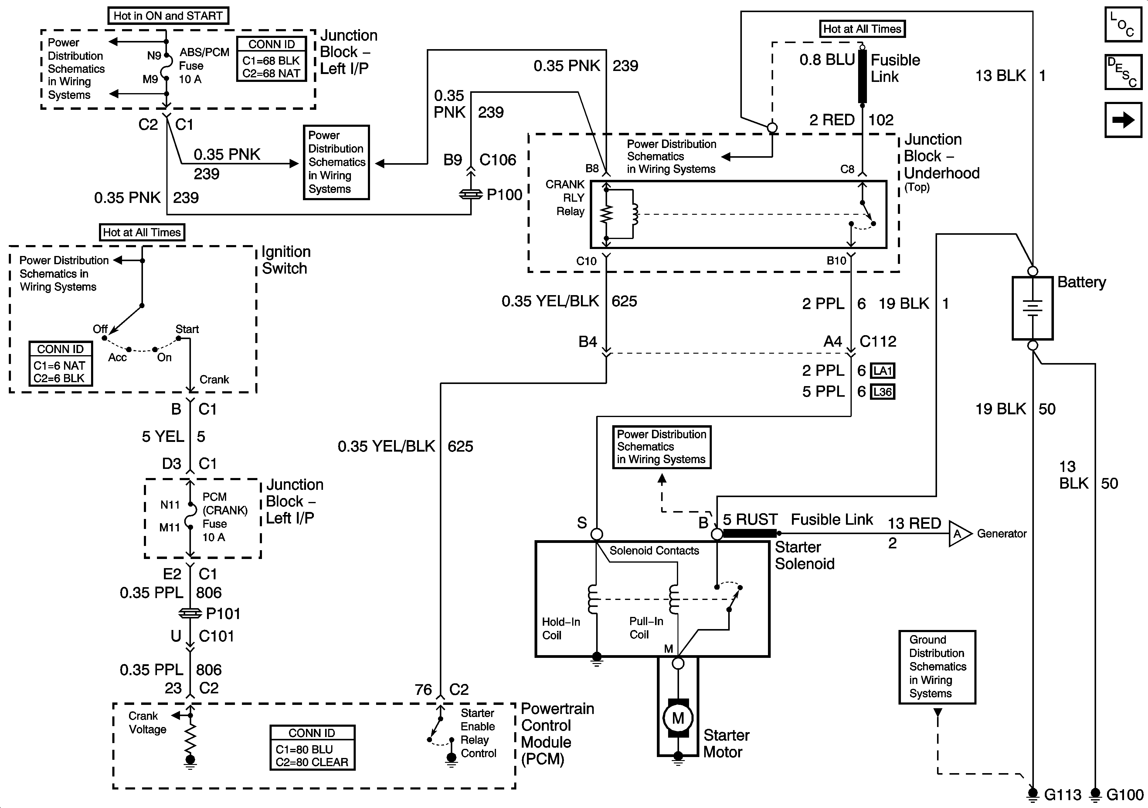
Engine Cranking
Engine Cranking
Master Electrical Component List
Starting System Description and Operation
Charge Control and Indicator
ABS/PCM, SRS, STOP, and TURN SIGNAL Fuses
A/C/CRUISE, CRUISE, PCM/BCM/CLSTR, and PCM (CRANK) Fuses
ABS/PCM, SRS, STOP, and TURN SIGNAL Fuses
Fuse Block - SEO and Fusible Links
Fuse Block - SEO and Fusible Links
Charge Control and Indicator
G100, G111, G113 - 1 of 2, G117, G151, G171