GM Service Manual Online
For 1990-2009 cars only
Makes
🢒
Chevrolet
🢒
2005
🢒
Impala
🢒 Heated Mirror (DK5)
Heated Mirror (DK5)
Heated Mirrors (DK5)
Master Electrical Component List
Outside Mirror Description and Operation
Power Mirror
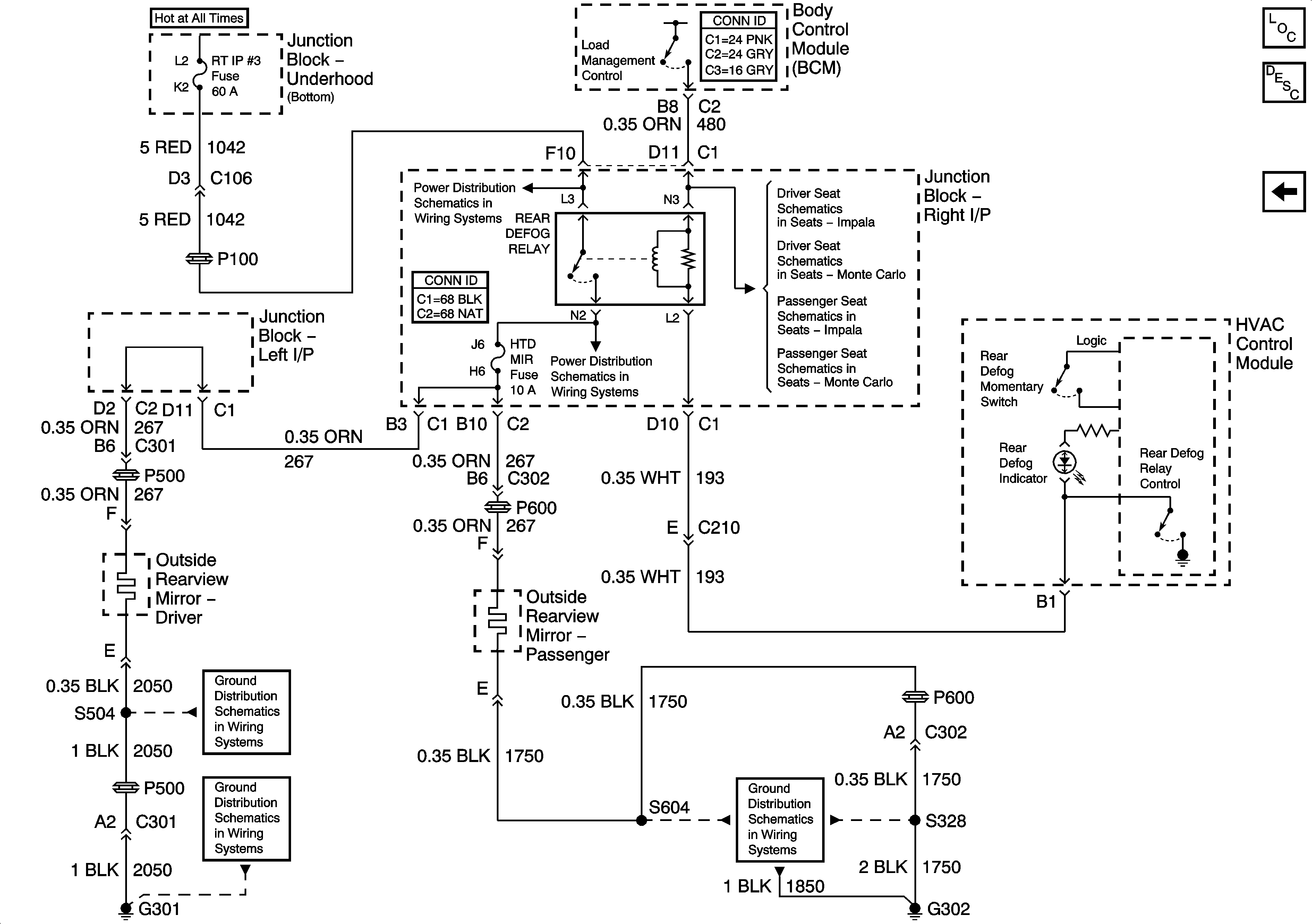
HTD MIR, RADIO, and RT IP #3 Fuses, REAR DEFOG BRKR Circuit, and REAR DEFOG Relay
HTD MIR, RADIO, and RT IP #3 Fuses, REAR DEFOG BRKR Circuit, and REAR DEFOG Relay
Heat Controls (Impala)
Heat Controls (Monte Carlo)
Heat Controls (Impala)
Heat Controls (Monte Carlo)
G301 - 2 of 2
G301 - 1 of 2
G302 - 1 of 2