GM Service Manual Online
For 1990-2009 cars only
Makes
🢒
Chevrolet
🢒
2005
🢒
Impala
🢒 Heat Controls (Monte Carlo)
Heat Controls (Monte Carlo)
Heat Controls (Monte Carlo)
Master Electrical Component List
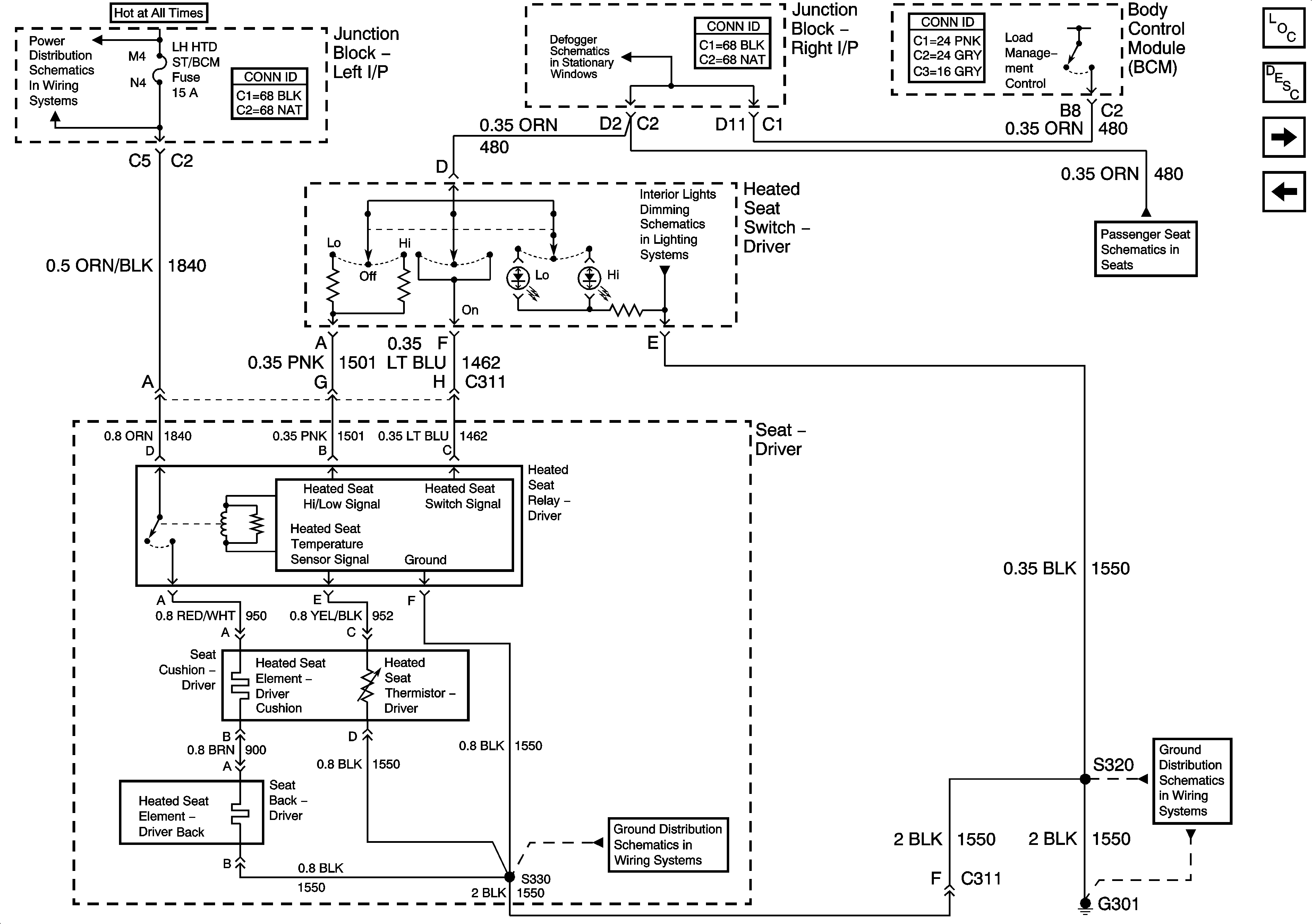
Heated Seats Description and Operation
Heat Controls (Impala)
6-Way Power Controls
CLSTR/BCM, DR LK, LEFT IP, LH HTD ST/BCM and PWR MIR Fuses, RETAINED ACCSRY PWR BRKR Circuit Breaker, and RETAINED ACCSRY PWR Relay
Defogger
Console and Driver Door
Heat Controls (Monte Carlo)
G301 - 1 of 2
G301 - 1 of 2