GM Service Manual Online
For 1990-2009 cars only
Makes
🢒
Chevrolet
🢒
2005
🢒
Impala
🢒 Heat Controls (Impala)
Heat Controls (Impala)
Heat Controls (Impala)
Master Electrical Component List
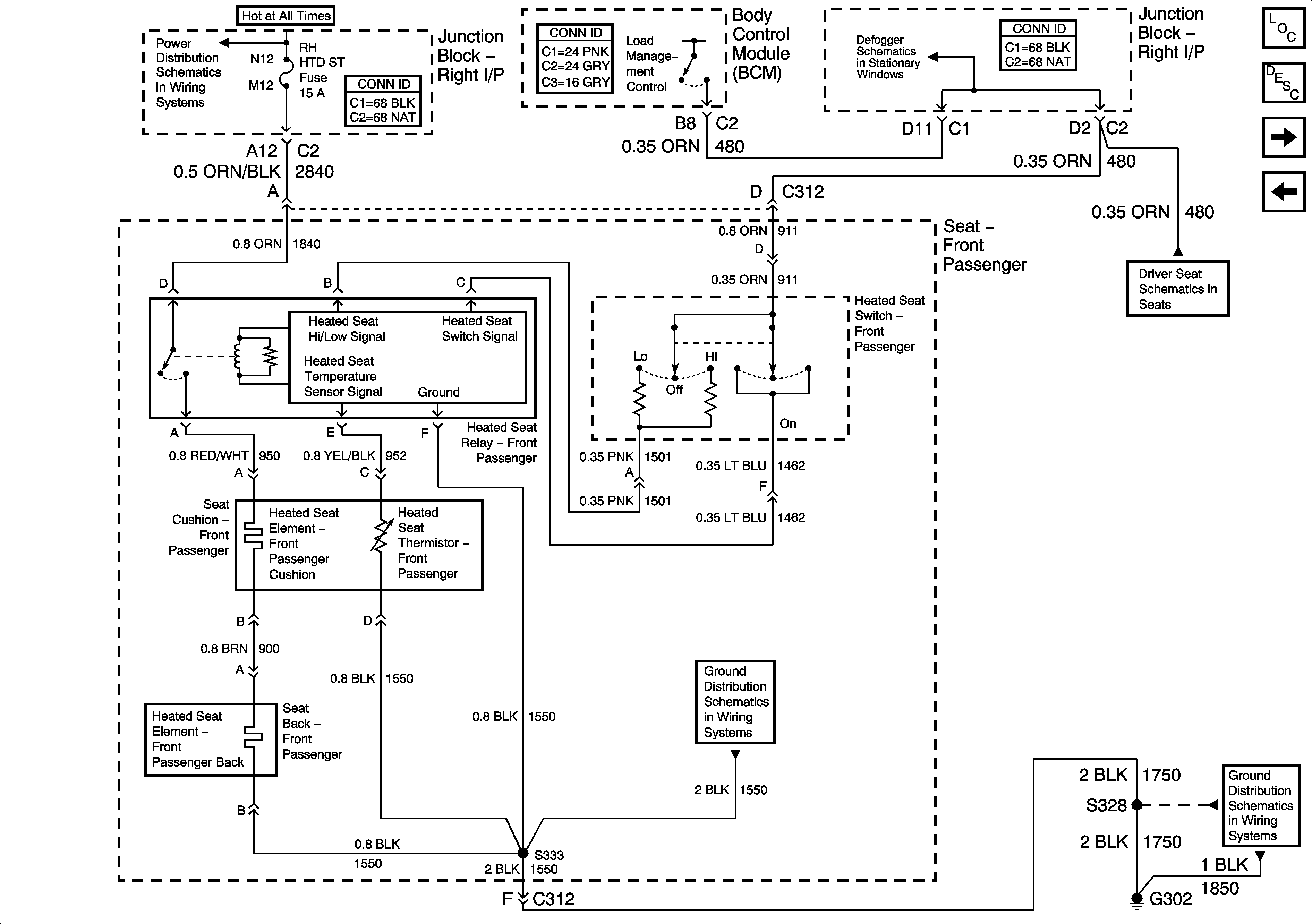
Heated Seats Description and Operation
Heat Controls (Monte Carlo)
6-Way Power Controls
B/U LP, DIC/RKE, PWR DROP and RT HTD ST Fuses, PWR SEATS BRKR Circuit Breaker
Defogger
Heat Controls (Impala)
G302 - 1 of 2
G302 - 1 of 2