GM Service Manual Online
For 1990-2009 cars only
Makes
🢒
Chevrolet
🢒
2005
🢒
Impala
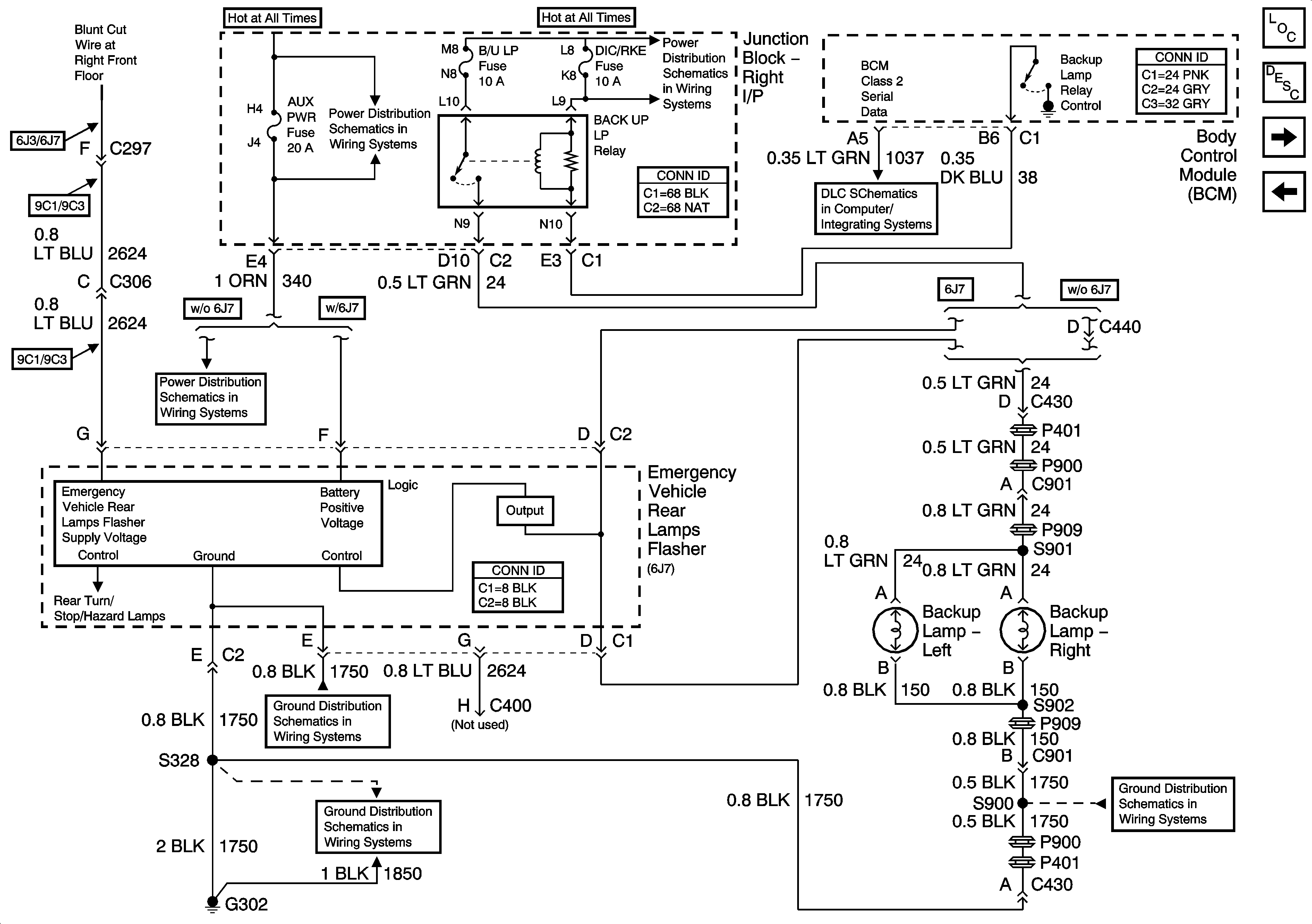
🢒 Backup Lamps (9C1/9C3)
Backup Lamps (9C1/9C3)
Backup Lamps (9C1/9C3)
Master Electrical Component List
Exterior Lighting Systems Description and Operation
Emergency Vehicle Rear Compartment Lid Lamps and Spot Lamps (9C1/9C3)
Backup Lamps (w/o 9C1/9C3)
AUX PWR, BRK SW, C/LTR, DRL/EXT LTS, HAZ SW, RT I/P #2, SPOTLAMP-L, and SPOTLAMP-R Fuses, DRL RLY Relay
B/U LP, DIC/RKE, PWR DROP and RT HTD ST Fuses, PWR SEATS BRKR Circuit Breaker
DLC
AUX PWR, BRK SW, C/LTR, DRL/EXT LTS, HAZ SW, RT I/P #2, SPOTLAMP-L, and SPOTLAMP-R Fuses, DRL RLY Relay
Rear Turn/Stop/Hazard Lamps (Impala 6J7)
G302 - 1 of 2
G302 - 1 of 2
G302 - 2 of 2 and G309