GM Service Manual Online
For 1990-2009 cars only
Makes
🢒
Chevrolet
🢒
2005
🢒
Impala
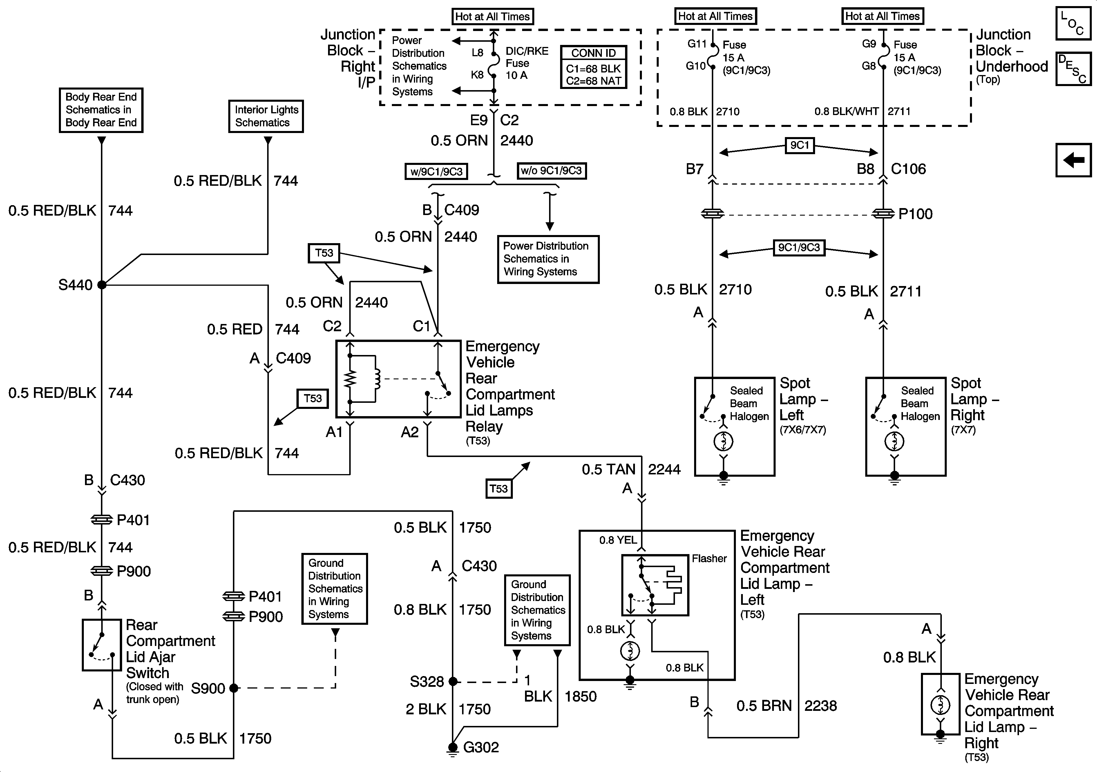
🢒 Emergency Vehicle Rear Compartment Lid Lamps and Spot Lamps (9C1/9C3)
Emergency Vehicle Rear Compartment Lid Lamps and Spot Lamps (9C1/9C3)
Emergency Vehicle Rear Compartment Lid Lamps, and Spot Lamps (9C1/9C3)
Master Electrical Component List
Exterior Lighting Systems Description and Operation
Backup Lamps (9C1/9C3)
Body Rear End Schematics
Rear Compartment
B/U LP, DIC/RKE, PWR DROP and RT HTD ST Fuses, PWR SEATS BRKR Circuit Breaker
B/U LP, DIC/RKE, PWR DROP and RT HTD ST Fuses, PWR SEATS BRKR Circuit Breaker
G302 - 2 of 2 and G309
G302 - 1 of 2