GM Service Manual Online
For 1990-2009 cars only
Makes
🢒
Chevrolet
🢒
2005
🢒
Impala
🢒 Defogger
Defogger
Master Electrical Component List
Rear Window Defogger Description and Operation
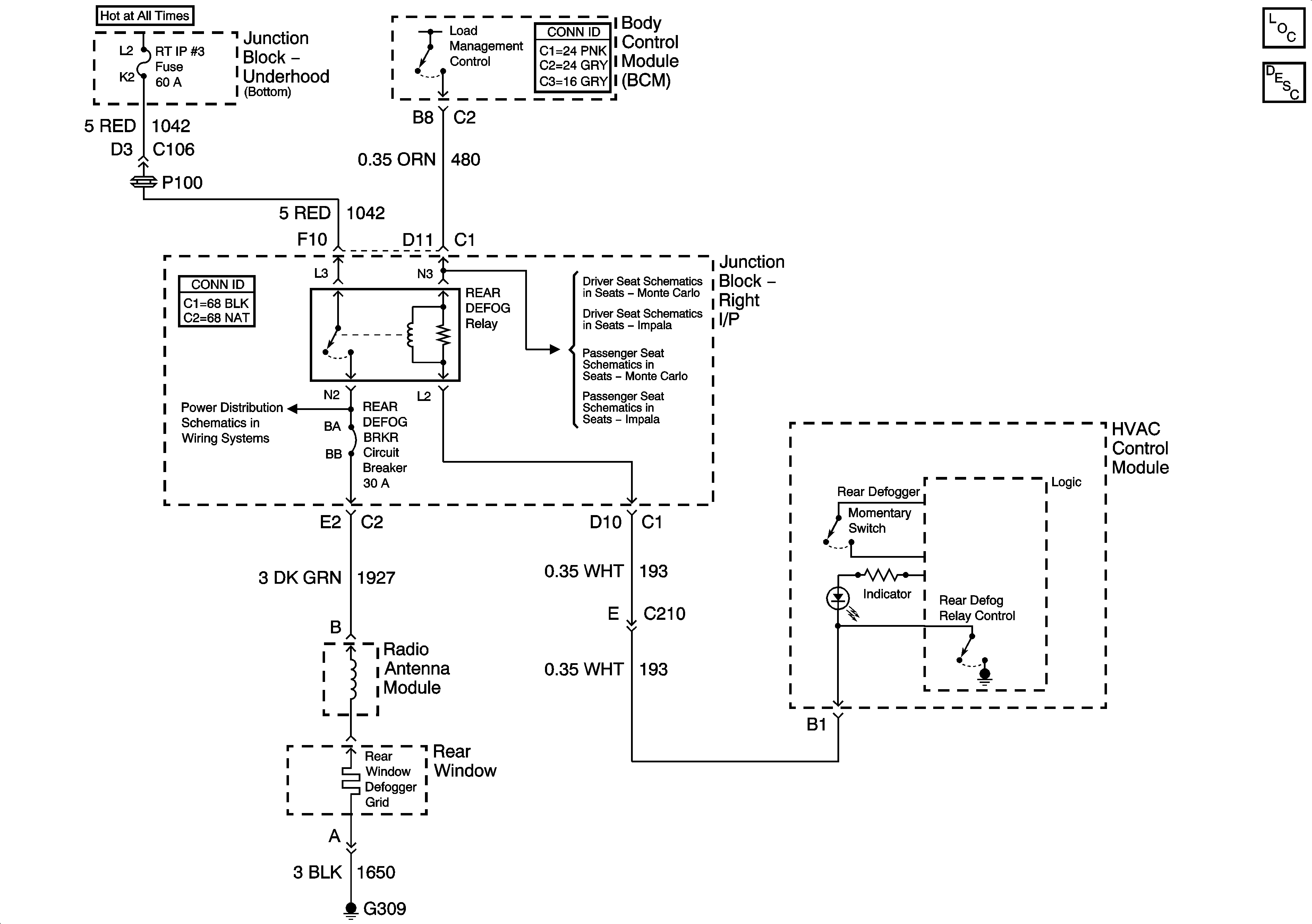
HTD MIR, RADIO, and RT IP #3 Fuses, REAR DEFOG BRKR Circuit, and REAR DEFOG Relay
Heat Controls (Monte Carlo)
Heat Controls (Impala)
Heat Controls (Monte Carlo)
Heat Controls (Impala)