GM Service Manual Online
For 1990-2009 cars only
Makes
🢒
Chevrolet
🢒
2005
🢒
Impala
🢒 Ground, Power, and RAP Relay
Ground, Power, and RAP Relay
Ground, Power, and RAP Relay
Master Electrical Component List
Retained Accessory Power (RAP) Description and Operation
Data Link, Door Locks, and Door Lock Switches
Junction Block - Underhood (Top) Bussing
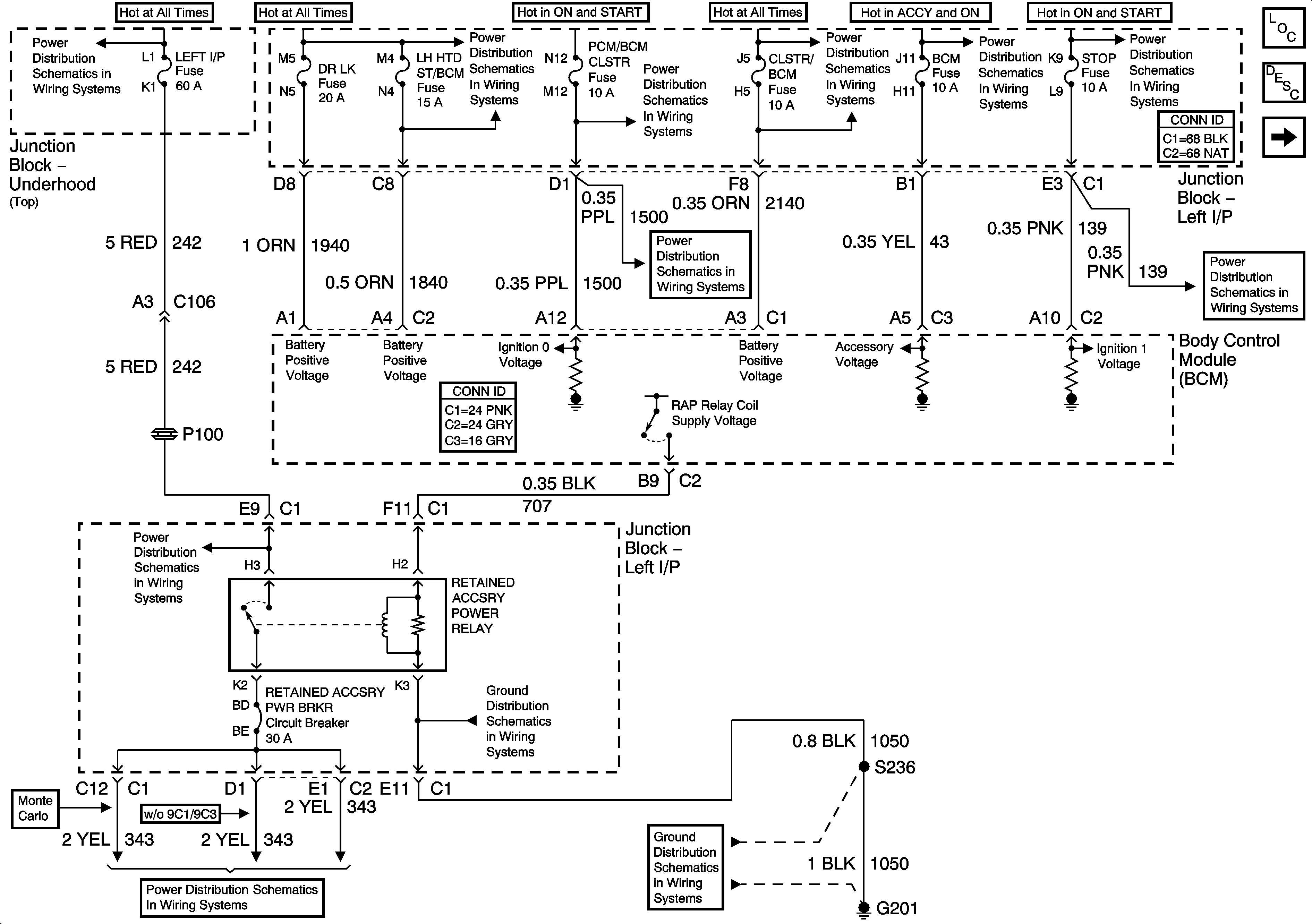
CLSTR/BCM, DR LK, LEFT IP, LH HTD ST/BCM and PWR MIR Fuses, RETAINED ACCSRY PWR BRKR Circuit Breaker, and RETAINED ACCSRY PWR Relay
A/C/CRUISE, CRUISE, PCM/BCM/CLSTR, and PCM (CRANK) Fuses
CLSTR/BCM, DR LK, LEFT IP, LH HTD ST/BCM and PWR MIR Fuses, RETAINED ACCSRY PWR BRKR Circuit Breaker, and RETAINED ACCSRY PWR Relay
A/C RLY (CMPR), BCM, CIG/AUS, EXT LTS, IGN SW, PCM, HVAC BLOWER, and WSW Fuses
ABS/PCM, SRS, STOP, and TURN SIGNAL Fuses
A/C/CRUISE, CRUISE, PCM/BCM/CLSTR, and PCM (CRANK) Fuses
ABS/PCM, SRS, STOP, and TURN SIGNAL Fuses
CLSTR/BCM, DR LK, LEFT IP, LH HTD ST/BCM and PWR MIR Fuses, RETAINED ACCSRY PWR BRKR Circuit Breaker, and RETAINED ACCSRY PWR Relay
G201 - 1 of 2
CLSTR/BCM, DR LK, LEFT IP, LH HTD ST/BCM and PWR MIR Fuses, RETAINED ACCSRY PWR BRKR Circuit Breaker, and RETAINED ACCSRY PWR Relay
G201 - 1 of 2