GM Service Manual Online
For 1990-2009 cars only
Makes
🢒
Chevrolet
🢒
2006
🢒
Impala
🢒
Vehicle Control Systems
🢒
Vehicle DTC Information
🢒 Interior Lights Dimming Schematics
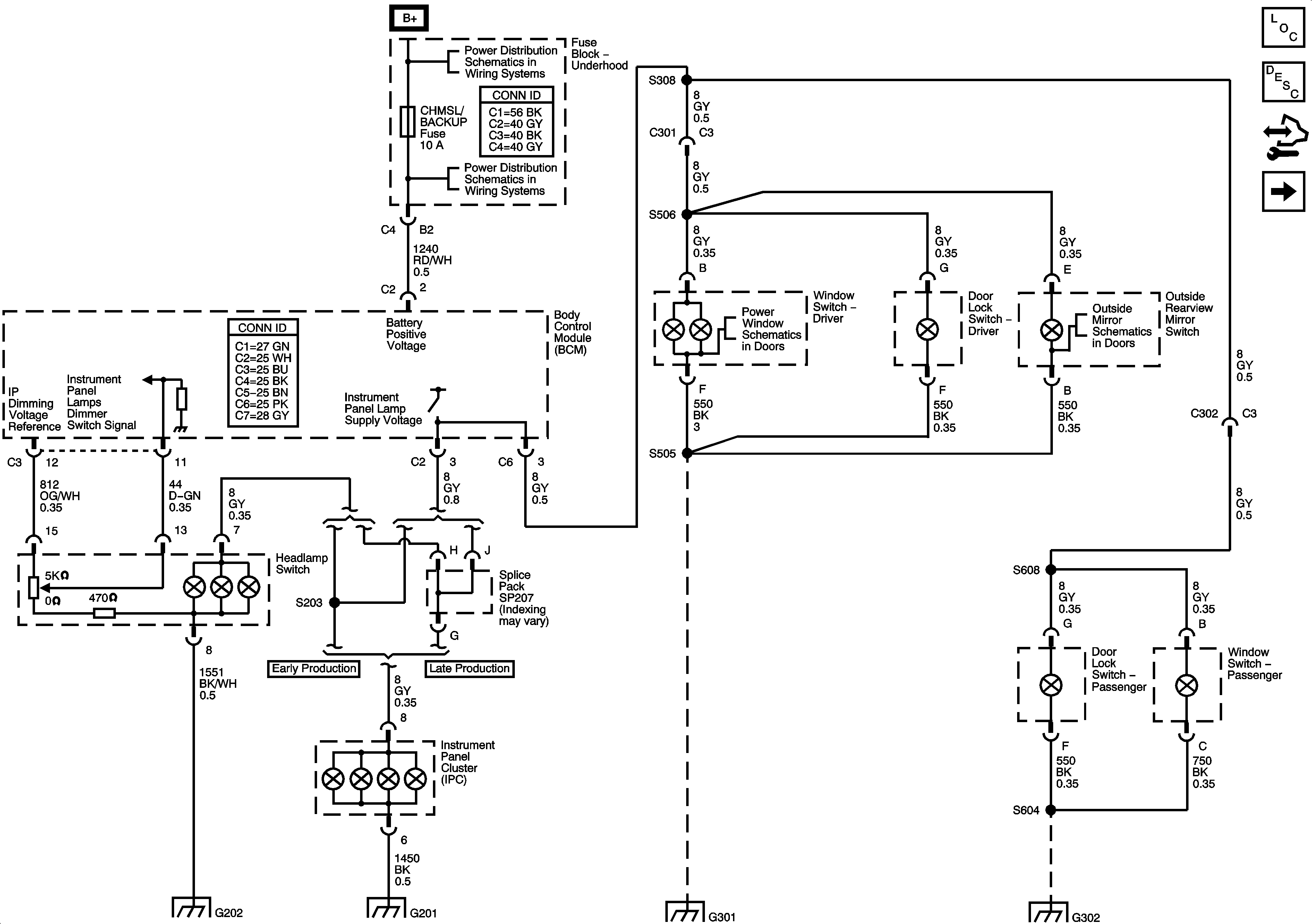
Figure
1:
Coupe
Master Electrical Component List
Interior Lighting Systems Description and Operation
Control Module References
Sedan
Fuse Block - Underhood Bussing
Fuse Block - Underhood Bussing
INT LTS/PNL DIM, LT T/SIG RT T/SIG, CHMSL/BACKUP, INT LIGHTS, RVC SEN, and ECM/TCM Fuses
Coupe
Coupe
G202, and G204
G201
G301
G302
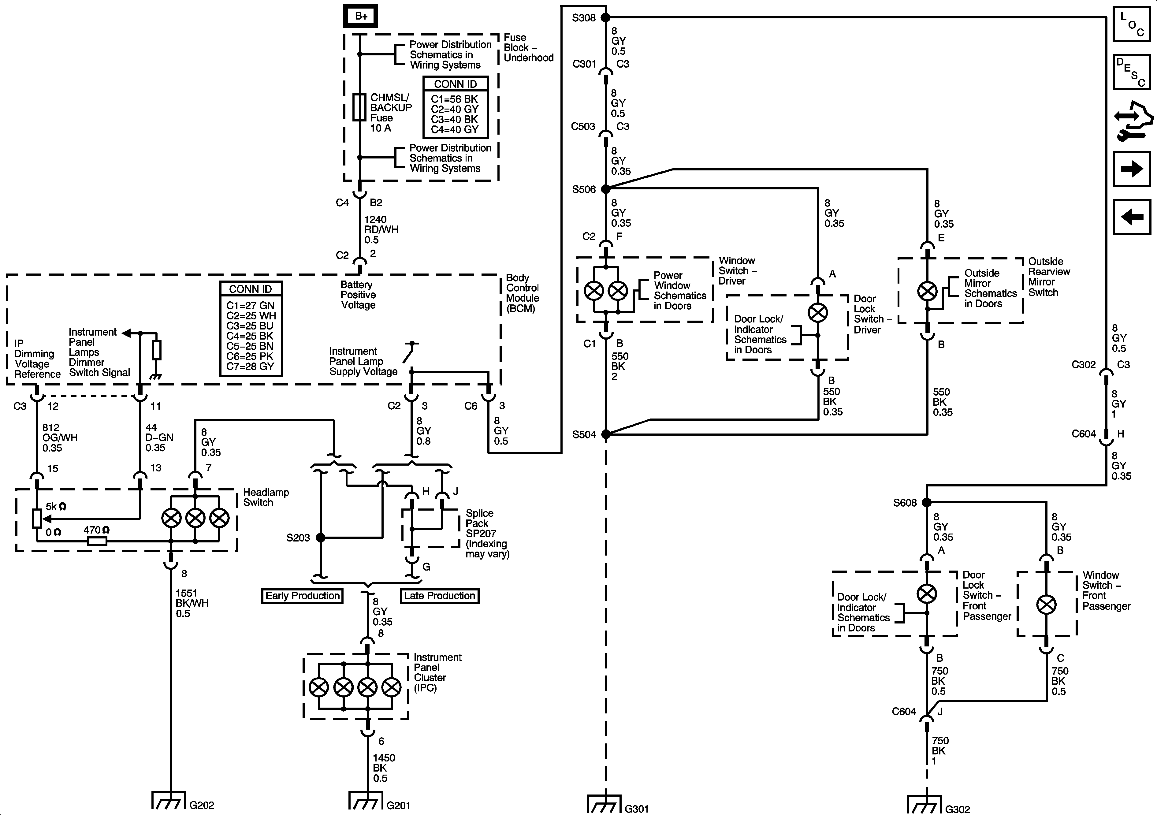
Figure
2:
Sedan
Master Electrical Component List
Interior Lighting Systems Description and Operation
Control Module References
Radio, HVAC Control Module, Driver Information Center (DIC) Switch, and Steering Wheel Controls
Coupe
Fuse Block - Underhood Bussing
Fuse Block - Underhood Bussing
INT LTS/PNL DIM, LT T/SIG RT T/SIG, CHMSL/BACKUP, INT LIGHTS, RVC SEN, and ECM/TCM Fuses
Sedan
Door Lock Switches
Sedan
Door Lock Switches
G202, and G204
G201
G301
G302 (Sedan)
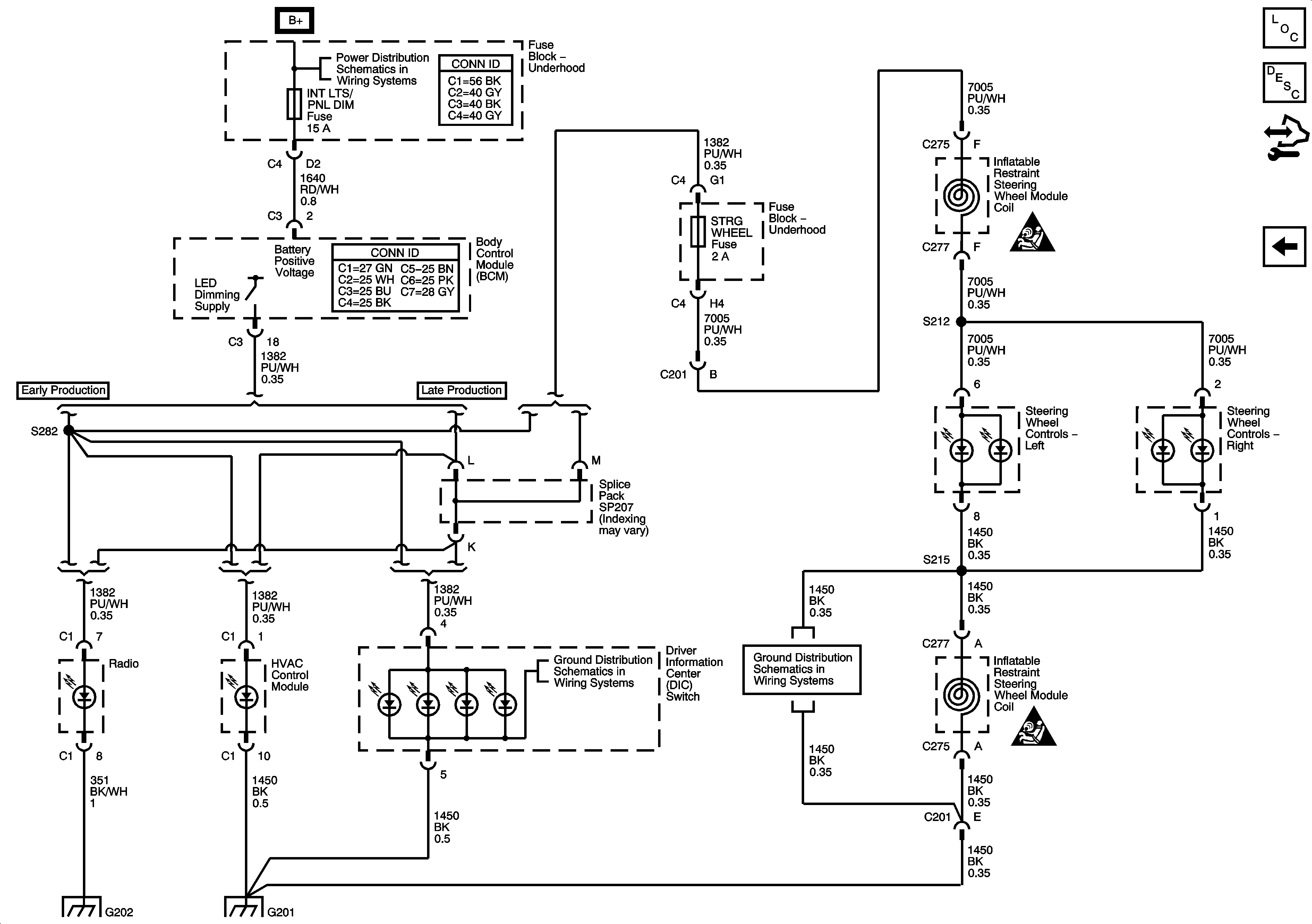
Figure
3:
Radio, HVAC Control Module, Driver Information Center (DIC) Switch, and Steering Wheel Controls
Master Electrical Component List
Interior Lighting Systems Description and Operation
Control Module References
Sedan
Fuse Block - Underhood Bussing
INT LTS/PNL DIM, LT T/SIG RT T/SIG, CHMSL/BACKUP, INT LIGHTS, RVC SEN, and ECM/TCM Fuses
Lighting Systems Schematic Icons
Lighting Systems Schematic Icons
G201
G201
G202, and G204
G201